Каталог запасных частей к технике: ЯЗДА ТНВД-136, 179. Топливный насос высокого давления мод. 136

zoom-in zoom-out enlarge shrink circle-right circle-left file-text2 info cart arraw right arraw left zoom out zoom in arraw maximize arraw minimize
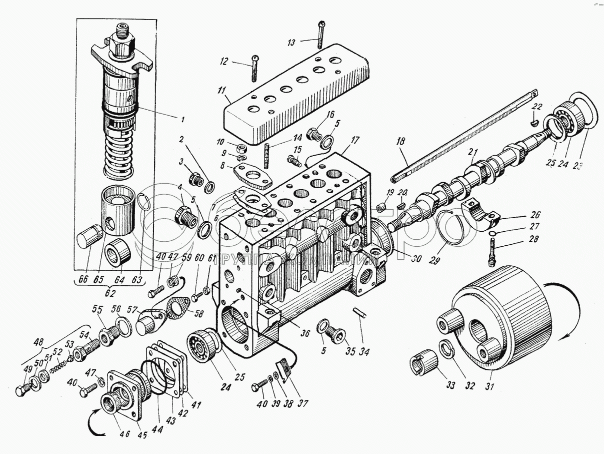
1
3
4
5
5
5
6
7
8
9
10
11
12
13
14
15
16
17
18
19
20
20
20
21
23
24
24
25
25
26
27
28
29
30
31
32
33
34
35
36
37
39
40
40
40
41
41
42
43
44
45
46
47
47
48
49
50
51
52
53
54
55
57
58
59
62
62
63
63
64
65
66
20
6х9
Шпонка 6х9
В узле: 1
6х9 Шпонка коленвала ММЗ Под заказ 131.60 р.
136.1111005
Топливный насос высокого давления в сборе
В узле: 1
236-1111042-А
Втулка рейки
В узле: 2
1
177.1111130
Секция топливного насоса в сборе
В узле: 6
3
42.1111905
Ввертыш
В узле: 1
4
316617-П29
Ввертыш
В узле: 1
5
312768-П
Прокладка
В узле: 1
6
42.1111386
Прокладка регулировочная
В узле: 36
7
42.1111385-01
Прокладка регулировочная
В узле: 36
8
17.1111375
Фланец нажимной
В узле: 6
9
1/05168/77
Шайба Ф10
В узле: 12
10
1/21647/21
Гайка М10
В узле: 12
11
135.1111412
Крышка защитная
В узле: 1
12
42.1111414
Винт
В узле: 2
13
42.1111414-10
Винт
В узле: 2
14
852301
Шпилька
В узле: 12
15
33.1106245-10
Винт стопорный
В узле: 1
16
17.1111032-10
Ввертыш корпуса
В узле: 1
17
136.1111021
Корпус топливного насоса с втулками рейки
В узле: 1
18
135.1111184-02
Рейка топливного насоса
В узле: 1
19
42.1111046
Фиксатор
В узле: 1
20
6х9 DIN 6888
Шпонка 6х9 DIN 6888
В узле: 1
20
320-35001
Шпонка 6х19
В узле: 1
21
136.1111055
Вал кулачковый
В узле: 1
23
42.1111082
Кольцо упорное
В узле: 1
24
6-7506А
Подшипник роликовый
В узле: 2
25
42.1111087
Шайба дистанционная
В узле: 2
26
42.1111063-10
Опора кулачкового вала
В узле: 1
27
25 3111 2015
Кольцо
В узле: 2
28
42.1111065
Болт опоры
В узле: 2
29
42.1111163
Кольцо пружинное
В узле: 1
30
42.1111077
Втулка подшипника
В узле: 1
31
7511.1111450-10
Гаситель крутильных колебаний в сборе
В узле: 1
32
312304-П
Шайба
В узле: 1
33
320-88337
Гайка М20х1,5-6Н
В узле: 1
34
17.1111129
Фиксатор толкателя
В узле: 3
35
316186-П
Пробка
В узле: 1
36
870770
Штифт 6х16
В узле: 1
37
177.1111280
Указатель ГНН первой секции
В узле: 1
39
1/60432/21
Болт М8х16
В узле: 1
40
201458-П29
Болт
В узле: 6
41
42.1111078
Прокладка регулировочная
В узле: 3
42
42.1111079
Прокладка регулировочная
В узле: 7
43
42.1111080
Прокладка регулировочная
В узле: 1
44
25 3111 2181
Кольцо
В узле: 1
45
175.1111072
Крышка подшипника
В узле: 1
46
42.1111090
Манжета
В узле: 1
47
1/05166/77
Шайба Ф8
В узле: 7
48
60.1111282-01
Клапан перепускной в сборе
В узле: 1
49
318-85366
Пробка
В узле: 1
50
852205
Шайба
В узле: 1
51
852210
Шайба
В узле: 4
52
17.1111148
Пружина
В узле: 1
53
37.1111144
Клапан
В узле: 1
54
60.1111285-10
Корпус клапана
В узле: 1
55
42.1111032
Ввертыш экранированный
В узле: 1
57
42.1111186
Крышка рейки
В узле: 1
58
421.1110869-10
Прокладка
В узле: 1
59
312700-П29
Шайба
В узле: 2
62
17.1111110
Толкатель плунжера в сборе
В узле: 6
63
17.1111115
Кольцо стопорное
В узле: 6
64
17.1111118
Ролик толкателя
В узле: 6
65
17.1111114
Толкатель плунжера
В узле: 6
66
17.1111124
Ось ролика толкателя
В узле: 6
67
42.1111387
Прокладка регулировочная
В узле: 12
68
333.1110312
Ввертыш с фильтром в сборе
В узле: 1
69
192.3828
Датчик температуры топлива
В узле: 1
Содержащиеся в справочниках-каталогах запасные части и детали не предлагаются к продаже, а носят исключительно информационный характер

Ваша заявка была отправлена. В ближайшее время наши специалисты с Вами свяжутся по указанному Вами телефону.

Представьтесь
Поле обязательно для заполнения
Ваш телефон
Введите правильный номер телефона
E-mail
Введите правильный e-mail
Тема
Тема
применяемость финансирование доставка цена, наличие другое сервис и гарантия
Время для звонка
08:00
08:00 09:00 10:00 11:00 12:00 13:00 14:00 15:00 16:00 17:00 18:00 19:00
19:00
08:00 09:00 10:00 11:00 12:00 13:00 14:00 15:00 16:00 17:00 18:00 19:00

Мы постараемся перезвонить в указанное время

Если вы не хотите ждать, то звоните нашим вежливым консультантам:

8 800 100-2-700
Подтвердите, что вы не робот
Подтвердите, что вы не робот
Спасибо!

Ваше сообщение успешно отправлено!

ЗакрытьПовторить попытку