Каталог запасных частей к технике: ЯЗДА ТНВД-323, 324, 327. Насос предпусковой прокачки топлива

zoom-in zoom-out enlarge shrink circle-right circle-left file-text2 info cart arraw right arraw left zoom out zoom in arraw maximize arraw minimize
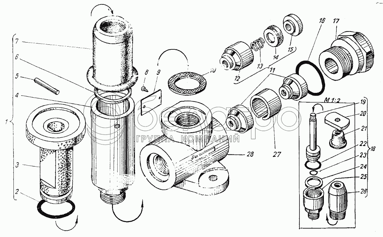
1
2
3
4
5
6
7
8
9
10
11
12
13
14
15
16
17
18
19
20
21
22
23
24
25
26
27
28
1
37.1133010
Насос ручной прокачки топлива
В узле: 1
2
33.1106379
Кольцо уплотнительное
В узле: 1
3
33.1106376-10
Поршень
В узле: 1
4
37.1133014
Цилиндр насоса ручной прокачки топлива
В узле: 1
5
320-88602
Штифт
В узле: 1
6
33.1106377
Прокладка
В узле: 1
7
33.1106920
Чехол защитный
В узле: 1
8
33.1111910
Гвоздь нарезной
В узле: 2
9
37.3904018
Табличка
В узле: 1
10
320-88754
Прокладка 16х22х1,5
В узле: 1
11
37.1141040
Клапан насоса
В узле: 2
12
37.1141046
Корпус клапана
В узле: 2
13
37.1141052
Пружина клапана
В узле: 2
14
37.1141062
Клапан
В узле: 2
15
37.1141058
Седло
В узле: 2
16
37.1141342
Кольцо уплотнительное
В узле: 1
17
37.1141074
Ввертыш
В узле: 1
18
236-1106288-В
Насос топливопрокачивающий в сборе
В узле: 1
19
236-1106298-Е
Поршень насоса в сборе
В узле: 1
20
236-1106314-В
Рукоятка
В узле: 1
21
236-1106342
Колпачок защитный
В узле: 1
22
236-1110479
Кольцо уплотнительное
В узле: 1
23
2531113053
Кольцо 006-010-25-2-1
В узле: 1
24
236-1106306-Б
Кольцо
В узле: 1
25
236-1106324-Г
Корпус цилиндра
В узле: 1
26
236-1106292-Е
Цилиндр топливоподкачивающего насоса
В узле: 1
27
37.1141079
Кольцо
В узле: 1
28
37.1141024
Корпус
В узле: 1
Содержащиеся в справочниках-каталогах запасные части и детали не предлагаются к продаже, а носят исключительно информационный характер

Ваша заявка была отправлена. В ближайшее время наши специалисты с Вами свяжутся по указанному Вами телефону.

Представьтесь
Поле обязательно для заполнения
Ваш телефон
Введите правильный номер телефона
E-mail
Введите правильный e-mail
Тема
Тема
применяемость финансирование доставка цена, наличие другое сервис и гарантия
Время для звонка
08:00
08:00 09:00 10:00 11:00 12:00 13:00 14:00 15:00 16:00 17:00 18:00 19:00
19:00
08:00 09:00 10:00 11:00 12:00 13:00 14:00 15:00 16:00 17:00 18:00 19:00

Мы постараемся перезвонить в указанное время

Если вы не хотите ждать, то звоните нашим вежливым консультантам:

8 800 100-2-700
Подтвердите, что вы не робот
Подтвердите, что вы не робот
Спасибо!

Ваше сообщение успешно отправлено!

ЗакрытьПовторить попытку