Каталог запасных частей к технике: ЯЗДА ТНВД-363, 373. Корпус регулятора

zoom-in zoom-out enlarge shrink circle-right circle-left file-text2 info cart arraw right arraw left zoom out zoom in arraw maximize arraw minimize
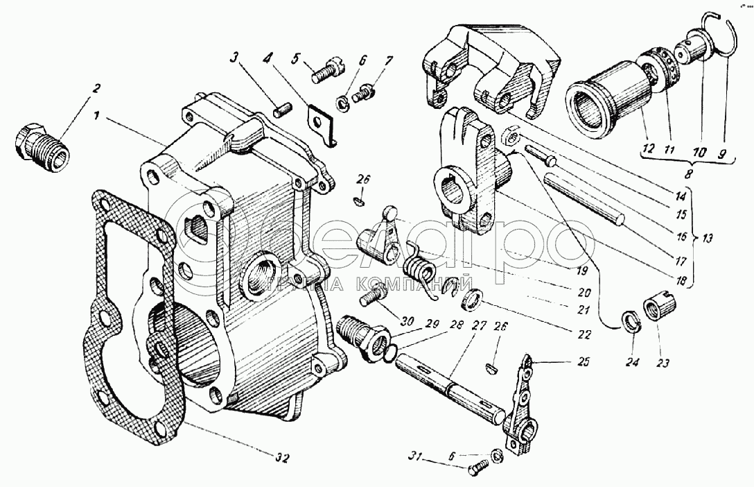
92.1110140-40
1
2
3
4
5
6
6
7
8
9
10
11
12
13
14
14
15
16
17
18
19
20
21
22
23
24
25
26
26
27
28
29
30
31
32
92.1110140-40
Корпус регулятора в сборе
В узле: 1
1
92.1110144-30
Корпус регулятора
В узле: 1
2
92.1110189
Втулка
В узле: 1
3
870770
Штифт 6х16
В узле: 2
4
92.1110445
Планка
В узле: 1
5
320.22019
Винт М6
В узле: 2
6
1/05164/77
Шайба пружинная 6
В узле: 2
7
220102-П29
Винт М6х10
В узле: 1
8
92.1110040
Муфта грузов в сборе
В узле: 1
9
92.1110067
Кольцо пружинное муфты
В узле: 1
10
92.1110065
Стакан упорный
В узле: 1
11
92.1110962 ДС
Подшипник 8102К
В узле: 1
12
92.1110044
Муфта грузов
В узле: 1
13
92.1110300-21
Державка грузов в сборе
В узле: 1
14
92.1110320-21
Груз регулятора с осью сухаря в сборе
В узле: 2
14
92.1110324-21
Груз регулятора
В узле: 2
15
92.1110328-01
Сухарь
В узле: 2
16
92.1110326
Ось сухаря
В узле: 2
17
92.1110306-20
Ось груза регулятора
В узле: 2
18
92.1110304-21
Державка грузов
В узле: 1
19
92.1110505
Рычаг выключения подачи
В узле: 1
20
92.1110509
Пружина возвратная рычага останова
В узле: 1
21
1/10879/76
Шайба стопорная 7
В узле: 1
22
92.1110199
Шайба распорная
В узле: 1
23
320.88335
Гайка кольцевая
В узле: 1
24
252157-П2
Шайба пружинная
В узле: 1
25
92.1110375-10
Рычаг останова
В узле: 1
26
314003-П
Шпонка
В узле: 2
27
92.1110371
Вал рычага останова
В узле: 1
28
236-1110394
Кольцо уплотнительное
В узле: 1
29
92.1110188
Втулка
В узле: 1
30
320-88163
Винт М8
В узле: 4
31
1/09022/21
Болт М6х16
В узле: 1
32
92.1110148-11
Прокладка корпуса регулятора
В узле: 1
Содержащиеся в справочниках-каталогах запасные части и детали не предлагаются к продаже, а носят исключительно информационный характер

Ваша заявка была отправлена. В ближайшее время наши специалисты с Вами свяжутся по указанному Вами телефону.

Представьтесь
Поле обязательно для заполнения
Ваш телефон
Введите правильный номер телефона
E-mail
Введите правильный e-mail
Тема
Тема
применяемость финансирование доставка цена, наличие другое сервис и гарантия
Время для звонка
08:00
08:00 09:00 10:00 11:00 12:00 13:00 14:00 15:00 16:00 17:00 18:00 19:00
19:00
08:00 09:00 10:00 11:00 12:00 13:00 14:00 15:00 16:00 17:00 18:00 19:00

Мы постараемся перезвонить в указанное время

Если вы не хотите ждать, то звоните нашим вежливым консультантам:

8 800 100-2-700
Подтвердите, что вы не робот
Подтвердите, что вы не робот
Спасибо!

Ваше сообщение успешно отправлено!

ЗакрытьПовторить попытку