Каталог запасных частей к технике: ЯЗДА ТНВД-363, 373. Корпус топливного насоса высокого давления

zoom-in zoom-out enlarge shrink circle-right circle-left file-text2 info cart arraw right arraw left zoom out zoom in arraw maximize arraw minimize
773.1111010-02
773.1111005-20.05Э
1
2
3
4
5
5
5
5
5
5
5
5
5
5
5
5
5
6
7
8
9
10
11
12
13
14
15
16
17
18
19
20
21
22
23
24
25
26
27
27
27
27
27
28
28
29
30
30
31
32
33
34
35
36
37
38
39
40
41
42
43
44
45
46
47
48
49
50
51
51
52
53
54
55
56
57
58
59
60
61
61
62
63
64
65
66
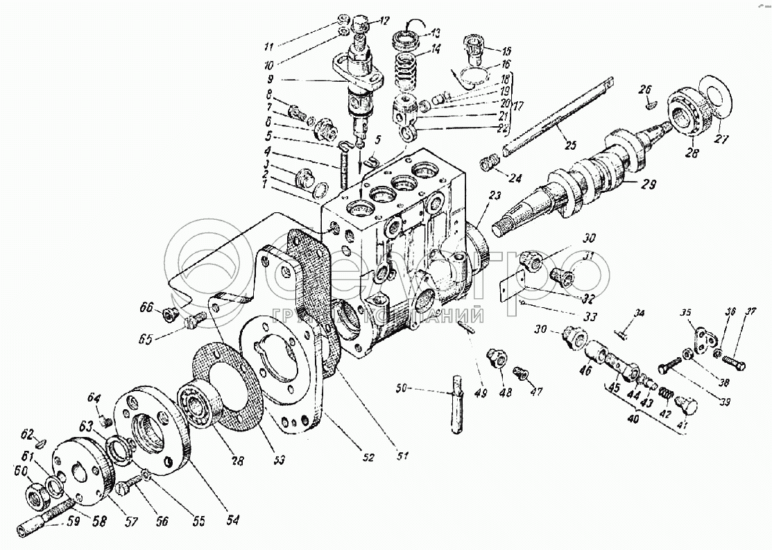
773.1111010-02
Насос топливный высокого давления в сборе
В узле: 1
37.1111196
Кольцо транспортное
В узле: 1
363.1111070
Крышка подшипника с манжетой в сборе
В узле: 1
773.1111330
Полумуфта привода в сборе
В узле: 1
773.1111005-20.05Э
Насос топливный высокого давления с регулятором частоты вращения и муфтой привода в сборе
В узле: 1
1
773.1111025-01
Корпус насоса
В узле: 1
2
33.110961
Прокладка
В узле: 1
3
320-88802
Пробка М20
В узле: 1
4
320-88226
Шпилька
В узле: 8
5
37.1111392
Шайба регулировочная
В узле: 8
5
37.1111390
Шайба регулировочная
В узле: 8
5
37.1111389
Шайба регулировочная
В узле: 8
5
37.1111388
Шайба регулировочная
В узле: 8
5
37.1111386
Шайба регулировочная тол. 0,6 мм
В узле: 8
5
37.1111380
Шайба регулировочная тол. 0,05 мм
В узле: 8
5
37.1111381
Шайба регулировочная тол. 0,1 мм
В узле: 8
5
37.1111382
Шайба регулировочная тол. 0,2 мм
В узле: 8
5
37.1111383
Шайба регулировочная тол. 0,3 мм
В узле: 8
5
37.1111384
Шайба регулировочная тол. 0,4 мм
В узле: 8
5
37.1111385
Шайба регулировочная тол. 0,5 мм
В узле: 8
5
37.1111387
Шайба регулировочная тол. 0,7 мм
В узле: 8
6
363.1111267
Ввертыш
В узле: 1
7
320.88700
Прокладка 6х10х1
В узле: 1
8
37.1111166
Винт М6
В узле: 1
9
363.1111039
Секция топливного насоса в сборе
В узле: 4
10
320.88696
Шайба 8
В узле: 8
11
1/61008/21
Гайка М8
В узле: 8
12
852831-П
Заглушка штуцера (транспортная)
В узле: 4
13
37.1111134
Тарелка
В узле: 4
14
771.1111138
Пружина толкателя
В узле: 4
15
771.1111174
Втулка поворотная
В узле: 4
16
37.1111137
Кольцо запорное
В узле: 4
17
37.1111110
Толкатель в сборе
В узле: 4
18
37.1111115
Кольцо запорное
В узле: 4
19
37.1111124
Ось
В узле: 4
20
37.1111122
Втулка
В узле: 4
21
37.1111114
Толкатель
В узле: 4
22
37.1111118
Ролик толкателя
В узле: 4
23
771.1111086
Втулка
В узле: 1
24
36.1111182-01
Втулка рейки
В узле: 1
25
773.1111184
Рейки
В узле: 1
26
45 9823 0257
Шпонка 3х6,5
В узле: 1
27
320.88702
Шайба 45 регулировочная толщ. 0,05 мм
В узле: 2
27
320.88706
Шайба 45 регулировочная толщ. 1,0 мм
В узле: 2
27
320.88705
Шайба 45 регулировочная толщ. 0,5 мм
В узле: 2
27
320.88704
Шайба 45 регулировочная толщ. 0,2 мм
В узле: 2
27
320.88703
Шайба 45 регулировочная толщ. 0,1 мм
В узле: 2
28
332.1111088
Подшипник 6-7205А
В узле: 2
29
773.1111055
Вал кулачковый
В узле: 1
30
37.1106182
Ввертыш
В узле: 2
31
37.1111930
Заглушка транспортная
В узле: 1
32
773.3904016-20.05Э
Табличка
В узле: 1
33
33.1111910
Гвоздь нарезной
В узле: 2
34
37.1111188
Винт
В узле: 1
35
774.1111198
Кронштейн
В узле: 1
36
1/05164/77
Шайба пружинная 6
В узле: 2
37
1/09022/21
Болт М6х16
В узле: 2
38
1/58962/11
Гайка М6
В узле: 1
39
1/09026/21
Болт М6х25
В узле: 1
40
37.1111140
Клапан перепускной в сборе
В узле: 1
41
320.88804
Пробка М10
В узле: 1
42
338.1111148
Пружина
В узле: 1
43
37.1111144
Клапан
В узле: 1
44
1/02602/60
Прокладка 10х14х1
В узле: 1
45
37.1111142
Корпус клапана
В узле: 1
46
33.1111306-01
Заглушка
В узле: 1
47
37.1111936
Колпак защитный (транспортный)
В узле: 1
48
37.1111267
Ввертыш
В узле: 1
49
320-88613
Штифт
В узле: 2
50
320.88236
Шпилька
В узле: 2
51
773.1111027
Прокладка
В узле: 1
51
773.1111027-01
Прокладка
В узле: 1
52
773.1111028
Фланец
В узле: 1
53
363.1111076
Прокладка
В узле: 1
54
363.1111074
Крышка
В узле: 1
55
1/05166/77
Шайба Ф8
В узле: 4
56
320.88165
Винт М8х30
В узле: 4
57
773.1111332-01
Полумуфта
В узле: 1
58
320-23004
Шпилька
В узле: 3
59
36.1111914
Трубка защитная транспортная
В узле: 3
60
320-24001
Гайка М18
В узле: 1
61
320-88753
Шайба пружинная
В узле: 1
61
320-88749
Шайба
В узле: 1
62
320-88978
Шпонка 5х7,5
В узле: 1
63
332.1111090-10
Манжета с пружиной в сборе
В узле: 1
64
320.36007
Заглушка
В узле: 1
65
320.88163
Винт М8х14
В узле: 2
66
363.1111032
Ввертыш
В узле: 2
Содержащиеся в справочниках-каталогах запасные части и детали не предлагаются к продаже, а носят исключительно информационный характер

Ваша заявка была отправлена. В ближайшее время наши специалисты с Вами свяжутся по указанному Вами телефону.

Представьтесь
Поле обязательно для заполнения
Ваш телефон
Введите правильный номер телефона
E-mail
Введите правильный e-mail
Тема
Тема
применяемость финансирование доставка цена, наличие другое сервис и гарантия
Время для звонка
08:00
08:00 09:00 10:00 11:00 12:00 13:00 14:00 15:00 16:00 17:00 18:00 19:00
19:00
08:00 09:00 10:00 11:00 12:00 13:00 14:00 15:00 16:00 17:00 18:00 19:00

Мы постараемся перезвонить в указанное время

Если вы не хотите ждать, то звоните нашим вежливым консультантам:

8 800 100-2-700
Подтвердите, что вы не робот
Подтвердите, что вы не робот
Спасибо!

Ваше сообщение успешно отправлено!

ЗакрытьПовторить попытку