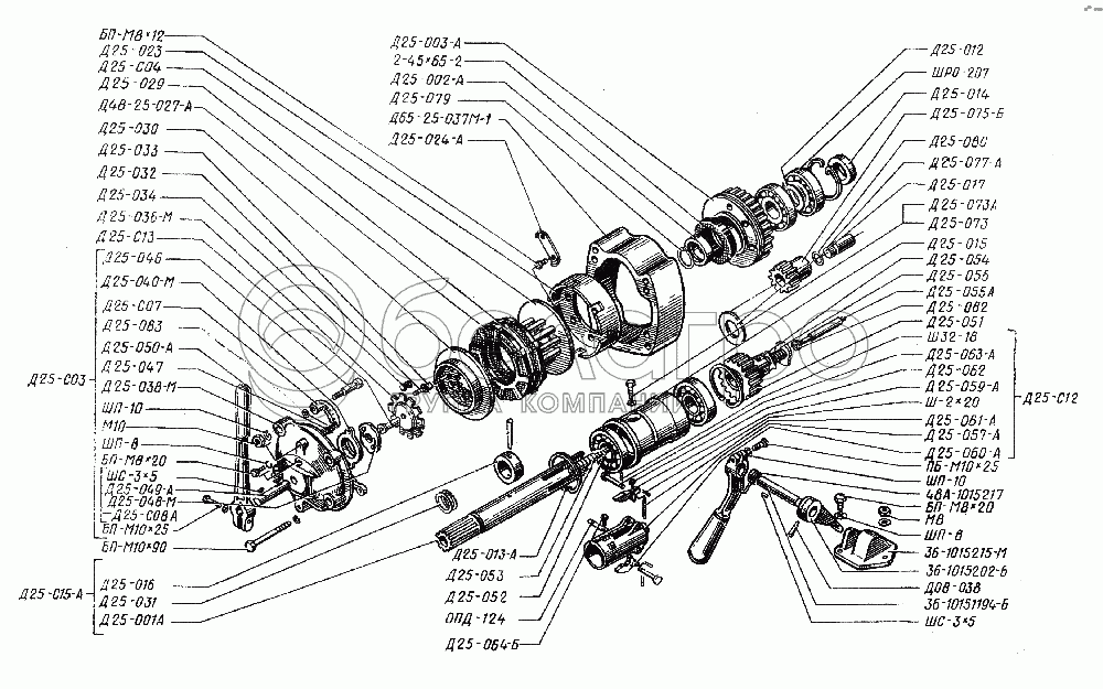
Каталог запасных частей к технике: ЮМЗ Д-65. Механизм передачи пускового двигателя

zoom-in zoom-out enlarge shrink circle-right circle-left file-text2 info cart arraw right arraw left zoom out zoom in arraw maximize arraw minimize
Д25-063А
Д25-083
Д25-082
Д25-080
Д25-079
Д25-077А
Д25-075Б
Д25-073Л
Д25-073
Д25-064Б
Д08-038
Д25-062
Д25-061А
Д25-060А
Д25-059А
Д25-057А
Д25-056
Д25-055А
Д25-054
Д25-053
Д25-052
М8
2-45х65-2
ШР0-207
Ш-2х20
Ш-8
Ш-8
М10
Д25-051
М10х90
М10х25
М10х25
М8х20
М8х12
М8х12
48А-1015217
36-1015215М
36-1015202Б
36-1015194Б
0ПД-124
Д25-С15А
Д25-014
Д25-013А
Д25-012
Д25-003А
Д25-002А
Д25-001А
Д25-015
Д25-С13
Д25-С12
Д25-С08А
Д25-С07
Д25-С04
Д25-С03
Д25-033
Д25-050А
Д25-049А
Д25-048М
Д25-047
Д25-046
Д25-040М
Д25-038М
Д65-25-037М-1
Д25-036М
Д25-034
Д25-032
Д25-031
Д25-030
Д25-029
Д48-25-027А
Д25-024А
Д25-023
Д25-017
Д25-016
Д25-063А
Ось грузов
В узле: 2
Д25-099
Штифт
В узле: 1
Д25-083
Шайба
В узле: 2
Д25-082
Шайба
В узле: 1
Д25-080
Кольцо уплотнительное
В узле: 1
Д25-079
Кольцо стопорное
В узле: 1
Д25-077А
Палец
В узле: 1
Д25-075Б
Зубчатое колесо
В узле: 1
Д25-073Л
Болт
В узле: 1
Д25-073
Болт стопорный
В узле: 1
Д25-064Б
Болт
В узле: 4
Д08-038
Штифт с канавками
В узле: 1
Д25-062
Упор пружины
В узле: 1
Д25-061А
Пружина
В узле: 1
Д25-060А
Груз бендикса
В узле: 1
Д25-059А
Груз бендикса
В узле: 1
Д25-057А
Корпус грузов
В узле: 1
Д25-056
Гайка бендикса в сборе
В узле: 1
Д25-055А
Толкатель
В узле: 1
Д25-054
Шайба замковая
В узле: 1
Д25-053
Пружина толкателя большая
В узле: 1
Д25-052
Пружина толкателя малая
В узле: 1
М8
Гайка
В узле: 1
2-45х65-2
Манжета
В узле: 1
ШР0-207
Подшипник
В узле: 4
ША-10
Шарик диаметром 10Н ГОСТ 3722-60
В узле: 1
ША-8
Шарик
В узле: 2
2-4х10
Заклепка
В узле: 6
2-4х10
Заклепка
В узле: 6
1-3,2х18
Шплинт
В узле: 6
Ш-2х20
Шплинт
В узле: 1
Ш-8
Шайба
В узле: 2
М10
Гайка
В узле: 2
Д25-051
Шестерня стартерная
В узле: 1
М10х90
Болт
В узле: 4
М10х35
Болт
В узле: 4
М10х25
Болт
В узле: 1
М8х20
Болт
В узле: 2
М8х12
Болт
В узле: 6
48А-1015217
Пружина
В узле: 1
36-1015215М
Крышка
В узле: 1
36-1015202Б
Поводок
В узле: 1
36-1015194Б
Валик
В узле: 1
0ПД-124
Замок
В узле: 2
Д25-С15А
Вал
В узле: 1
Д25-014
Кольцо вала дистанционное
В узле: 1
Д25-013А
Кольцо
В узле: 3
Д25-012
Шайба дистанционная
В узле: 1
Д25-003А
Зубчатое колесо
В узле: 1
Д25-002А
Кольцо
В узле: 1
Д25-001А
Вал
В узле: 1
Д65-1015190-А
Рычаг привода бендикса в сборе
В узле: 1
Д25-С21
Рычаг
В узле: 1
Д25-С19
Рычаг сцепления в сборе
В узле: 1
Д25-С17
Тяга бендикса в сборе
В узле: 1
Д25-015
Стакан шарикоподшипников
В узле: 1
Д25-С13Т
Зубчатое колесо
В узле: 1
Д25-С13
Штифт нажимного диска центробежный в сборе
В узле: 1
Д25-С12
Корпус грузов бендикса в сборе
В узле: 1
Д25-С08А
Башмак
В узле: 1
Д25-С07
Колодка тормоза в сборе
В узле: 2
Д25-С04
Диск сцепления подвижной в сборе
В узле: 1
Д65-25-С03
Крышка кожуха сцепления в сборе
В узле: 1
Д25-С03
Крышка
В узле: 1
Д25-С02
Вал с муфтой
В узле: 1
Д25-С01
Механизм передачи ПД
В узле: 1
Д25-033
Стакан пружины
В узле: 10
Д25-050А
Рукоятка
В узле: 1
Д25-049А
Палец
В узле: 1
Д25-048М
Башмак
В узле: 1
Д25-047
Пружина колодки
В узле: 2
Д25-046
Палец колодки
В узле: 2
Д25-040М
Башмак
В узле: 1
Д25-038М
Крышка
В узле: 1
Д65-25-037М-1
Обечайка
В узле: 1
Д25-036М
Диск
В узле: 1
Д25-034
Гайка пружины
В узле: 10
Д65-1015101
Механизм передачи
В узле: 1
Д25-032
Пружина сцепления
В узле: 10
Д25-031
Кольцо диска стопорное
В узле: 2
Д25-030
Диск сцеплений упорный
В узле: 1
Д25-029
Диск сцепления ведомый
В узле: 1
Д48-25-027А
Диск
В узле: 2
Д25-024А
Шайба
В узле: 3
Д25-023
Барабан сцепления
В узле: 1
Д25-017
Заглушка стакана
В узле: 1
Д25-016
Кольцо вала упорное
В узле: 1
Содержащиеся в справочниках-каталогах запасные части и детали не предлагаются к продаже, а носят исключительно информационный характер

Ваша заявка была отправлена. В ближайшее время наши специалисты с Вами свяжутся по указанному Вами телефону.

Представьтесь
Поле обязательно для заполнения
Ваш телефон
Введите правильный номер телефона
E-mail
Введите правильный e-mail
Тема
Тема
применяемость финансирование доставка цена, наличие другое сервис и гарантия
Время для звонка
08:00
08:00 09:00 10:00 11:00 12:00 13:00 14:00 15:00 16:00 17:00 18:00 19:00
19:00
08:00 09:00 10:00 11:00 12:00 13:00 14:00 15:00 16:00 17:00 18:00 19:00

Мы постараемся перезвонить в указанное время

Если вы не хотите ждать, то звоните нашим вежливым консультантам:

8 800 100-2-700
Подтвердите, что вы не робот
Подтвердите, что вы не робот
Спасибо!

Ваше сообщение успешно отправлено!

ЗакрытьПовторить попытку