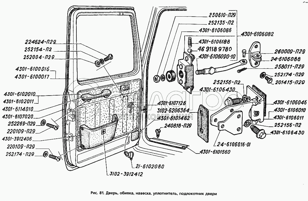
Каталог запасных частей к технике: ГАЗ-3306. Дверь, обивка, навеска, уплотнитель, подлокотник двери

zoom-in zoom-out enlarge shrink circle-right circle-left file-text2 info cart arraw right arraw left zoom out zoom in arraw maximize arraw minimize
4301-6107020
260009-П29
4301-6106011
4301-6106010
21-6102080
24-6106016-01
4301-6114010
4301-6106046
4301-6106188
4301-6106090-10
3102-6206364
252156-П2
252156-П2
252004-П29
252174-П29
252174-П29
252269-П29
252154-П2
252135-П2
46 9118 9780
258011-П29
4301-3912406
4301-6100016
201415-П29
4301-6106086
240818-П29
224624-П29
220109-П29
220109-П29
250610-П29
4301-6100017
4301-6106430
4301-6106430
4301-6107126
24-6106088
4301-6101462
3102-3912412
4301-6102011
4301-6102010
4301-6101560
4301-6106082
4301-6107020
Уплотнитель
В узле: 2
260009-П29
Палец 6х14 ОСТ 37.001.163-97
В узле: 2
4301-6106011
Петля левая
В узле: 2
4301-6106010
Петля правая
В узле: 2
21-6102080
Пистон крепления обивки в сборе
В узле: 31
24-6106016-01
Пластина крепления петли к двери
В узле: 4
4301-6114010
Подлокотник двери в сборе
В узле: 2
4301-6106046
Прокладка
В узле: 4
4301-6106188
Пружина стопора ограничителя
В узле: 4
4301-6106090-10
Рычаг ограничителя
В узле: 2
3102-6206364
Уплотнитель петли
В узле: 4
А55-6106004
Ось петли
В узле: 1
252156-П2
Шайба 10Л ОСТ 37.001.115-75
В узле: 64
252004-П29
Шайба 6 ОСТ 37.001.144-96
В узле: 89
252174-П29
Шайба 2-6 ОСТ 37.001.145-75
В узле: 6
252269-П29
Шайба 6 ОСТ 37.001.145-75
В узле: 4
252154-П2
Шайба 6Л ОСТ 37.001.115-75
В узле: 105
252135-П2
Шайба 8Т ОСТ 37.001.115-75
В узле: 139
46 9118 9780
Шарик Б9, 525-200
В узле: 4
258011-П29
Шплинт 2х10 ОСТ 37.001.171-93
В узле: 4
4301-3912406
Ящик аптечки
В узле: 1
4301-6100016
Дверь с петлями правая
В узле: 1
201415-П29
Болт М6-6gх10 ОСТ 37.001.123-96
В узле: 41
4301-6106086
Буфер ограничителя двери в сборе
В узле: 2
240818-П29
Винт 4х12 ОСТ 37.001.188-81
В узле: 6
224624-П29
Винт М6-6gх14 ОСТ 37.001.130-81
В узле: 9
220109-П29
Винт М6-6gх25 ОСТ 37.001.127-81
В узле: 8
А13-6106002
Втулка
В узле: 2
250610-П29
Гайка М8-6Н ОСТ 37.001.124-93
В узле: 21
4301-6100019
Дверь левая (бондеризованная, грунтованная)
В узле: 1
4301-6100018
Дверь правая (бондеризованная, грунтованная)
В узле: 1
4301-6100017
Дверь с петлями левая
В узле: 1
4301-6106430
Болт М10х30
В узле: 24
4301-6107126
Кант проема двери в сборе
В узле: 2
БВ3-6106101
Детали для ремонта петель дверей (комплект)
В узле: 1
24-6106088
Кронштейн ограничителя
В узле: 2
4301-6101462
Крышка петельного люка
В узле: 2
3102-3912412
Накладка
В узле: 1
4301-6102011
Облицовка двери с пистонами левая
В узле: 1
4301-6102010
Облицовка двери с пистонами правая
В узле: 1
4301-6101560
Облицовка порога
В узле: 2
4301-6106082
Ограничитель двери в сборе
В узле: 2
Содержащиеся в справочниках-каталогах запасные части и детали не предлагаются к продаже, а носят исключительно информационный характер

Ваша заявка была отправлена. В ближайшее время наши специалисты с Вами свяжутся по указанному Вами телефону.

Представьтесь
Поле обязательно для заполнения
Ваш телефон
Введите правильный номер телефона
E-mail
Введите правильный e-mail
Тема
Тема
применяемость финансирование доставка цена, наличие другое сервис и гарантия
Время для звонка
08:00
08:00 09:00 10:00 11:00 12:00 13:00 14:00 15:00 16:00 17:00 18:00 19:00
19:00
08:00 09:00 10:00 11:00 12:00 13:00 14:00 15:00 16:00 17:00 18:00 19:00

Мы постараемся перезвонить в указанное время

Если вы не хотите ждать, то звоните нашим вежливым консультантам:

8 800 100-2-700
Подтвердите, что вы не робот
Подтвердите, что вы не робот
Спасибо!

Ваше сообщение успешно отправлено!

ЗакрытьПовторить попытку