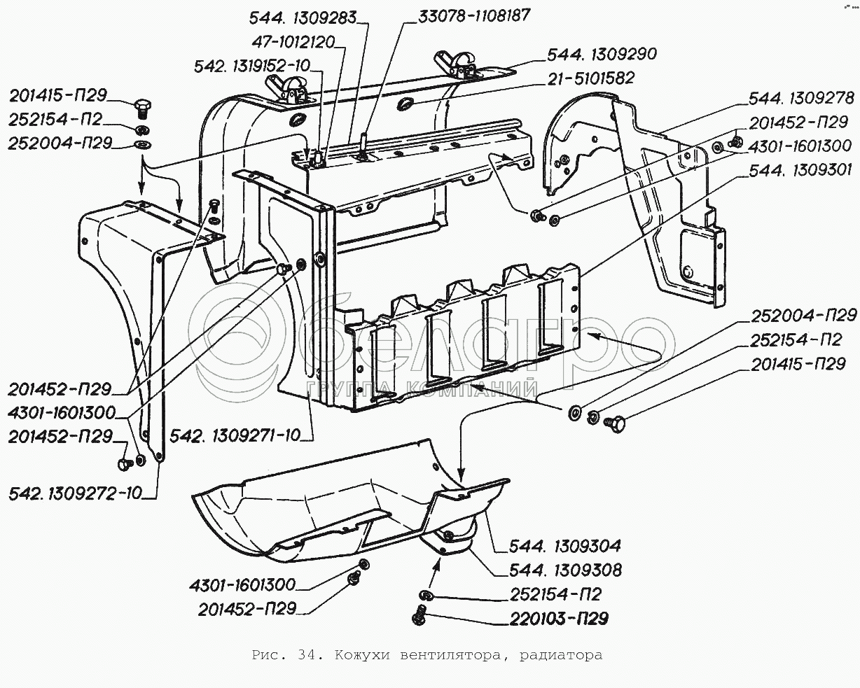
Каталог запасных частей к технике: ГАЗ-3306. Кожухи вентилятора, радиатора

zoom-in zoom-out enlarge shrink circle-right circle-left file-text2 info cart arraw right arraw left zoom out zoom in arraw maximize arraw minimize
544-1309304
4301-1601300
4301-1601300
4301-1601300
252154-П2
252154-П2
252154-П2
252004-П29
252004-П29
542.1319152-10
544-1309283
33078-1108187
542.1309271-10
542.1309272-10
201415-П29
201415-П29
544-1309290
544-1309278
21-5101582
544-1309308
544-1309301
47-1012120
220103-П29
201452-П29
201452-П29
201452-П29
201452-П29
544-1309304
Кожух нижний
В узле: 1
4301-1601300
Шайба пружинная коническая
В узле: 112
252154-П2
Шайба 6Л ОСТ 37.001.115-75
В узле: 105
252004-П29
Шайба 6 ОСТ 37.001.144-96
В узле: 89
542.1319152-10
Труба воздухозаборная
В узле: 1
544-1309283
Пластина
В узле: 1
33078-1108187
Наконечник регулировочный
В узле: 1
542.1309271-10
Кожух радиатора задний
В узле: 1
542.1309272-10
Кожух радиатора передний
В узле: 1
201415-П29
Болт М6-6gх10 ОСТ 37.001.123-96
В узле: 41
544-1309290
Кожух вентилятора
В узле: 1
544-1309278
Кожух вентилятора
В узле: 1
21-5101582
Заглушка
В узле: 2
544-1309308
Заглушка
В узле: 1
544-1309301
Дефлектор левый
В узле: 1
47-1012120
Втулка
В узле: 1
220103-П29
Винт М6-6gх12 ОСТ 37.001.127-81
В узле: 1
201452-П29
Болт М8-6gх12 ОСТ 37.001.123-96
В узле: 18
Содержащиеся в справочниках-каталогах запасные части и детали не предлагаются к продаже, а носят исключительно информационный характер

Ваша заявка была отправлена. В ближайшее время наши специалисты с Вами свяжутся по указанному Вами телефону.

Представьтесь
Поле обязательно для заполнения
Ваш телефон
Введите правильный номер телефона
E-mail
Введите правильный e-mail
Тема
Тема
применяемость финансирование доставка цена, наличие другое сервис и гарантия
Время для звонка
08:00
08:00 09:00 10:00 11:00 12:00 13:00 14:00 15:00 16:00 17:00 18:00 19:00
19:00
08:00 09:00 10:00 11:00 12:00 13:00 14:00 15:00 16:00 17:00 18:00 19:00

Мы постараемся перезвонить в указанное время

Если вы не хотите ждать, то звоните нашим вежливым консультантам:

8 800 100-2-700
Подтвердите, что вы не робот
Подтвердите, что вы не робот
Спасибо!

Ваше сообщение успешно отправлено!

ЗакрытьПовторить попытку