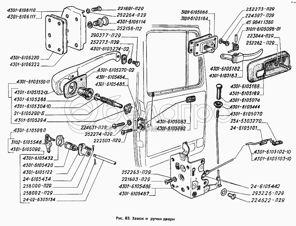
Каталог запасных частей к технике: ГАЗ-3306. Замок и ручки две

zoom-in zoom-out enlarge shrink circle-right circle-left file-text2 info cart arraw right arraw left zoom out zoom in arraw maximize arraw minimize
4301-6106111
21-6105290-Б
24-6105434
31011-6105098-01
4301-6105189
4301-6105188
4301-6105183
4301-6105150-11
4301-6105152-01
4301-6105182
24-02-6305134
4301-6105304-10
4301-6105070
4301-6105103-10
4301-6105102-10
4301-6105274-02
4301-6106110
4301-6105420
24-6105101
252156-П2
252262-П29
252273-П29
252273-П29
252263-П29
252274-П29
293226-П29
252264-П29
4301-6106114
258000-П29
258002-П29
45 9841 1360
4301-6105286
224597-П29
222503-П29
223044-П29
224622-П29
221603-П29
224631-П29
221691-П29
4301-6105444
4301-6105090
4301-6105080
23А-5303270
24-6105442
4301-6105432
3102-6105548
290377-П29
4301-6105122
4301-6105485
4301-6105484
4301-6105487
4301-6105486
4301-6105074
4301-6105294
31011-6105086
4301-6105083
4301-6105082
31011-6105184
4301-6106220
4301-6106222
4301-6105270-02
4301-6106111
Фиксатор замка двери левый
В узле: 1
21-6105290-Б
Пружина кнопки
В узле: 2
24-6105434
Пружина заслонки
В узле: 2
31011-6105098-01
Пружина привода
В узле: 2
4301-6105189
Розетка внутреннего привода левая
В узле: 1
4301-6105188
Розетка внутреннего привода правая
В узле: 1
4301-6105183
Ручка внутреннего привода левая
В узле: 1
4301-6105150-11
Ручка двери наружная в сборе
В узле: 2
4301-6105152-01
Ручка двери наружная
В узле: 2
4301-6105182
Ручка внутреннего привода правая
В узле: 1
24-02-6305134
Стержень выключателя
В узле: 2
4301-6105304-10
Толкатель кнопки наружной ручки двери
В узле: 2
4301-6105070
Тяга выключения замка двери
В узле: 2
4301-6105103-10
Тяга привода замка двери левая
В узле: 1
4301-6105102-10
Тяга правая привода замка двери
В узле: 1
4301-6105274-02
Прокладка наружной ручки двери малая
В узле: 2
4301-6106110
Фиксатор замка двери правый
В узле: 1
4301-6105420
Цилиндр выключателя замка двери в сборе
В узле: 1
24-6105101
Чехол тяги
В узле: 2
252156-П2
Шайба 10Л ОСТ 37.001.115-75
В узле: 64
252262-П29
Шайба 2-5 ОСТ 37.001.147-75
В узле: 6
252273-П29
Шайба 5 ОСТ 37.001.146-75
В узле: 10
252263-П29
Шайба 2-6 ОСТ 37.001.147-75
В узле: 2
252274-П29
Шайба 6 ОСТ 37.001.146-75
В узле: 12
293226-П29
Шайба 6,5
В узле: 18
252264-П29
Шайба 2-8 ОСТ 37.001.147-75
В узле: 4
4301-6106114
Шип фиксатора
В узле: 2
258000-П29
Шплинт 1,6х10 ОСТ 37.001.171-93
В узле: 3
258002-П29
Шплинт 1,5х16
В узле: 2
45 9841 1360
Штифт 4х20
В узле: 3
4301-6105286
Кнопка наружной ручки двери
В узле: 2
224597-П29
Винт М5-6gх10 ОСТ 37.001.130-81
В узле: 8
222503-П29
Винт М5-6gх22 ОСТ 37.001.128-96
В узле: 2
223044-П29
Винт М5-6gх25 ОСТ 37.001.126-81
В узле: 2
224622-П29
Винт М6-6gх10 ОСТ 37.001.130-81
В узле: 22
221603-П29
Винт М6-6gх12 ОСТ 37.001.125-81
В узле: 2
224631-П29
Винт М6-6gх30 ОСТ 37.001.130-81
В узле: 8
221691-П29
Винт М8х1-6gх18 ОСТ 37.001.125-81
В узле: 4
4301-6105444
Втулка наконечника тяги выключения замка
В узле: 2
4301-6105090
Выключатель замка двери
В узле: 2
4301-6105080
Выключатель замка двери с ключами
В узле: 1
23А-5303270
Зажим тяги
В узле: 2
24-6105442
Зажим тяги
В узле: 4
4301-6105432
Заслонка выключателя замка двери
В узле: 1
3102-6105548
Ключи замка двери с кольцом
В узле: 1
290377-П29
Болт М5-6gх9
В узле: 18
4301-6105122
Корпус выключателя
В узле: 2
4301-6105485
Механизм запорный замка левый
В узле: 1
4301-6105484
Механизм запорный замка правый
В узле: 1
4301-6105487
Механизм рычажный замка левый
В узле: 1
4301-6105486
Механизм рычажный замка правый
В узле: 1
4301-6105074
Наконечник тяги выключения замка двери
В узле: 2
4301-6105294
Направляющая кнопки наружной ручки двери
В узле: 2
31011-6105086
Основание привода замка двери
В узле: 2
4301-6105083
Привод замка двери внутренний левый
В узле: 1
4301-6105082
Привод замка двери внутренний правый
В узле: 1
31011-6105184
Прокладка привода замка
В узле: 2
4301-6106220
Прокладка регулировочная
В узле: 2
4301-6106222
Прокладка регулировочная
В узле: 2
4301-6105270-02
Прокладка наружной ручки двери большая
В узле: 2
Содержащиеся в справочниках-каталогах запасные части и детали не предлагаются к продаже, а носят исключительно информационный характер

Ваша заявка была отправлена. В ближайшее время наши специалисты с Вами свяжутся по указанному Вами телефону.

Представьтесь
Поле обязательно для заполнения
Ваш телефон
Введите правильный номер телефона
E-mail
Введите правильный e-mail
Тема
Тема
применяемость финансирование доставка цена, наличие другое сервис и гарантия
Время для звонка
08:00
08:00 09:00 10:00 11:00 12:00 13:00 14:00 15:00 16:00 17:00 18:00 19:00
19:00
08:00 09:00 10:00 11:00 12:00 13:00 14:00 15:00 16:00 17:00 18:00 19:00

Мы постараемся перезвонить в указанное время

Если вы не хотите ждать, то звоните нашим вежливым консультантам:

8 800 100-2-700
Подтвердите, что вы не робот
Подтвердите, что вы не робот
Спасибо!

Ваше сообщение успешно отправлено!

ЗакрытьПовторить попытку