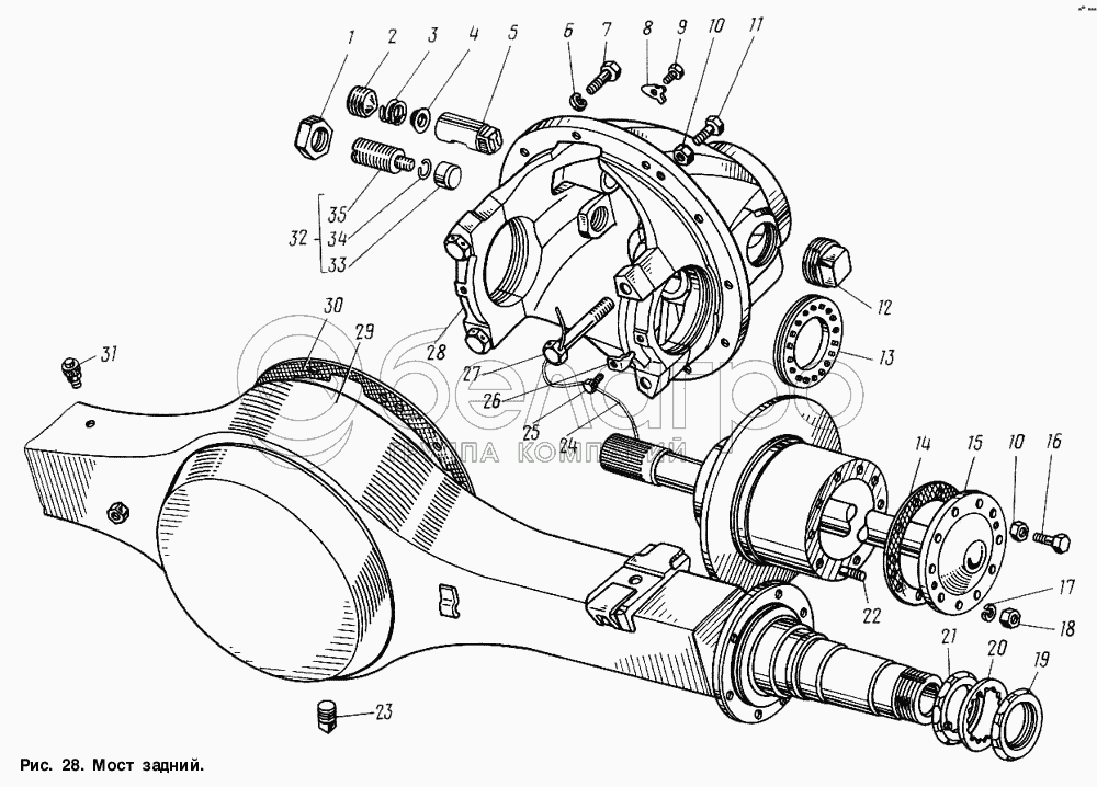
Каталог запасных частей к технике: ГАЗ-3307. Мост задний

zoom-in zoom-out enlarge shrink circle-right circle-left file-text2 info cart arraw right arraw left zoom out zoom in arraw maximize arraw minimize
1
2
3
4
5
6
7
8
9
10
10
11
12
13
14
15
16
17
18
19
20
21
22
23
24
24
25
26
27
28
29
30
31
32
33
34
35
53-2403130-02
Коробка сателлитов дифференциала заднего моста с болтами (комплект для запасных частей)
В узле: 1
53-2401005-01
Картер заднего моста в сборе (для запасных частей)
В узле: 1
53-12-2402165
Шестерня ведущая и ведомая (комплект)
В узле: 1
53-2400012-10
Мост задний с тормозами и ступицами в сборе
В узле: 1
53-2402010-11
Редуктор заднего моста в сборе (для запасных частей)
В узле: 1
1
292977-П29
Гайка М30х1,5-5Н6Н
В узле: 1
2
262521-П
Пробка КГ1"
В узле: 1
3
53-2402089
Пружина маслоприемной трубки
В узле: 1
4
53-2402088
Тарелка маслоприемной трубки
В узле: 1
5
53-2402086-А
Трубка
В узле: 1
6
252137-П2
Шайба 12.ОТ ОСТ 37.001.115-75
В узле: 10
7
291554-П29
Болт М12х1,25-6gх38
В узле: 10
8
53-2402087
Пластина стопорная
В узле: 1
9
201419-П29
Болт М6-6gх18 ОСТ 37.001.123-96
В узле: 1
10
250612-П29
Гайка М10-6Н ОСТ 37.001.124-93
В узле: 2
10
250612-П29
Гайка М10-6Н ОСТ 37.001.124-93
В узле: 4
11
201499-П29
Болт М10-6gх30 ОСТ 37.001.123-96
В узле: 2
12
262517-П
Пробка КГ 2"
В узле: 1
13
53-2403040
Гайка подшипника дифференциала
В узле: 2
14
53-2403048
Прокладка полуоси
В узле: 2
15
53-2403070-02
Полуось заднего моста
В узле: 2
16
201496-П8
Болт М10-6gх22
В узле: 4
17
252138-П2
Шайба 14.ОТ ОСТ 37.001.115-75
В узле: 20
18
292855-П8
Гайка М14х1,5 Сп
В узле: 20
19
53-2401052-01
Гайка подшипников
В узле: 2
20
51-2401050
Шайба стопорная гайки подшипника ступицы заднего колеса
В узле: 2
21
53-2401054-01
Гайка подшипников ступицы заднего колеса со штифтом в сборе
В узле: 2
22
291882-П8
Шпилька М14х1,5-Спх35
В узле: 20
23
296576-П29
Пробка КГ1/2"
В узле: 1
24
53-2403014-40
Дифференциал заднего моста в сборе (комплект для запасных частей)
В узле: 1
24
258288-П
Шплинт-проволока 1,6х350
В узле: 2
25
290606-П
Болт М8-6gх14
В узле: 2
26
53-2403044
Пластина стопорная гайки подшипника дифференциала
В узле: 2
27
291151-П
Болт М16-4hх105
В узле: 4
28
53-2402012-10
Картер редуктора заднего моста с крышками подшипников в сборе
В узле: 1
29
53-2401005
Картер заднего моста в сборе
В узле: 1
30
53-2402045
Прокладка картера редуктора заднего моста
В узле: 1
31
298430-П
Сапун в сборе
В узле: 1
32
53-2402078-10
Винт регулировочный упора ведомой шестерни главной пары заднего моста в сборе
В узле: 1
33
53-2402106-10
Втулка
В узле: 1
34
53А-2402115
Кольцо пружинное втулки упора ведомой шестерни
В узле: 1
35
53-2402079-10
Винт регулировочный упора ведомой шестерни
В узле: 1
Содержащиеся в справочниках-каталогах запасные части и детали не предлагаются к продаже, а носят исключительно информационный характер

Ваша заявка была отправлена. В ближайшее время наши специалисты с Вами свяжутся по указанному Вами телефону.

Представьтесь
Поле обязательно для заполнения
Ваш телефон
Введите правильный номер телефона
E-mail
Введите правильный e-mail
Тема
Тема
применяемость финансирование доставка цена, наличие другое сервис и гарантия
Время для звонка
08:00
08:00 09:00 10:00 11:00 12:00 13:00 14:00 15:00 16:00 17:00 18:00 19:00
19:00
08:00 09:00 10:00 11:00 12:00 13:00 14:00 15:00 16:00 17:00 18:00 19:00

Мы постараемся перезвонить в указанное время

Если вы не хотите ждать, то звоните нашим вежливым консультантам:

8 800 100-2-700
Подтвердите, что вы не робот
Подтвердите, что вы не робот
Спасибо!

Ваше сообщение успешно отправлено!

ЗакрытьПовторить попытку