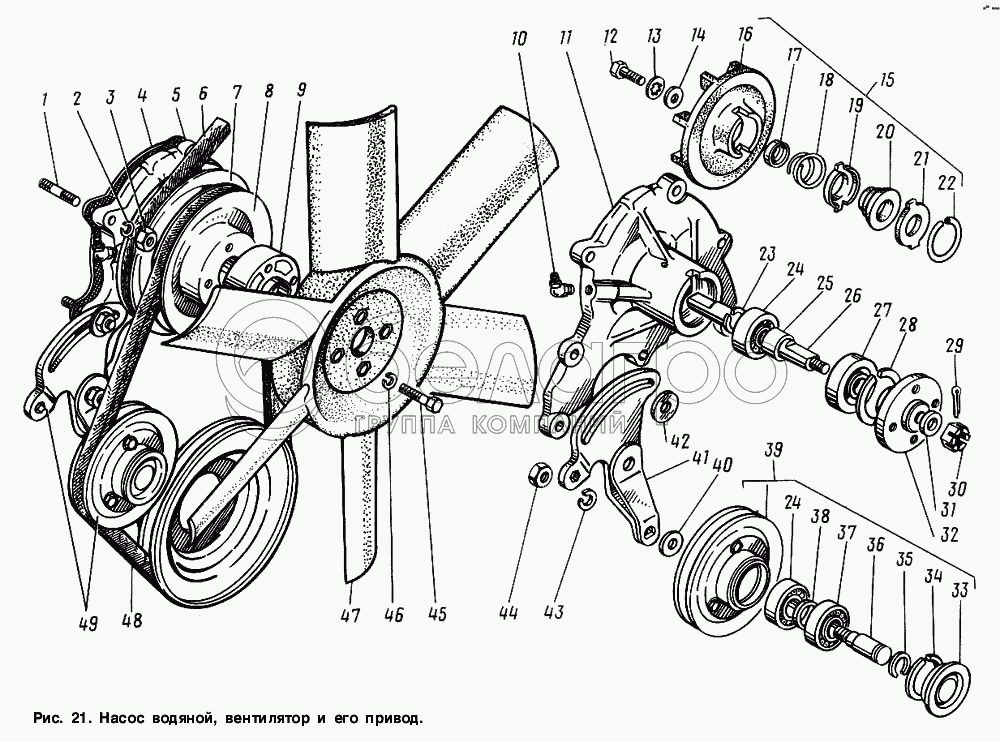
Каталог запасных частей к технике: ГАЗ-3307. Насос водяной, вентилятор и его привод

zoom-in zoom-out enlarge shrink circle-right circle-left file-text2 info cart arraw right arraw left zoom out zoom in arraw maximize arraw minimize
1
2
3
4
5
6
7
8
9
10
11
12
13
14
15
16
17
18
19
20
21
22
23
24
24
24
24
24
25
26
27
27
28
29
30
31
32
33
34
35
36
37
37
38
39
40
41
42
43
44
45
46
47
48
49
1
291747-П8
Шпилька М8х1-4hх22
В узле: 4
2
252155-П2
Шайба 8Л ОСТ 37.001.115-75
В узле: 4
3
250503-П8
Гайка М8х1-4Н5Н
В узле: 4
4
66-1307048-Б
Прокладка водяного насоса
В узле: 1
5
66-1307010-Б
Насос водяной в сборе
В узле: 1
6
321-1110227
Ремень привода насоса усилителя 1-8.5х8-833
В узле: 1
7
53-1307055
Шкив привода водяного насоса задний
В узле: 1
8
66-1308025-В
Шкив привода вентилятора передний
В узле: 1
9
53-1308032
Кольцо распорное вентилятора
В узле: 1
10
264030-П8
Пресс-масленка 2.3.45.Ц6
В узле: 1
11
66-1307015-Б
Корпус водяного насоса
В узле: 1
12
201238-П8
Болт М8-4hх14
В узле: 1
13
252175-П8
Шайба 8
В узле: 1
14
293277-П8
Шайба 8
В узле: 1
15
13-1307017-А
Крыльчатка и сальник водяного насоса в сборе
В узле: 1
16
13-1307032-Б
Крыльчатка в сборе
В узле: 1
17
11-8528-Б
Кольцо
В узле: 1
18
12-1307034-А2
Пружина
В узле: 1
19
13-1307052
Обойма сальника
В узле: 1
20
11-8515-А3
Манжета
В узле: 1
21
24-1307041-01
Шайба
В узле: 1
22
12-1307042
Кольцо стопорное
В узле: 1
23
53-1307029
Кольцо стопорное
В узле: 1
24
14-1307082-20
Подшипник 20703-К ГОСТ 520-71
В узле: 1
24
14-1307082-20
Подшипник 20703-К ГОСТ 520-71
В узле: 1
24
14-1307082-20
Подшипник 20703-К ГОСТ 520-71
В узле: 1
24
14-1307082-20
Подшипник 20703-К ГОСТ 520-71
В узле: 1
25
66-1307025
Втулка распорная
В узле: 1
26
13-1307023-Б
Валик водяного насоса
В узле: 1
27
20803-КУ
Подшипник водяного насоса передний
В узле: 1
27
20803-КУ
Подшипник водяного насоса передний
В узле: 1
28
66-1307028
Кольцо стопорное
В узле: 1
29
258038-П
Шплинт 2,7х15
В узле: 1
30
250976-П29
Гайка М10х1-6Н
В узле: 1
31
293300-П8
Шайба 10
В узле: 1
32
13-1307024
Ступица водяного насоса
В узле: 1
33
53-1308091-Б
Крышка
В узле: 1
34
321-3728634
Кольцо стопорное подшипников
В узле: 1
35
12-1307029
Кольцо стопорное подшипника
В узле: 1
36
53-1308087-Б
Ось натяжного ролика
В узле: 1
37
203
Подшипник передний в сборе
В узле: 1
37
203
Подшипник передний в сборе
В узле: 1
38
41-1307074
Шайба распорная подшипников натяжного ролика
В узле: 1
39
53-1308080-12
Ролик натяжной в сборе
В узле: 1
40
252007-П29
Шайба 12 ОСТ 37.001.144-96
В узле: 2
41
53-1308079-22
Кронштейн натяжного ролика в сборе
В узле: 1
42
252039-П29
Шайба 10 ОСТ 37.001.144-96
В узле: 1
43
252156-П2
Шайба 10Л ОСТ 37.001.115-75
В узле: 1
44
250612-П29
Гайка М10-6Н ОСТ 37.001.124-93
В узле: 1
45
201464-П29
Болт М8-6gх40
В узле: 4
46
252135-П2
Шайба 8Т ОСТ 37.001.115-75
В узле: 4
47
3307-1308010
Вентилятор в сборе
В узле: 1
48
53-1308020
Ремень привода водяного насоса
В узле: 1
49
53-1308067-05
Ролик натяжной с кронштейном в сборе
В узле: 1
Содержащиеся в справочниках-каталогах запасные части и детали не предлагаются к продаже, а носят исключительно информационный характер

Ваша заявка была отправлена. В ближайшее время наши специалисты с Вами свяжутся по указанному Вами телефону.

Представьтесь
Поле обязательно для заполнения
Ваш телефон
Введите правильный номер телефона
E-mail
Введите правильный e-mail
Тема
Тема
применяемость финансирование доставка цена, наличие другое сервис и гарантия
Время для звонка
08:00
08:00 09:00 10:00 11:00 12:00 13:00 14:00 15:00 16:00 17:00 18:00 19:00
19:00
08:00 09:00 10:00 11:00 12:00 13:00 14:00 15:00 16:00 17:00 18:00 19:00

Мы постараемся перезвонить в указанное время

Если вы не хотите ждать, то звоните нашим вежливым консультантам:

8 800 100-2-700
Подтвердите, что вы не робот
Подтвердите, что вы не робот
Спасибо!

Ваше сообщение успешно отправлено!

ЗакрытьПовторить попытку