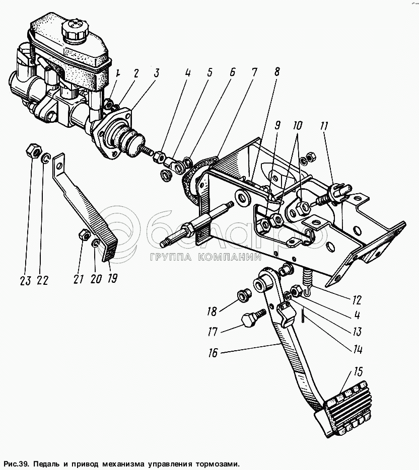
Каталог запасных частей к технике: ГАЗ-3307. Педаль и привод механизма управления тормозами

zoom-in zoom-out enlarge shrink circle-right circle-left file-text2 info cart arraw right arraw left zoom out zoom in arraw maximize arraw minimize
1
2
3
4
4
5
6
7
8
9
10
11
12
13
14
15
16
17
18
19
20
21
22
23
1
250512-П29
Гайка М10-6Н ОСТ 37.001.124-93
В узле: 3
2
252136-П2
Шайба 10 ОТ ОСТ 37.001.115-75
В узле: 3
3
66-11-3505010
Цилиндр главный тормозов в сборе
В узле: 1
4
250613-П29
Гайка 10х1-6Н
В узле: 1
5
3307-3504035
Проушина толкателя главного цилиндра
В узле: 1
6
21-3504039
Втулка оси толкателя
В узле: 2
7
3307-3504284
Прокладка
В узле: 1
8
45 9376 1167
Болт М10-6gх35
В узле: 3
9
2101-3720125
Наконечник выключателя сигнала торможения
В узле: 1
10
24-3720050
Гайка М12х1,5
В узле: 1
11
ВК412-3720000
Выключатель сигнала торможения в сборе (2101-3720000) (покупное изделие)
В узле: 1
12
М-7523-А
Пружина
В узле: 1
13
252156-П2
Шайба 10Л ОСТ 37.001.115-75
В узле: 1
14
258024-П29
Шплинт 2,5х16 ОСТ 37.001.171-93
В узле: 1
15
24-3504048
Накладка педалей
В узле: 1
16
3307-3504010
Педаль тормоза в сборе
В узле: 1
17
24-3504038-10
Ось толкателя педали
В узле: 1
18
13-3504023
Втулка оси педали тормоза
В узле: 2
19
3307-3504050
Кронштейн
В узле: 1
20
252155-П2
Шайба 8Л ОСТ 37.001.115-75
В узле: 1
21
250610-П29
Гайка М8-6Н ОСТ 37.001.124-93
В узле: 1
22
252157-П2
Шайба 12Л ОСТ 37.001.115-75
В узле: 1
23
250514-П29
Гайка М12-6Н ОСТ 37.001.124-93
В узле: 1
Содержащиеся в справочниках-каталогах запасные части и детали не предлагаются к продаже, а носят исключительно информационный характер

Ваша заявка была отправлена. В ближайшее время наши специалисты с Вами свяжутся по указанному Вами телефону.

Представьтесь
Поле обязательно для заполнения
Ваш телефон
Введите правильный номер телефона
E-mail
Введите правильный e-mail
Тема
Тема
применяемость финансирование доставка цена, наличие другое сервис и гарантия
Время для звонка
08:00
08:00 09:00 10:00 11:00 12:00 13:00 14:00 15:00 16:00 17:00 18:00 19:00
19:00
08:00 09:00 10:00 11:00 12:00 13:00 14:00 15:00 16:00 17:00 18:00 19:00

Мы постараемся перезвонить в указанное время

Если вы не хотите ждать, то звоните нашим вежливым консультантам:

8 800 100-2-700
Подтвердите, что вы не робот
Подтвердите, что вы не робот
Спасибо!

Ваше сообщение успешно отправлено!

ЗакрытьПовторить попытку