Каталог запасных частей к технике: ГАЗ-3307. Стеклоочиститель и привод

zoom-in zoom-out enlarge shrink circle-right circle-left file-text2 info cart arraw right arraw left zoom out zoom in arraw maximize arraw minimize
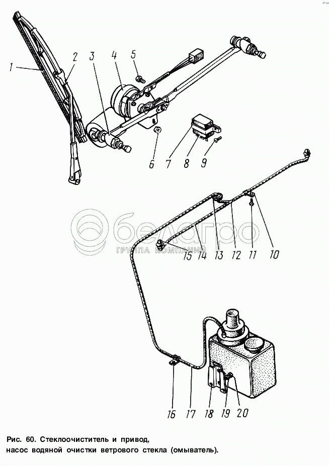
1
2
3
4
5
6
7
8
9
10
11
12
13
14
15
16
17
18
19
20
1102.5208000
Омыватель электрический
В узле: 1
1
20.5205900
Щетка стеклоочистителя в сборе
В узле: 2
2
20.5205800
Рычаг стеклоочистителя в сборе
В узле: 2
3
20.5205100
Привод стеклоочистителя в сборе (покупное изделие)
В узле: 1
4
20.5205010
Стеклоочиститель в сборе (покупное изделие)
В узле: 1
5
45 9376 1101
Болт М6-6gх12
В узле: 2
6
45 9553 1818
Гайка М6-6Н
В узле: 2
7
3307-5205354
Держатель
В узле: 1
8
52.3747010
Прерыватель стеклоочистителя в сборе (покупное изделие)
В узле: 1
9
224622-П29
Винт М6-6gх10 ОСТ 37.001.130-81
В узле: 1
10
51-3802040
Скоба
В узле: 4
11
240817-П29
Винт М4х10 ОСТ 37.001.188-81
В узле: 4
12
24-5208190-02
Тройник
В узле: 1
13
21-5208150
Втулка уплотнительная
В узле: 1
14
3307-5208096
Трубка
В узле: 2
15
11.5208500
Жиклер (покупное изделие)
В узле: 2
16
24-3724093
Скоба
В узле: 1
17
14-5208094
Трубка
В узле: 1
18
4301-5208116
Держатель бачка омывателя
В узле: 1
19
252134-П2
Шайба 6Т ОСТ 37.001.115-75
В узле: 2
20
201416-П29
Болт М6-6gх12 ОСТ 37.001.123-96
В узле: 2
Содержащиеся в справочниках-каталогах запасные части и детали не предлагаются к продаже, а носят исключительно информационный характер

Ваша заявка была отправлена. В ближайшее время наши специалисты с Вами свяжутся по указанному Вами телефону.

Представьтесь
Поле обязательно для заполнения
Ваш телефон
Введите правильный номер телефона
E-mail
Введите правильный e-mail
Тема
Тема
применяемость финансирование доставка цена, наличие другое сервис и гарантия
Время для звонка
08:00
08:00 09:00 10:00 11:00 12:00 13:00 14:00 15:00 16:00 17:00 18:00 19:00
19:00
08:00 09:00 10:00 11:00 12:00 13:00 14:00 15:00 16:00 17:00 18:00 19:00

Мы постараемся перезвонить в указанное время

Если вы не хотите ждать, то звоните нашим вежливым консультантам:

8 800 100-2-700
Подтвердите, что вы не робот
Подтвердите, что вы не робот
Спасибо!

Ваше сообщение успешно отправлено!

ЗакрытьПовторить попытку