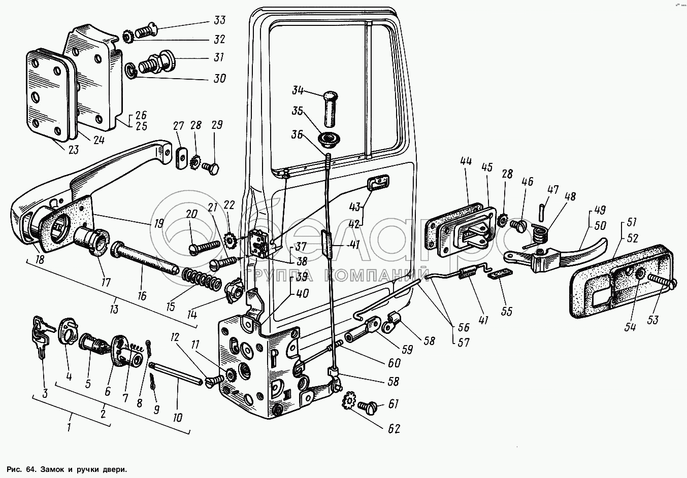
Каталог запасных частей к технике: ГАЗ-3307. Замок и ручки двери

zoom-in zoom-out enlarge shrink circle-right circle-left file-text2 info cart arraw right arraw left zoom out zoom in arraw maximize arraw minimize
1
2
3
4
5
6
7
8
9
10
11
12
13
14
15
16
17
18
19
20
21
22
23
24
25
26
27
28
28
28
29
30
31
32
33
34
35
36
37
38
39
40
41
41
42
43
44
44
45
45
46
47
48
48
49
50
51
52
53
54
55
56
57
58
58
59
60
61
62
1
4301-6105080
Выключатель замка двери с ключами
В узле: 1
2
4301-6105090
Выключатель замка двери
В узле: 2
3
3102-6105548
Ключи замка двери с кольцом
В узле: 1
4
4301-6105432
Заслонка выключателя замка двери
В узле: 1
5
4301-6105420
Цилиндр выключателя замка двери в сборе
В узле: 1
6
4301-6105122
Корпус выключателя
В узле: 1
7
24-6105434
Пружина заслонки
В узле: 1
8
258000-П29
Шплинт 1,6х10 ОСТ 37.001.171-93
В узле: 2
9
258002-П29
Шплинт 1,5х16
В узле: 2
10
24-02-6305134
Стержень выключателя
В узле: 1
11
252263-П29
Шайба 2-6 ОСТ 37.001.147-75
В узле: 2
12
221603-П29
Винт М6-6gх12 ОСТ 37.001.125-81
В узле: 2
13
4301-6105150
Ручка двери наружная в сборе
В узле: 2
14
4301-6105294
Направляющая кнопки наружной ручки двери
В узле: 1
15
21-6105290-Б
Пружина кнопки
В узле: 1
16
4301-6105304
Толкатель кнопки наружной ручки двери
В узле: 1
17
4301-6105286
Кнопка наружной ручки двери
В узле: 1
18
4301-6105152
Ручка двери наружная
В узле: 1
19
4301-6105270
Прокладка ручки двери большая
В узле: 1
20
224631-П29
Винт М6-6gх30 ОСТ 37.001.130-81
В узле: 8
21
222503-П29
Винт М5-6gх22 ОСТ 37.001.128-96
В узле: 2
22
252274-П29
Шайба 6 ОСТ 37.001.146-75
В узле: 8
23
4301-6106220
Прокладка регулировочная
В узле: 2
24
4301-6106222
Прокладка регулировочная
В узле: 2
25
4301-6106110
Фиксатор замка двери правый
В узле: 1
26
4301-6106111
Фиксатор замка двери левый
В узле: 1
27
4301-6105274
Прокладка ручки двери малая
В узле: 1
28
252273-П29
Шайба 5 ОСТ 37.001.146-75
В узле: 4
28
252273-П29
Шайба 5 ОСТ 37.001.146-75
В узле: 6
29
290377-П29
Болт М5-6gх9
В узле: 6
30
252156-П2
Шайба 10Л ОСТ 37.001.115-75
В узле: 2
31
4301-6106114
Шип фиксатора
В узле: 2
32
252214-П29
Шайба 6
В узле: 8
33
221607-П29
Винт М6-6gх20
В узле: 8
34
4301-6105074
Наконечник тяги выключения замка двери
В узле: 2
35
4301-6105444
Втулка наконечника тяги выключения замка
В узле: 2
36
4301-6105070
Тяга выключения замка двери
В узле: 2
37
4301-6105484
Механизм запорный замка правый
В узле: 1
38
4301-6105485
Механизм запорный замка левый
В узле: 1
39
4301-6105486
Механизм рычажный замка правый
В узле: 1
40
4301-6105487
Механизм рычажный замка левый
В узле: 1
41
24-6105101
Чехол тяги
В узле: 2
42
4301-6105082
Привод замка двери внутренний правый
В узле: 1
43
4301-6105083
Привод замка двери внутренний левый
В узле: 1
44
31011-6105184
Прокладка привода замка
В узле: 1
44
31011-6105184
Прокладка привода замка
В узле: 1
45
31011-6105086
Основание привода замка двери
В узле: 1
45
31011-6105086
Основание привода замка двери
В узле: 1
46
224597-П29
Винт М5-6gх10 ОСТ 37.001.130-81
В узле: 4
47
45 9841 1360
Штифт 4х20
В узле: 2
48
31011-6105098
Пружина привода
В узле: 1
48
31011-6105098
Пружина привода
В узле: 1
49
4301-6105182
Ручка внутреннего привода правая
В узле: 1
50
4301-6105183
Ручка внутреннего привода левая
В узле: 1
51
4301-6105188
Розетка внутреннего привода правая
В узле: 1
52
4301-6105189
Розетка внутреннего привода левая
В узле: 1
53
223044-П29
Винт М5-6gх25 ОСТ 37.001.126-81
В узле: 2
54
252262-П29
Шайба 2-5 ОСТ 37.001.147-75
В узле: 2
55
23А-5303270
Зажим тяги
В узле: 4
56
4301-6105102
Тяга привода замка двери правая
В узле: 1
57
4301-6105103
Тяга привода замка двери левая
В узле: 1
58
14-8109266
Держатель тяги
В узле: 2
59
31011-6105402
Втулка регулировочная
В узле: 2
60
3102-6105104
Тяга привода замка
В узле: 2
61
224622-П29
Винт М6-6gх10 ОСТ 37.001.130-81
В узле: 4
62
293226-П29
Шайба 6,5
В узле: 4
Содержащиеся в справочниках-каталогах запасные части и детали не предлагаются к продаже, а носят исключительно информационный характер

Ваша заявка была отправлена. В ближайшее время наши специалисты с Вами свяжутся по указанному Вами телефону.

Представьтесь
Поле обязательно для заполнения
Ваш телефон
Введите правильный номер телефона
E-mail
Введите правильный e-mail
Тема
Тема
применяемость финансирование доставка цена, наличие другое сервис и гарантия
Время для звонка
08:00
08:00 09:00 10:00 11:00 12:00 13:00 14:00 15:00 16:00 17:00 18:00 19:00
19:00
08:00 09:00 10:00 11:00 12:00 13:00 14:00 15:00 16:00 17:00 18:00 19:00

Мы постараемся перезвонить в указанное время

Если вы не хотите ждать, то звоните нашим вежливым консультантам:

8 800 100-2-700
Подтвердите, что вы не робот
Подтвердите, что вы не робот
Спасибо!

Ваше сообщение успешно отправлено!

ЗакрытьПовторить попытку