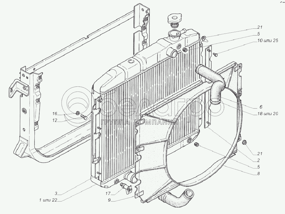
Каталог запасных частей к технике: ГАЗ-33081. 33081-1301003. Установка радиатора

zoom-in zoom-out enlarge shrink circle-right circle-left file-text2 info cart arraw right arraw left zoom out zoom in arraw maximize arraw minimize
1
2
3
5
5
6
8
9
10
12
16
17
18
20
21
21
22
25
1
3307-1301010-31
Радиатор водяной
В узле: 1
2
33081-1309032
Пластина правая
В узле: 1
3
33081-1309033
Пластина левая
В узле: 1
5
296563-П29
Пробка КГ3/8"
В узле: 2
6
33081-1303010
Шланг
В узле: 1
8
33081-1309011
Кожух вентилятора
В узле: 1
9
33081-1309222
Уплотнитель
В узле: 2
10
201417-П29
Болт М6-6gх14 ОСТ 37.001.123-96
В узле: 4
12
201456-П29
Болт М8-6gх20 ОСТ 37.001.123-96
В узле: 6
16
252135-П2
Шайба 8Т ОСТ 37.001.115-75
В узле: 6
17
Г-21Ю-1305010-А
Краник
В узле: 1
18
4531149912
Хомут 40-60
В узле: 2
20
4531149911
Хомут 40-56
В узле: 2
21
4599531818
Гайка М6
В узле: 10
22
121.1301010-10
Радиатор
В узле: 1
25
290529-71
Болт
В узле: 4
Содержащиеся в справочниках-каталогах запасные части и детали не предлагаются к продаже, а носят исключительно информационный характер

Ваша заявка была отправлена. В ближайшее время наши специалисты с Вами свяжутся по указанному Вами телефону.

Представьтесь
Поле обязательно для заполнения
Ваш телефон
Введите правильный номер телефона
E-mail
Введите правильный e-mail
Тема
Тема
применяемость финансирование доставка цена, наличие другое сервис и гарантия
Время для звонка
08:00
08:00 09:00 10:00 11:00 12:00 13:00 14:00 15:00 16:00 17:00 18:00 19:00
19:00
08:00 09:00 10:00 11:00 12:00 13:00 14:00 15:00 16:00 17:00 18:00 19:00

Мы постараемся перезвонить в указанное время

Если вы не хотите ждать, то звоните нашим вежливым консультантам:

8 800 100-2-700
Подтвердите, что вы не робот
Подтвердите, что вы не робот
Спасибо!

Ваше сообщение успешно отправлено!

ЗакрытьПовторить попытку