Каталог запасных частей к технике: ГАЗ-33081. 3309-1602002. Установка привода сцепления

zoom-in zoom-out enlarge shrink circle-right circle-left file-text2 info cart arraw right arraw left zoom out zoom in arraw maximize arraw minimize
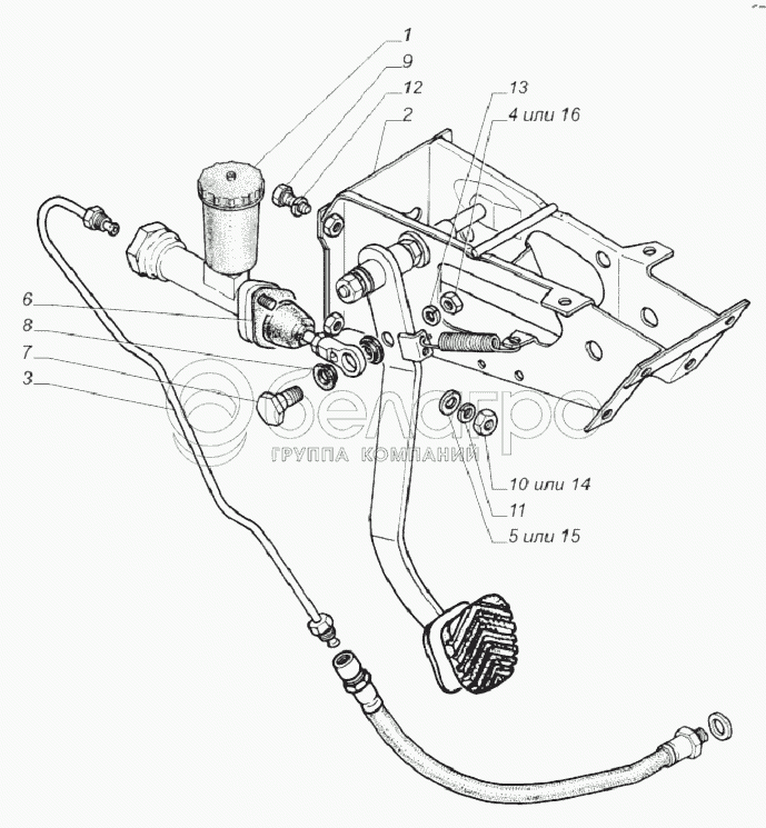
1
2
3
4
5
6
7
8
9
10
11
12
13
14
15
16
1
3302-1602290
Главный цилиндр привода сцепления
В узле: 1
3302-1602290 Цилиндр сцепления главный с бачком (А) Под заказ 690.26 р.
2
3309-1602408
Кронштейн с педалью сцепления
В узле: 1
3
3309-1602580
Трубка от главного цилиндра к гибкому шлангу
В узле: 1
4
250613-П29
Гайка 10х1-6Н
В узле: 1
5
293282-П29
Шайба 8,4
В узле: 2
6
24-1602294
Прокладка главного цилиндра выключения сцепления
В узле: 1
7
24-3504038
Ось толкателя педали
В узле: 1
8
21-3504039
Втулка оси толкателя
В узле: 2
9
201495-П29
Болт М10-6gх20 ОСТ 37.001.123-96
В узле: 4
10
250511-П29
Гайка М8х1-6Н ОСТ 37.001.124-93
В узле: 2
11
252135-П2
Шайба 8Т ОСТ 37.001.115-75
В узле: 2
12
252136-П2
Шайба 10 ОТ ОСТ 37.001.115-75
В узле: 4
13
252156-П2
Шайба 10Л ОСТ 37.001.115-75
В узле: 1
14
292106-31
Гайка М8х1
В узле: 2
15
1/26467/01
Шайба плоская
В узле: 2
16
292383-31
Гайка
В узле: 1
Содержащиеся в справочниках-каталогах запасные части и детали не предлагаются к продаже, а носят исключительно информационный характер

Ваша заявка была отправлена. В ближайшее время наши специалисты с Вами свяжутся по указанному Вами телефону.

Представьтесь
Поле обязательно для заполнения
Ваш телефон
Введите правильный номер телефона
E-mail
Введите правильный e-mail
Тема
Тема
применяемость финансирование доставка цена, наличие другое сервис и гарантия
Время для звонка
08:00
08:00 09:00 10:00 11:00 12:00 13:00 14:00 15:00 16:00 17:00 18:00 19:00
19:00
08:00 09:00 10:00 11:00 12:00 13:00 14:00 15:00 16:00 17:00 18:00 19:00

Мы постараемся перезвонить в указанное время

Если вы не хотите ждать, то звоните нашим вежливым консультантам:

8 800 100-2-700
Подтвердите, что вы не робот
Подтвердите, что вы не робот
Спасибо!

Ваше сообщение успешно отправлено!

ЗакрытьПовторить попытку