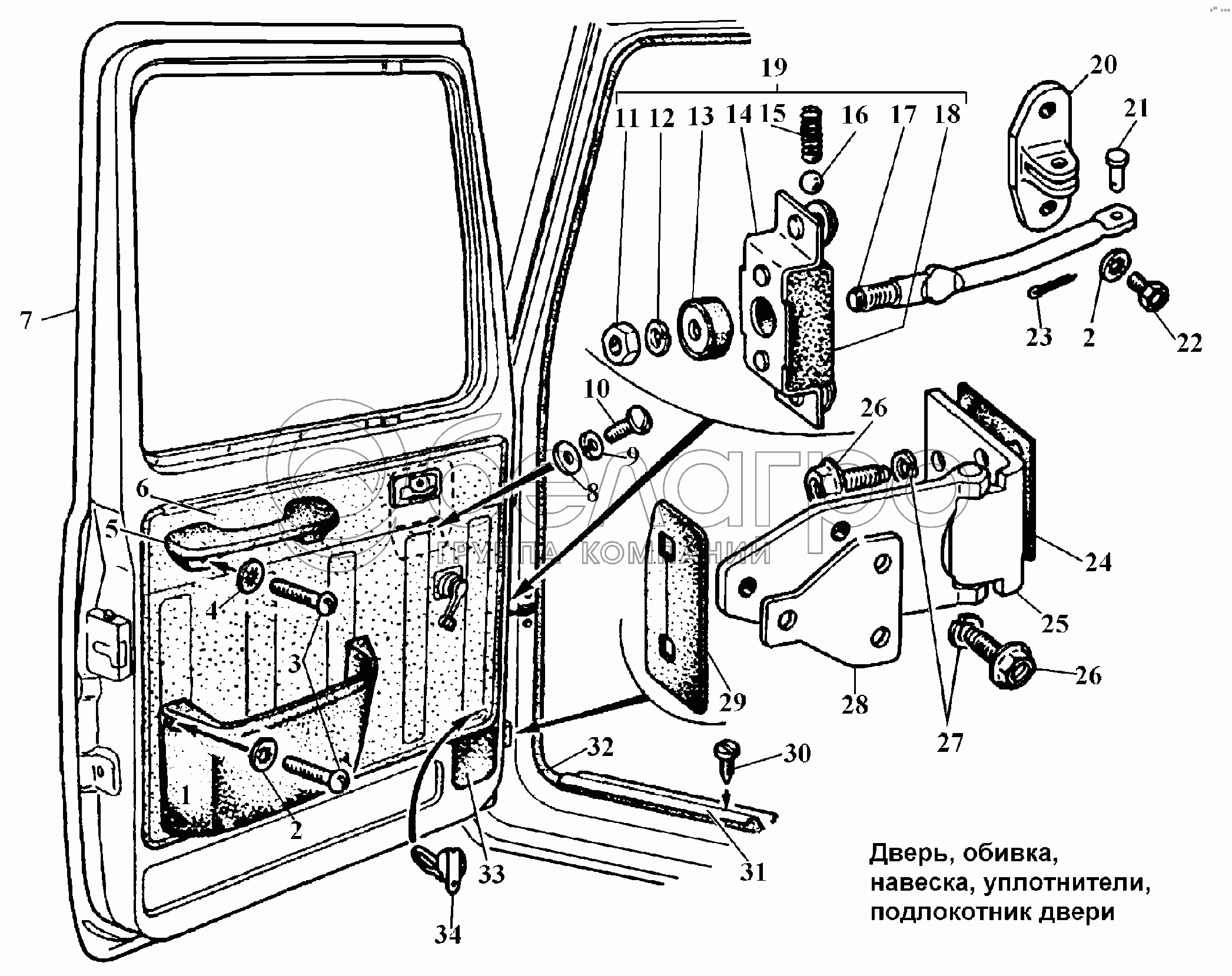
Каталог запасных частей к технике: ГАЗ-3308. Двери, обтвка, навеска, уплотнители, подлокотники

zoom-in zoom-out enlarge shrink circle-right circle-left file-text2 info cart arraw right arraw left zoom out zoom in arraw maximize arraw minimize
1
2
2
3
4
5
6
7
10
12
13
14
15
16
17
18
19
20
21
22
23
24
25
26
26
27
28
29
30
31
32
33
34
1
4301-3912406
Ящик аптечки
В узле: 1
2
252174-П29
Шайба 2-6 ОСТ 37.001.145-75
В узле: 1
3
220109-П29
Винт М6-6gх25 ОСТ 37.001.127-81
В узле: 1
4
252269-П29
Шайба 6 ОСТ 37.001.145-75
В узле: 1
5
4301-6114010
Подлокотник двери в сборе
В узле: 2
6
4301-6102012
Обивка двери правая в сборе
В узле: 1
6
4301-6102013
Обивка двери левая в сборе
В узле: 1
7
4301-6100018
Дверь правая (бондеризованная, грунтованная)
В узле: 1
7
4301-6100019
Дверь левая (бондеризованная, грунтованная)
В узле: 1
10
224624-П29
Винт М6-6gх14 ОСТ 37.001.130-81
В узле: 1
12
252135-П2
Шайба 8Т ОСТ 37.001.115-75
В узле: 1
13
4301-6106086
Буфер ограничителя двери в сборе
В узле: 2
14
4301-6106207
Крышка стопора ограничителя с осью
В узле: 2
15
4301-6106188
Пружина стопора ограничителя
В узле: 4
16
4691156666
Шарик 9,525-40
В узле: 4
17
4301-6106090-10
Рычаг ограничителя
В узле: 2
18
4301-6106182
Корпус стопора ограничителя
В узле: 2
19
4301-6106082
Ограничитель двери в сборе
В узле: 2
20
24-6106088
Кронштейн ограничителя
В узле: 2
21
2600094129
Палец 6х14
В узле: 1
22
201415-П29
Болт М6-6gх10 ОСТ 37.001.123-96
В узле: 1
23
258011-П29
Шплинт 2х10 ОСТ 37.001.171-93
В узле: 1
24
4301-6106046
Прокладка
В узле: 4
25
3307-6106011
Петля двери левая
В узле: 2
25
3307-6106010
Петля двери правая
В узле: 2
26
4301-6106430
Болт М10х30
В узле: 12
27
252156-П2
Шайба 10Л ОСТ 37.001.115-75
В узле: 1
28
24-6106016-01
Пластина крепления петли к двери
В узле: 4
29
3102-6206364
Уплотнитель петли
В узле: 4
30
240818-П29
Винт 4х12 ОСТ 37.001.188-81
В узле: 1
31
4301-6101560
Облицовка порога
В узле: 2
32
4301-6107126-01
Кант проема двери
В узле: 2
33
4301-6101462
Крышка петельного люка
В узле: 2
34
21-6102080
Пистон крепления обивки в сборе
В узле: 12
Содержащиеся в справочниках-каталогах запасные части и детали не предлагаются к продаже, а носят исключительно информационный характер

Ваша заявка была отправлена. В ближайшее время наши специалисты с Вами свяжутся по указанному Вами телефону.

Представьтесь
Поле обязательно для заполнения
Ваш телефон
Введите правильный номер телефона
E-mail
Введите правильный e-mail
Тема
Тема
применяемость финансирование доставка цена, наличие другое сервис и гарантия
Время для звонка
08:00
08:00 09:00 10:00 11:00 12:00 13:00 14:00 15:00 16:00 17:00 18:00 19:00
19:00
08:00 09:00 10:00 11:00 12:00 13:00 14:00 15:00 16:00 17:00 18:00 19:00

Мы постараемся перезвонить в указанное время

Если вы не хотите ждать, то звоните нашим вежливым консультантам:

8 800 100-2-700
Подтвердите, что вы не робот
Подтвердите, что вы не робот
Спасибо!

Ваше сообщение успешно отправлено!

ЗакрытьПовторить попытку