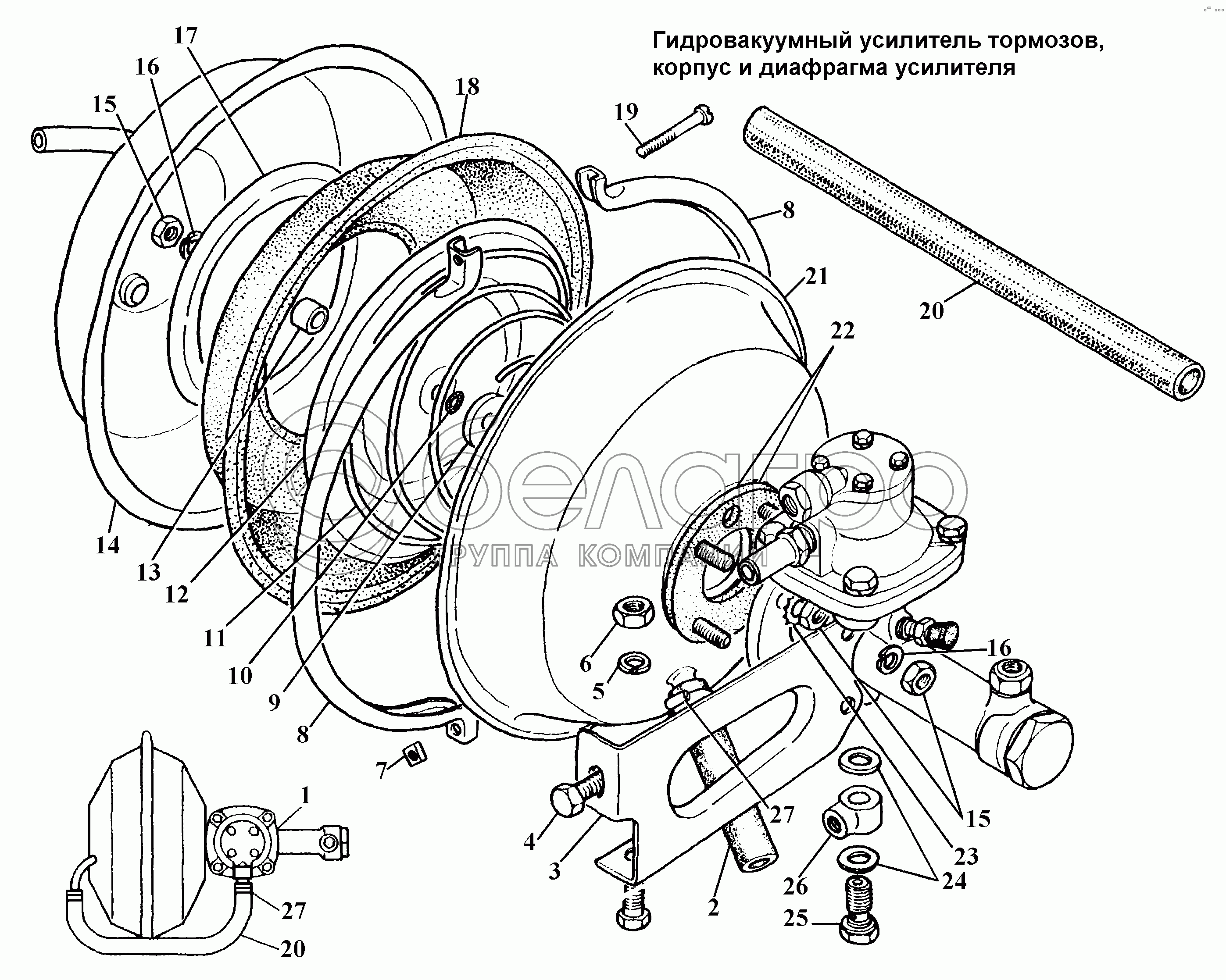
Каталог запасных частей к технике: ГАЗ-3308. Гидровакуумный усилитель тормозов

zoom-in zoom-out enlarge shrink circle-right circle-left file-text2 info cart arraw right arraw left zoom out zoom in arraw maximize arraw minimize
1
2
3
5
6
7
8
8
9
10
11
12
13
14
15
15
16
16
17
18
19
20
20
21
22
23
24
25
26
27
27
1
53-12-3550010
Усилитель гидровакуумный тормозов с клапаном управления в сборе
В узле: 2
2
52-1101078-01
Шланг сливного краника
В узле: 1
3
51П-3550092-01
Кронштейн крепления гидровакуумного усилителя тормозов
В узле: 2
5
252156-П2
Шайба 10Л ОСТ 37.001.115-75
В узле: 1
6
250512-П29
Гайка М10-6Н ОСТ 37.001.124-93
В узле: 1
7
251086-П29
Гайка М5-6Н ОСТ 37.001.112-91
В узле: 1
8
51П-3550083
Хомут камеры
В узле: 2
9
51П-3550077
Шайба толкателя поршня цилиндра
В узле: 1
10
51П-3550078
Кольцо уплотнительное гидровакуумного усилителя тормозов
В узле: 1
11
51П-3550074
Пружина диафрагмы
В узле: 1
12
51П-3550071
Тарелка диафрагмы гидровакуумного усилителя тормозов
В узле: 1
13
51П-3550076
Втулка распорная
В узле: 1
14
53-3550086-01
Корпус камеры гидровакуумного усилителя тормозов задний в сборе
В узле: 1
15
250510-П29
Гайка М8-6Н ОСТ 37.001.124-93
В узле: 1
16
252155-П2
Шайба 8Л ОСТ 37.001.115-75
В узле: 1
17
51П-3550072
Шайба диафрагмы
В узле: 1
18
51П-3550075
Диафрагма гидровакуумного усилителя тормозов
В узле: 1
19
4594321094
Винт М5х45
В узле: 1
20
13-3563030-01
Рукав с нитяным усилением
В узле: 1
21
53-3550080-01
Корпус камеры гидровакуумного усилителя тормозов передний в сборе
В узле: 1
22
53-3550084
Прокладка цилиндра
В узле: 2
23
4 599 526 205
Шайба 8
В узле: 1
24
51-3506013
Прокладка
В узле: 2
25
51-3506012
Болт М12х1,25х28
В узле: 1
26
12-3501081
Муфта соединительная
В узле: 1
27
ТВОС-049.001-02
Хомут 12-22 ТУ 4599-003-03966022-00
В узле: 4
27
00.10.00
Хомут 12-22 ТО17-9-20-98
В узле: 4
Содержащиеся в справочниках-каталогах запасные части и детали не предлагаются к продаже, а носят исключительно информационный характер

Ваша заявка была отправлена. В ближайшее время наши специалисты с Вами свяжутся по указанному Вами телефону.

Представьтесь
Поле обязательно для заполнения
Ваш телефон
Введите правильный номер телефона
E-mail
Введите правильный e-mail
Тема
Тема
применяемость финансирование доставка цена, наличие другое сервис и гарантия
Время для звонка
08:00
08:00 09:00 10:00 11:00 12:00 13:00 14:00 15:00 16:00 17:00 18:00 19:00
19:00
08:00 09:00 10:00 11:00 12:00 13:00 14:00 15:00 16:00 17:00 18:00 19:00

Мы постараемся перезвонить в указанное время

Если вы не хотите ждать, то звоните нашим вежливым консультантам:

8 800 100-2-700
Подтвердите, что вы не робот
Подтвердите, что вы не робот
Спасибо!

Ваше сообщение успешно отправлено!

ЗакрытьПовторить попытку