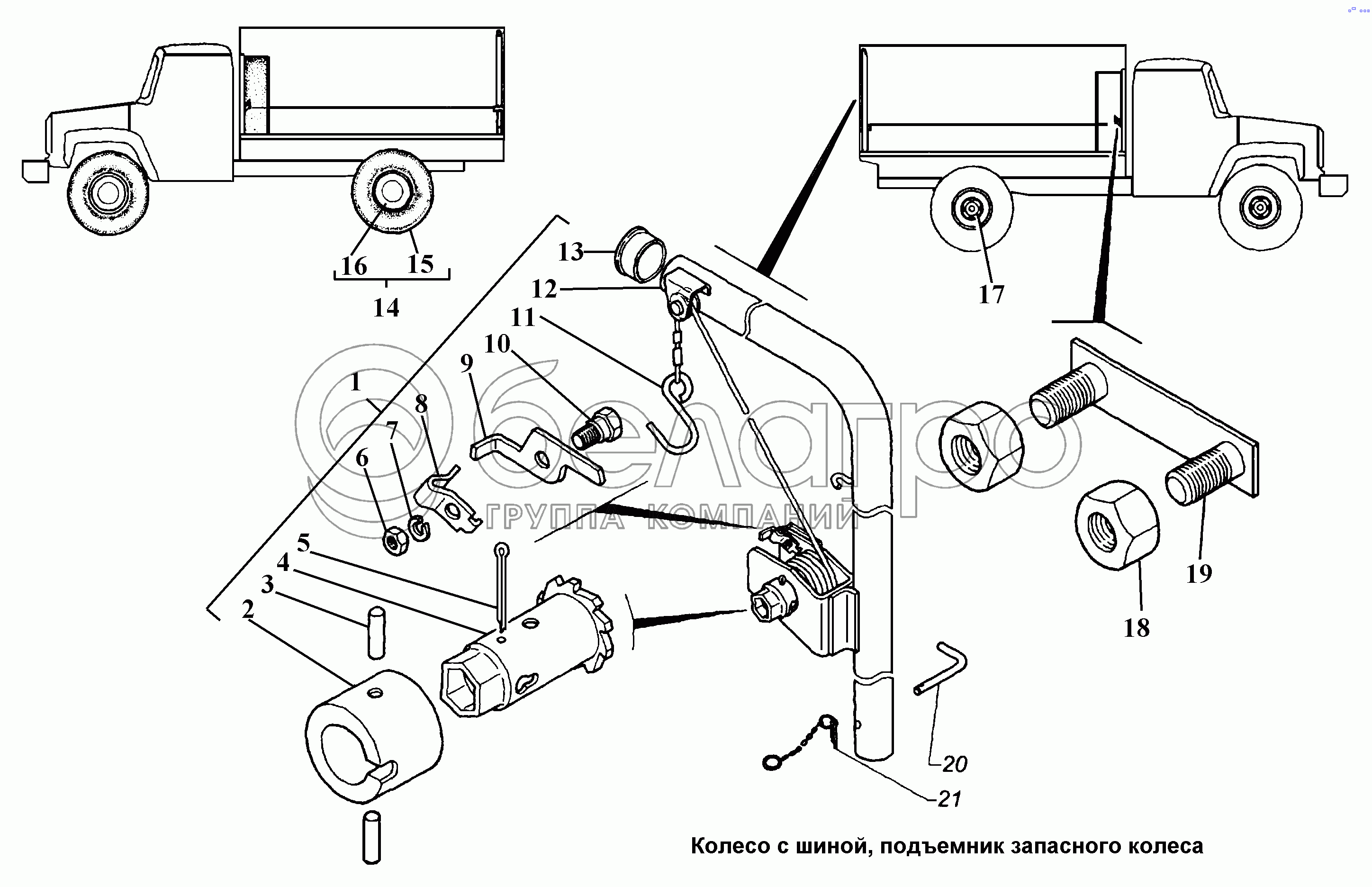
Каталог запасных частей к технике: ГАЗ-3308. Колесо с шиной, подъемник запасного колеса

zoom-in zoom-out enlarge shrink circle-right circle-left file-text2 info cart arraw right arraw left zoom out zoom in arraw maximize arraw minimize
1
2
3
4
5
6
7
8
9
10
11
12
13
14
15
16
17
18
19
20
21
1
33097-3105032
Подъемник запасного колеса
В узле: 1
2
33097-3105075
Втулка вала храповика
В узле: 1
3
295105-П18
Штифт 10х30
В узле: 2
4
33097-3105250
Вал
В узле: 1
5
4598719221
Шплинт 4х63
В узле: 1
6
250512-П29
Гайка М10-6Н ОСТ 37.001.124-93
В узле: 1
7
252156-П2
Шайба 10Л ОСТ 37.001.115-75
В узле: 1
8
33097-3105237
Пружина собачки
В узле: 1
9
33097-3105285
Собачка
В узле: 1
10
33097-3105015
Болт собачки
В узле: 1
11
33097-3105214
Трос подъемника с крюком
В узле: 1
12
33097-3105200
Стойка подъемника
В узле: 1
13
3307-1301253
Пробка
В узле: 1
14
3308-3101011
Колесо с шиной
В узле: 5
15
КИ-115А
Шина 12.00 R18
В узле: 5
16
6501.3101012
Колесо 228Г-457 в сборе
В узле: 5
17
33097-3102016
Колпак колеса
В узле: 4
18
250712-П29
Гайка Б М20х1,5-6Н ОСТ 37.001.195-97
В узле: 2
19
33097-3105062
Стремянка
В узле: 1
20
33097-3105039
Фиксатор
В узле: 1
21
33097-3105260
Цепь шплинта
В узле: 1
Содержащиеся в справочниках-каталогах запасные части и детали не предлагаются к продаже, а носят исключительно информационный характер

Ваша заявка была отправлена. В ближайшее время наши специалисты с Вами свяжутся по указанному Вами телефону.

Представьтесь
Поле обязательно для заполнения
Ваш телефон
Введите правильный номер телефона
E-mail
Введите правильный e-mail
Тема
Тема
применяемость финансирование доставка цена, наличие другое сервис и гарантия
Время для звонка
08:00
08:00 09:00 10:00 11:00 12:00 13:00 14:00 15:00 16:00 17:00 18:00 19:00
19:00
08:00 09:00 10:00 11:00 12:00 13:00 14:00 15:00 16:00 17:00 18:00 19:00

Мы постараемся перезвонить в указанное время

Если вы не хотите ждать, то звоните нашим вежливым консультантам:

8 800 100-2-700
Подтвердите, что вы не робот
Подтвердите, что вы не робот
Спасибо!

Ваше сообщение успешно отправлено!

ЗакрытьПовторить попытку