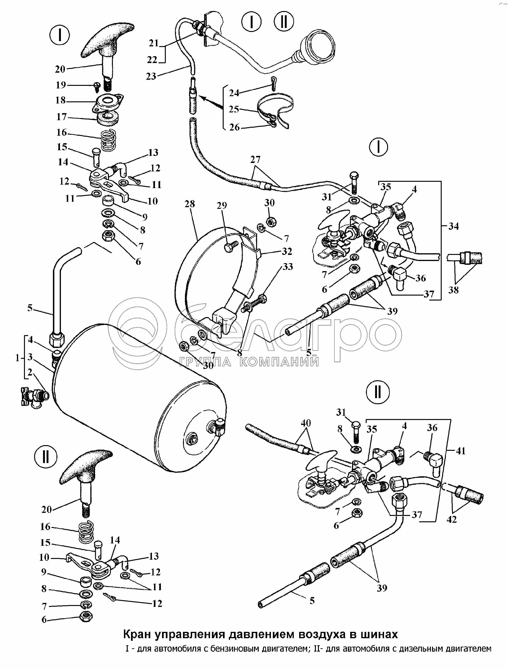
Каталог запасных частей к технике: ГАЗ-3308. Кран управления давлением воздуха в шинах

zoom-in zoom-out enlarge shrink circle-right circle-left file-text2 info cart arraw right arraw left zoom out zoom in arraw maximize arraw minimize
1
2
3
4
4
4
5
5
5
7
7
7
7
7
7
8
8
8
8
8
9
9
10
10
11
11
11
12
12
12
12
13
13
14
14
15
15
16
16
17
18
19
20
20
21
22
23
24
25
26
27
28
29
30
30
31
31
32
33
34
35
35
36
36
37
37
38
39
39
40
41
42
1
3308-3121010
Воздушный баллон
В узле: 1
2
ВС8-1-Т
Кран (Г-21Ю-1305010-А)
В узле: 1
3
66-11-3513015
Баллон воздушный в сборе
В узле: 1
4
40П-4221020
Штуцер угловой
В узле: 2
5
3308-3125034
Трубка от воздушного баллона к крану управления первая
В узле: 1
7
252135-П2
Шайба 8Т ОСТ 37.001.115-75
В узле: 1
8
252005-П29
Шайба 8 ОСТ 37.001.144-96
В узле: 1
9
66-52-4222021
Втулка направляющая
В узле: 1
10
66-02-4222026-Б2
Фиксатор рукоятки
В узле: 1
11
252004-П29
Шайба 6 ОСТ 37.001.144-96
В узле: 1
12
258012-П29
Шплинт 2х12 ОСТ 37.001.171-93
В узле: 1
13
66-02-4222020
Тяга рукоятки крана управления
В узле: 1
14
40П-4222022
Вилка тяги
В узле: 1
15
2600012-П29
Палец 6х20
В узле: 1
15
2600012-П29
Палец 6х20
В узле: 1
16
51-3401033
Пружина трубки провода сигнала нижней крышки картера
В узле: 1
17
3308-3122028
Уплотнитель
В узле: 1
18
3308-3122029
Крышка уплотнителя
В узле: 1
19
240817-П29
Винт М4х10 ОСТ 37.001.188-81
В узле: 1
20
66-02-4222012
Рукоятка крана управления давлением в сборе
В узле: 1
21
250636-П29
Гайка М16х1,5-6Н ОСТ 37.001.124-93
В узле: 1
22
252239-П29
Шайба 2-16 ОСТ 37.001.146-75
В узле: 1
23
3308-3125135
Трубка от крана управления к манометру шин вторая
В узле: 1
24
297535-П29
Шплинт 2,7х12
В узле: 1
25
297533-П29
Лента хомута 5х110
В узле: 1
26
297540-П29
Пряжка 3,3х5,5
В узле: 1
27
3308-3125128
Трубка к манометру шин со шлангом первая
В узле: 1
28
3307-3513072
Хомут крепления вакуумного баллона в сборе
В узле: 2
29
201456-П29
Болт М8-6gх20 ОСТ 37.001.123-96
В узле: 1
30
250510-П29
Гайка М8-6Н ОСТ 37.001.124-93
В узле: 1
31
201460-П29
Болт М8-6gх30 ОСТ 37.001.123-96
В узле: 1
32
3307-3513082
Кронштейн крепления вакуумного баллона передний
В узле: 2
33
290693-П29
Болт М8-6gх55
В узле: 1
34
3308-3122010
Кран управления
В узле: 1
35
131-4222011
Кран управления давлением
В узле: 1
36
66-02-4222017
Штуцер угловой
В узле: 1
37
66-02-4222016
Тройник крана управления давлением
В узле: 1
38
3308-3125040
Трубка от крана управления к колесам со шлангом первая
В узле: 1
39
3308-3125032
Трубка от воздушного баллона к крану управления вторая со шлангом
В узле: 1
40
33081-3125128
Трубка от крана управления к манометру шин со шлангом первая
В узле: 1
41
33081-3422010
Кран управления в сборе
В узле: 1
42
33081-3125040
Трубка от крана управления к колесам со шлангом первая
В узле: 1
Содержащиеся в справочниках-каталогах запасные части и детали не предлагаются к продаже, а носят исключительно информационный характер

Ваша заявка была отправлена. В ближайшее время наши специалисты с Вами свяжутся по указанному Вами телефону.

Представьтесь
Поле обязательно для заполнения
Ваш телефон
Введите правильный номер телефона
E-mail
Введите правильный e-mail
Тема
Тема
применяемость финансирование доставка цена, наличие другое сервис и гарантия
Время для звонка
08:00
08:00 09:00 10:00 11:00 12:00 13:00 14:00 15:00 16:00 17:00 18:00 19:00
19:00
08:00 09:00 10:00 11:00 12:00 13:00 14:00 15:00 16:00 17:00 18:00 19:00

Мы постараемся перезвонить в указанное время

Если вы не хотите ждать, то звоните нашим вежливым консультантам:

8 800 100-2-700
Подтвердите, что вы не робот
Подтвердите, что вы не робот
Спасибо!

Ваше сообщение успешно отправлено!

ЗакрытьПовторить попытку