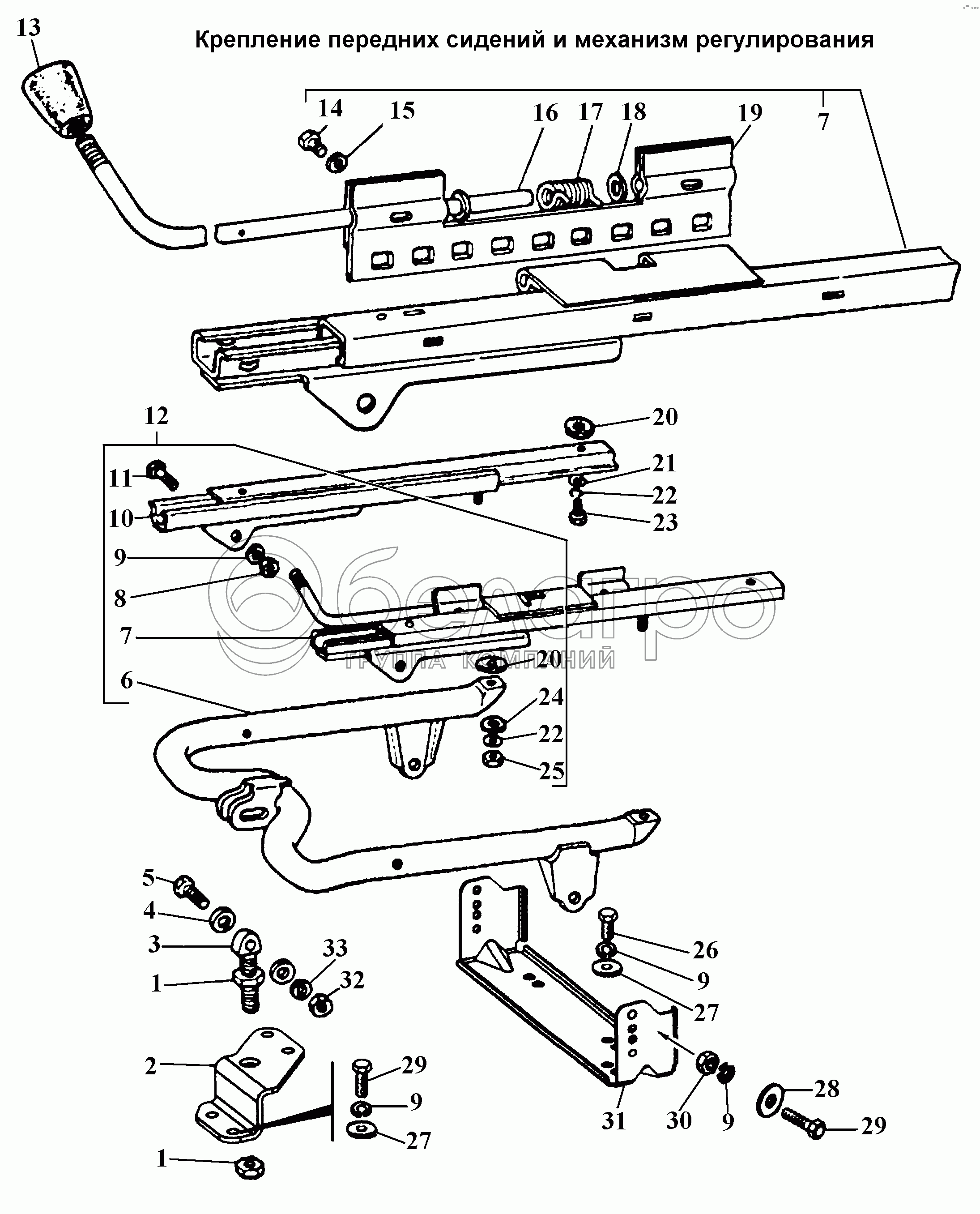
Каталог запасных частей к технике: ГАЗ-3308. Крепление передних сидений и механизм регулирования

zoom-in zoom-out enlarge shrink circle-right circle-left file-text2 info cart arraw right arraw left zoom out zoom in arraw maximize arraw minimize
1
1
2
3
5
6
7
7
8
9
9
9
9
10
11
12
13
14
15
16
17
18
19
20
20
21
22
22
24
25
26
27
27
28
29
29
31
32
33
1
250636-П29
Гайка М16х1,5-6Н ОСТ 37.001.124-93
В узле: 1
2
3307-6800112
Кронштейн крепления сиденья передний верхний
В узле: 1
3
3102-6800058
Стойка рамы
В узле: 1
5
201505-П29
Болт М10-6gх45 ОСТ 37.001.123-96
В узле: 1
6
3102-6804440
Рама механизма регулирования сидений в сборе
В узле: 1
7
3102-6804011
Салазки механизма регулирования левые в сборе
В узле: 1
8
250510-П29
Гайка М8-6Н ОСТ 37.001.124-93
В узле: 1
9
252135-П2
Шайба 8Т ОСТ 37.001.115-75
В узле: 1
10
3102-6804010
Салазки правые в сборе
В узле: 1
11
201466-П29
Болт М8-6gх45 ОСТ 37.001.123-96
В узле: 1
12
3102-6804008
Механизм регулирования сиденья водителя в сборе
В узле: 1
13
24-6804063-01
Рукоятка фиксатора
В узле: 1
14
290287-П29
Болт М4х14
В узле: 1
15
252132-П2
Шайба 4 ОСТ 37.001.115-75
В узле: 1
16
3102-6804062
Ось защелки салазок
В узле: 1
17
24-6804064
Пружина защелки салазок
В узле: 1
18
293272-П29
Шайба 8,5
В узле: 1
19
3102-6804058
Защелка салазок в сборе
В узле: 1
20
24-6800020
Прокладка
В узле: 2
21
293246-П29
Шайба 6,5
В узле: 1
22
252134-П2
Шайба 6Т ОСТ 37.001.115-75
В узле: 1
24
252004-П29
Шайба 6 ОСТ 37.001.144-96
В узле: 1
25
250508-П29
Гайка М6-6Н ОСТ 37.001.124-93
В узле: 1
26
201455-П29
Болт М8-6gх18 ОСТ 37.001.123-96
В узле: 1
27
252038-П29
Шайба 8 ОСТ 37.001.144-96
В узле: 1
28
252005-П29
Шайба 8 ОСТ 37.001.144-96
В узле: 1
29
290617-П29
Болт М8-6gх22
В узле: 1
31
3307-6800114
Кронштейн крепления сиденья задний
В узле: 1
32
250512-П29
Гайка М10-6Н ОСТ 37.001.124-93
В узле: 1
33
252136-П2
Шайба 10 ОТ ОСТ 37.001.115-75
В узле: 1
Содержащиеся в справочниках-каталогах запасные части и детали не предлагаются к продаже, а носят исключительно информационный характер

Ваша заявка была отправлена. В ближайшее время наши специалисты с Вами свяжутся по указанному Вами телефону.

Представьтесь
Поле обязательно для заполнения
Ваш телефон
Введите правильный номер телефона
E-mail
Введите правильный e-mail
Тема
Тема
применяемость финансирование доставка цена, наличие другое сервис и гарантия
Время для звонка
08:00
08:00 09:00 10:00 11:00 12:00 13:00 14:00 15:00 16:00 17:00 18:00 19:00
19:00
08:00 09:00 10:00 11:00 12:00 13:00 14:00 15:00 16:00 17:00 18:00 19:00

Мы постараемся перезвонить в указанное время

Если вы не хотите ждать, то звоните нашим вежливым консультантам:

8 800 100-2-700
Подтвердите, что вы не робот
Подтвердите, что вы не робот
Спасибо!

Ваше сообщение успешно отправлено!

ЗакрытьПовторить попытку