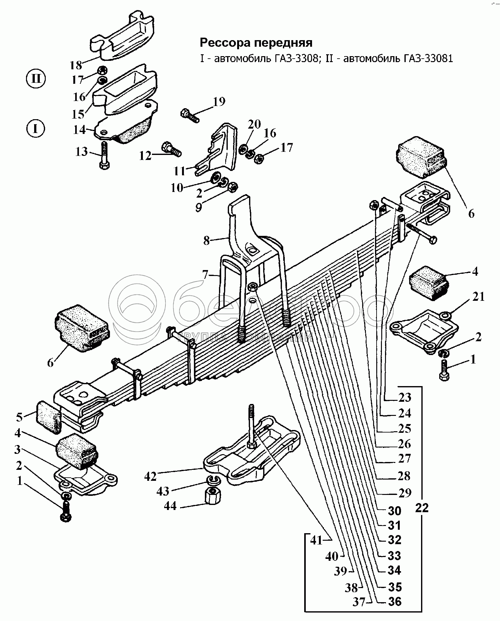
Каталог запасных частей к технике: ГАЗ-3308. Рессора передняя

zoom-in zoom-out enlarge shrink circle-right circle-left file-text2 info cart arraw right arraw left zoom out zoom in arraw maximize arraw minimize
1
1
2
2
2
3
4
4
5
6
6
7
8
10
11
12
13
14
15
16
16
17
17
18
19
20
21
22
23
24
25
26
27
28
29
30
31
32
33
34
35
36
37
38
39
40
41
42
43
44
1
4593471645
Болт М14x50
В узле: 1
2
252138-П2
Шайба 14.ОТ ОСТ 37.001.115-75
В узле: 1
3
52-2912450
Крышка переднего кронштейна
В узле: 2
4
52-2902431
Опора рессоры верхняя
В узле: 4
5
53-2902433-А
Упор рессоры
В узле: 2
6
53-2912431
Опора рессоры верхняя
В узле: 4
7
66-2902408-02
Стремянка передней рессоры
В узле: 4
8
3308-2902412-10
Накладка передней рессоры правая
В узле: 1
8
3308-2902413-10
Накладка передней рессоры левая
В узле: 1
10
252016-П29
Шайба 14 ОСТ 37.001.144-96
В узле: 1
11
3308-2902656-10
Буфер- кронштейн правый
В узле: 1
11
3308-2902657-10
Буфер- кронштейн левый
В узле: 1
12
4593481666
Болт М14х1,5
В узле: 1
13
201510-П29
Болт М10-6gх65 ОСТ 37.001.123-96
В узле: 4
14
51-2912622
Буфер задней рессоры в сборе
В узле: 2
15
51-2912630
Подкладка буфера задней рессоры
В узле: 2
16
252136-П2
Шайба 10 ОТ ОСТ 37.001.115-75
В узле: 1
17
250512-П29
Гайка М10-6Н ОСТ 37.001.124-93
В узле: 1
18
33027-2912630
Подкладка буфера задней рессоры
В узле: 2
19
290775-П29
Болт М10-6gх40
В узле: 1
20
293340-П29
Шайба 10 ГОСТ 10450-78
В узле: 1
21
4301-2912452
Крышка заднего кронштейна рессоры
В узле: 2
22
3308-2902012-01
Рессора передняя
В узле: 2
23
200277-П2
Болт М8-6gх90 ОСТ 37.001.122-96
В узле: 1
24
51-2902068
Втулка распорная хомута рессоры
В узле: 3
25
250510-П2
Гайка М8-6Н ОСТ 37.001.124-93
В узле: 1
26
33097-2902015
Лист №1 передней рессоры с чашками
В узле: 1
27
3308-2902101
Лист №1 передней рессоры
В узле: 1
28
33097-2902016
Лист №2 передней рессоры с чашками
В узле: 1
29
53А-2902103
Лист №3 передней рессоры
В узле: 1
30
3308-2902051
Лист №4 передней рессоры с хомутами
В узле: 1
31
53А-2902105
Лист №5 передней рессоры
В узле: 1
32
53А-2902106
Лист №6 передней рессоры
В узле: 1
33
53А-2902107
Лист №7 передней рессоры
В узле: 1
34
3308-2902052
Лист №8 передней рессоры с хомутом
В узле: 1
35
53А-2902109
Лист №9 передней рессоры
В узле: 1
36
53А-2902110
Лист №10 передней рессоры
В узле: 1
37
53А-2902111
Лист №11 передней рессоры
В узле: 1
38
53А-2902112
Лист №12 передней рессоры
В узле: 1
39
3308-2902113
Лист №13
В узле: 1
40
251815-П29
Гайка М12х1,25-6Н
В узле: 1
41
291577-П29
Болт М12х1,25х110
В узле: 1
42
66-2902418
Подкладка стремянок передней рессоры правая
В узле: 1
42
66-2902419
Подкладка стремянок передней рессоры левая
В узле: 1
43
252141-П2
Шайба 20.ОТ ОСТ 37.001.115-75
В узле: 1
44
4595551375
Гайка М20х1,5
В узле: 1
Содержащиеся в справочниках-каталогах запасные части и детали не предлагаются к продаже, а носят исключительно информационный характер

Ваша заявка была отправлена. В ближайшее время наши специалисты с Вами свяжутся по указанному Вами телефону.

Представьтесь
Поле обязательно для заполнения
Ваш телефон
Введите правильный номер телефона
E-mail
Введите правильный e-mail
Тема
Тема
применяемость финансирование доставка цена, наличие другое сервис и гарантия
Время для звонка
08:00
08:00 09:00 10:00 11:00 12:00 13:00 14:00 15:00 16:00 17:00 18:00 19:00
19:00
08:00 09:00 10:00 11:00 12:00 13:00 14:00 15:00 16:00 17:00 18:00 19:00

Мы постараемся перезвонить в указанное время

Если вы не хотите ждать, то звоните нашим вежливым консультантам:

8 800 100-2-700
Подтвердите, что вы не робот
Подтвердите, что вы не робот
Спасибо!

Ваше сообщение успешно отправлено!

ЗакрытьПовторить попытку