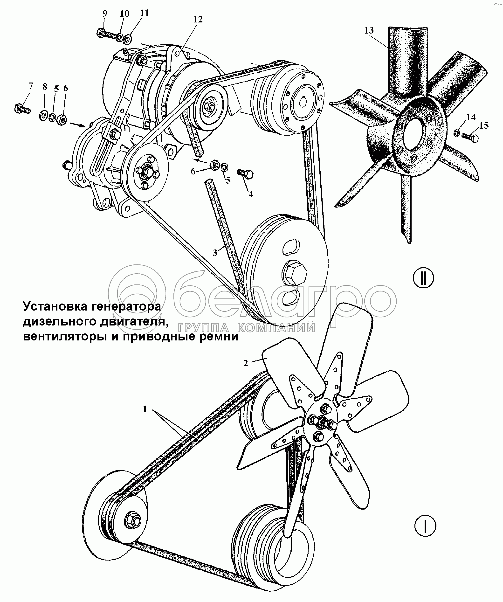
Каталог запасных частей к технике: ГАЗ-3308. Установка генератора дизельного двигателя

zoom-in zoom-out enlarge shrink circle-right circle-left file-text2 info cart arraw right arraw left zoom out zoom in arraw maximize arraw minimize
1
2
3
4
5
5
6
6
7
9
10
11
12
13
14
15
1
66-1308019
Ремень привода вентилятора (комплект)
В узле: 1
2
66-06-1308010
Вентилятор в сборе
В узле: 1
3
33081-1308021
Ремень 1-11х10-1250 ГОСТ 5813-93
В узле: 1
4
201501-П29
Болт М10-6gх35 ОСТ 37.001.123-96
В узле: 1
5
252156-П2
Шайба 10Л ОСТ 37.001.115-75
В узле: 1
6
250612-П29
Гайка М10-6Н ОСТ 37.001.124-93
В узле: 1
7
200320-П29
Болт М10-6gх55 ОСТ 37.001.122-96
В узле: 1
9
201458-П29
Болт М8-6gх25 ОСТ 37.001.123-96
В узле: 1
10
252135-П2
Шайба 8Т ОСТ 37.001.115-75
В узле: 1
11
252038-П29
Шайба 8 ОСТ 37.001.144-96
В узле: 1
12
5101.3701-01
Генератор (51.3701000-01)
В узле: 1
13
245-1308010
Вентилятор
В узле: 1
14
4799166022
Шайба 8
В узле: 6
15
4793671008
Болт М8х25
В узле: 6
Содержащиеся в справочниках-каталогах запасные части и детали не предлагаются к продаже, а носят исключительно информационный характер

Ваша заявка была отправлена. В ближайшее время наши специалисты с Вами свяжутся по указанному Вами телефону.

Представьтесь
Поле обязательно для заполнения
Ваш телефон
Введите правильный номер телефона
E-mail
Введите правильный e-mail
Тема
Тема
применяемость финансирование доставка цена, наличие другое сервис и гарантия
Время для звонка
08:00
08:00 09:00 10:00 11:00 12:00 13:00 14:00 15:00 16:00 17:00 18:00 19:00
19:00
08:00 09:00 10:00 11:00 12:00 13:00 14:00 15:00 16:00 17:00 18:00 19:00

Мы постараемся перезвонить в указанное время

Если вы не хотите ждать, то звоните нашим вежливым консультантам:

8 800 100-2-700
Подтвердите, что вы не робот
Подтвердите, что вы не робот
Спасибо!

Ваше сообщение успешно отправлено!

ЗакрытьПовторить попытку