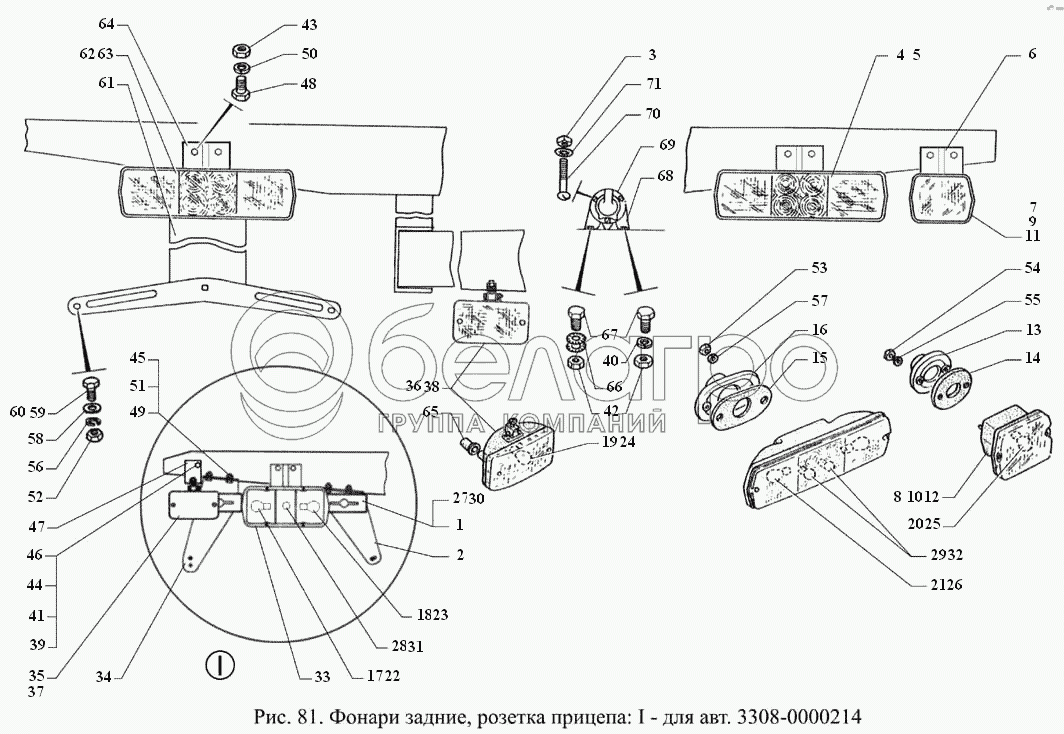
Каталог запасных частей к технике: ГАЗ-3308. Фонари задние, розетка прицепа

zoom-in zoom-out enlarge shrink circle-right circle-left file-text2 info cart arraw right arraw left zoom out zoom in arraw maximize arraw minimize
1
2
3
4
5
6
7
8
9
10
11
12
13
14
15
16
17
18
19
20
21
22
23
24
25
26
27
28
29
30
31
32
33
34
35
36
37
38
39
40
41
42
43
44
45
46
47
48
49
50
51
52
53
54
55
56
57
58
59
60
61
62
63
64
65
66
67
68
69
70
71
21
А12-21-3
Лампа
В узле: ---
Лампа А12-21-3 (12V21W BA15s (1 конт) Под заказ 18.84 р.
26
А24-21-3
Лампа накаливания (d=15, D=26,5, L=45) ГОСТ 2023.1 -88
В узле: ---
Лампа А24-21-3 (24V21W BA15s/19 (1 конт.) Под заказ 18.90 р.
1
ФП134
Фонарь освещения номерного знака (ФП134-3717010)
В узле: ---
2
66-11-3717082
Кронштейн фонаря освещения номерного знака правый
В узле: ---
3
251086-П29
Гайка М5-6Н ОСТ 37.001.112-91
В узле: ---
4
356.3716010
Фонарь 356.3716 задний правый
В узле: ---
5
354.3716010
Фонарь 354.3716 задний правый
В узле: ---
6
66-11-3716106
Кронштейн фары заднего хода
В узле: ---
8
2102.3711010-02
Фара заднего хода 2102.3711-02 ТУ 37.003.675-82
В узле: ---
10
ФП135-В
Фонарь заднего хода (ФП135-3716010) (покупное изделие)
В узле: ---
12
ФП135Г
Фонарь заднего хода (ФП135-3716010-Г)
В узле: ---
13
3302-3712093
Кожух защитный
В узле: ---
14
3302-3712094
Прокладка кожуха защитного
В узле: ---
15
3302-3716094
Прокладка кожуха
В узле: ---
16
3302-3716093
Кожух защитный штекерного разъема
В узле: ---
29
А12-5
Лампа (53-70-3714033)
В узле: ---
32
А24-5-3
Лампа
В узле: ---
33
ФП133А
Фонарь задний (ФП133А-3716010)
В узле: ---
34
66-11-3717083
Кронштейн фонаря освещения номерного знака левый
В узле: ---
36
2452.3716010
Фонарь 2452.3716 задний противотуманный ТУ37.003.1104-82
В узле: ---
38
2462.3716010
Фонарь 2462.3716 задний противотуманный ТУ37.003.1104-82
В узле: ---
40
252155-П2
Шайба 8Л ОСТ 37.001.115-75
В узле: ---
41
252038-П29
Шайба 8 ОСТ 37.001.144-96
В узле: ---
45
250510-П29
Гайка М8-6Н ОСТ 37.001.124-93
В узле: ---
46
201456-П29
Болт М8-6gх20 ОСТ 37.001.123-96
В узле: ---
47
3308-3743014
Кронштейн
В узле: ---
49
201454-П29
Болт М8-6gх16 ОСТ 37.001.123-96
В узле: ---
51
252135-П2
Шайба 8Т ОСТ 37.001.115-75
В узле: ---
54
250508-П29
Гайка М6-6Н ОСТ 37.001.124-93
В узле: ---
57
252134-П2
Шайба 6Т ОСТ 37.001.115-75
В узле: ---
58
252004-П29
Шайба 6 ОСТ 37.001.144-96
В узле: ---
59
201416-П29
Болт М6-6gх12 ОСТ 37.001.123-96
В узле: ---
60
201417-П29
Болт М6-6gх14 ОСТ 37.001.123-96
В узле: ---
61
3307-3716010-10
Держатель заднего номерного знака
В узле: ---
62
357.3716010
Фонарь 357.3716 задний левый
В узле: ---
63
355.3716010
Фонарь 355.3716 задний левый
В узле: ---
64
66-11-3716045
Держатель заднего фонаря
В узле: ---
65
66-92-3743026
Колпачок защитный
В узле: ---
66
293270-П29
Шайба 8,2
В узле: ---
67
201455-П29
Болт М8-6gх18 ОСТ 37.001.123-96
В узле: ---
68
63-3730031
Кронштейн крепления штепсельной розетки прицепа
В узле: ---
69
ПС300А3-100
Розетка (ПС300А3-3723100)
В узле: ---
70
223048-П29
Винт М5-6gх35 ОСТ 37.001.126-81
В узле: ---
71
252173-П29
Шайба 2-5 ОСТ 37.001.145-75
В узле: ---
Содержащиеся в справочниках-каталогах запасные части и детали не предлагаются к продаже, а носят исключительно информационный характер

Ваша заявка была отправлена. В ближайшее время наши специалисты с Вами свяжутся по указанному Вами телефону.

Представьтесь
Поле обязательно для заполнения
Ваш телефон
Введите правильный номер телефона
E-mail
Введите правильный e-mail
Тема
Тема
применяемость финансирование доставка цена, наличие другое сервис и гарантия
Время для звонка
08:00
08:00 09:00 10:00 11:00 12:00 13:00 14:00 15:00 16:00 17:00 18:00 19:00
19:00
08:00 09:00 10:00 11:00 12:00 13:00 14:00 15:00 16:00 17:00 18:00 19:00

Мы постараемся перезвонить в указанное время

Если вы не хотите ждать, то звоните нашим вежливым консультантам:

8 800 100-2-700
Подтвердите, что вы не робот
Подтвердите, что вы не робот
Спасибо!

Ваше сообщение успешно отправлено!

ЗакрытьПовторить попытку