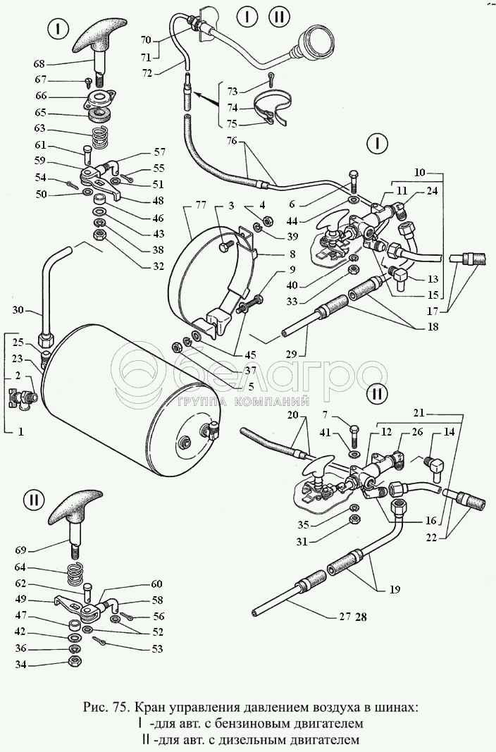
Каталог запасных частей к технике: ГАЗ-3308. Кран управления давлением воздуха в шинах

zoom-in zoom-out enlarge shrink circle-right circle-left file-text2 info cart arraw right arraw left zoom out zoom in arraw maximize arraw minimize
1
2
3
4
5
6
7
8
9
10
11
12
13
14
15
16
17
18
19
20
21
22
23
24
25
26
27
28
29
30
31
32
33
34
35
36
37
38
39
40
41
42
43
44
45
46
47
48
49
50
51
52
53
54
55
56
57
58
59
60
61
62
63
64
65
66
67
68
69
70
71
72
73
74
75
76
77
1
3308-3121010
Воздушный баллон
В узле: ---
2
ВС8-1Т
Краник сливной (Г-21Ю-1305010-А)
В узле: ---
3
201456-П29
Болт М8-6gх20 ОСТ 37.001.123-96
В узле: ---
4
250510-П29
Гайка М8-6Н ОСТ 37.001.124-93
В узле: ---
5
250510-П29
Гайка М8-6Н ОСТ 37.001.124-93
В узле: ---
6
201460-П29
Болт М8-6gх30 ОСТ 37.001.123-96
В узле: ---
7
201460-П29
Болт М8-6gх30 ОСТ 37.001.123-96
В узле: ---
8
3307-3513082
Кронштейн крепления вакуумного баллона передний
В узле: ---
9
290693-П29
Болт М8-6gх55
В узле: ---
10
3308-3122010
Кран управления
В узле: ---
11
131-4222011
Кран управления давлением
В узле: ---
12
131-4222011
Кран управления давлением
В узле: ---
13
66-02-4222017
Штуцер угловой
В узле: ---
14
66-02-4222017
Штуцер угловой
В узле: ---
15
66-02-4222016
Тройник крана управления давлением
В узле: ---
16
66-02-4222016
Тройник крана управления давлением
В узле: ---
17
3308-3125040
Трубка от крана управления к колесам со шлангом первая
В узле: ---
18
3308-3125032
Трубка от воздушного баллона к крану управления вторая со шлангом
В узле: ---
19
3308-3125032
Трубка от воздушного баллона к крану управления вторая со шлангом
В узле: ---
20
33081-3125128
Трубка от крана управления к манометру шин со шлангом первая
В узле: ---
21
33081-3122010
Кран управления
В узле: ---
22
33081-3125040
Трубка от крана управления к колесам со шлангом первая
В узле: ---
23
66-11-3513015
Баллон воздушный в сборе
В узле: ---
24
40П-4221020
Штуцер угловой
В узле: ---
25
40П-4221020
Штуцер угловой
В узле: ---
26
40П-4221020
Штуцер угловой
В узле: ---
27
3308-3125034
Трубка от воздушного баллона к крану управления первая
В узле: ---
28
3308-3125034
Трубка от воздушного баллона к крану управления первая
В узле: ---
29
3308-3125034
Трубка от воздушного баллона к крану управления первая
В узле: ---
30
3308-3125034
Трубка от воздушного баллона к крану управления первая
В узле: ---
31
250610-П29
Гайка М8-6Н ОСТ 37.001.124-93
В узле: ---
32
250610-П29
Гайка М8-6Н ОСТ 37.001.124-93
В узле: ---
33
250610-П29
Гайка М8-6Н ОСТ 37.001.124-93
В узле: ---
34
250610-П29
Гайка М8-6Н ОСТ 37.001.124-93
В узле: ---
35
252135-П2
Шайба 8Т ОСТ 37.001.115-75
В узле: ---
36
252135-П2
Шайба 8Т ОСТ 37.001.115-75
В узле: ---
37
252135-П2
Шайба 8Т ОСТ 37.001.115-75
В узле: ---
38
252135-П2
Шайба 8Т ОСТ 37.001.115-75
В узле: ---
39
252135-П2
Шайба 8Т ОСТ 37.001.115-75
В узле: ---
40
252135-П2
Шайба 8Т ОСТ 37.001.115-75
В узле: ---
41
252005-П29
Шайба 8 ОСТ 37.001.144-96
В узле: ---
42
252005-П29
Шайба 8 ОСТ 37.001.144-96
В узле: ---
43
252005-П29
Шайба 8 ОСТ 37.001.144-96
В узле: ---
44
252005-П29
Шайба 8 ОСТ 37.001.144-96
В узле: ---
45
252005-П29
Шайба 8 ОСТ 37.001.144-96
В узле: ---
46
66-52-4222021
Втулка направляющая
В узле: ---
47
66-52-4222021
Втулка направляющая
В узле: ---
48
66-02-4222026-Б2
Фиксатор рукоятки
В узле: ---
49
66-02-4222026-Б2
Фиксатор рукоятки
В узле: ---
50
252004-П29
Шайба 6 ОСТ 37.001.144-96
В узле: ---
51
252004-П29
Шайба 6 ОСТ 37.001.144-96
В узле: ---
52
252004-П29
Шайба 6 ОСТ 37.001.144-96
В узле: ---
53
258012-П29
Шплинт 2х12 ОСТ 37.001.171-93
В узле: ---
54
258012-П29
Шплинт 2х12 ОСТ 37.001.171-93
В узле: ---
55
258012-П29
Шплинт 2х12 ОСТ 37.001.171-93
В узле: ---
56
258012-П29
Шплинт 2х12 ОСТ 37.001.171-93
В узле: ---
57
66-02-4222020
Тяга рукоятки крана управления
В узле: ---
58
66-02-4222020
Тяга рукоятки крана управления
В узле: ---
59
40П-4222022
Вилка тяги
В узле: ---
60
40П-4222022
Вилка тяги
В узле: ---
61
260012-П29
Палец 6х20 ОСТ 37.001.163-97
В узле: ---
62
260012-П29
Палец 6х20 ОСТ 37.001.163-97
В узле: ---
63
51-3401033
Пружина трубки провода сигнала нижней крышки картера
В узле: ---
64
51-3401033
Пружина трубки провода сигнала нижней крышки картера
В узле: ---
65
3308-3122028
Уплотнитель
В узле: ---
66
3308-3122029
Крышка уплотнителя
В узле: ---
67
240817-П29
Винт М4х10 ОСТ 37.001.188-81
В узле: ---
68
66-02-4222012
Рукоятка крана управления давлением в сборе
В узле: ---
69
66-02-4222012
Рукоятка крана управления давлением в сборе
В узле: ---
70
250636-П29
Гайка М16х1,5-6Н ОСТ 37.001.124-93
В узле: ---
71
252239-П29
Шайба 2-16 ОСТ 37.001.146-75
В узле: ---
72
3308-3125131
Трубка от крана управления к манометру шин вторая
В узле: ---
73
297535-П29
Шплинт 2,7х12
В узле: ---
74
297533-П29
Лента хомута 5х110
В узле: ---
75
297540-П29
Пряжка 3,3х5,5
В узле: ---
76
3308-3125128
Трубка к манометру шин со шлангом первая
В узле: ---
77
3307-3513072
Хомут крепления вакуумного баллона в сборе
В узле: ---
Содержащиеся в справочниках-каталогах запасные части и детали не предлагаются к продаже, а носят исключительно информационный характер

Ваша заявка была отправлена. В ближайшее время наши специалисты с Вами свяжутся по указанному Вами телефону.

Представьтесь
Поле обязательно для заполнения
Ваш телефон
Введите правильный номер телефона
E-mail
Введите правильный e-mail
Тема
Тема
применяемость финансирование доставка цена, наличие другое сервис и гарантия
Время для звонка
08:00
08:00 09:00 10:00 11:00 12:00 13:00 14:00 15:00 16:00 17:00 18:00 19:00
19:00
08:00 09:00 10:00 11:00 12:00 13:00 14:00 15:00 16:00 17:00 18:00 19:00

Мы постараемся перезвонить в указанное время

Если вы не хотите ждать, то звоните нашим вежливым консультантам:

8 800 100-2-700
Подтвердите, что вы не робот
Подтвердите, что вы не робот
Спасибо!

Ваше сообщение успешно отправлено!

ЗакрытьПовторить попытку