Каталог запасных частей к технике: ГАЗ-3308. Масляный радиатор бензинового двигателя

zoom-in zoom-out enlarge shrink circle-right circle-left file-text2 info cart arraw right arraw left zoom out zoom in arraw maximize arraw minimize
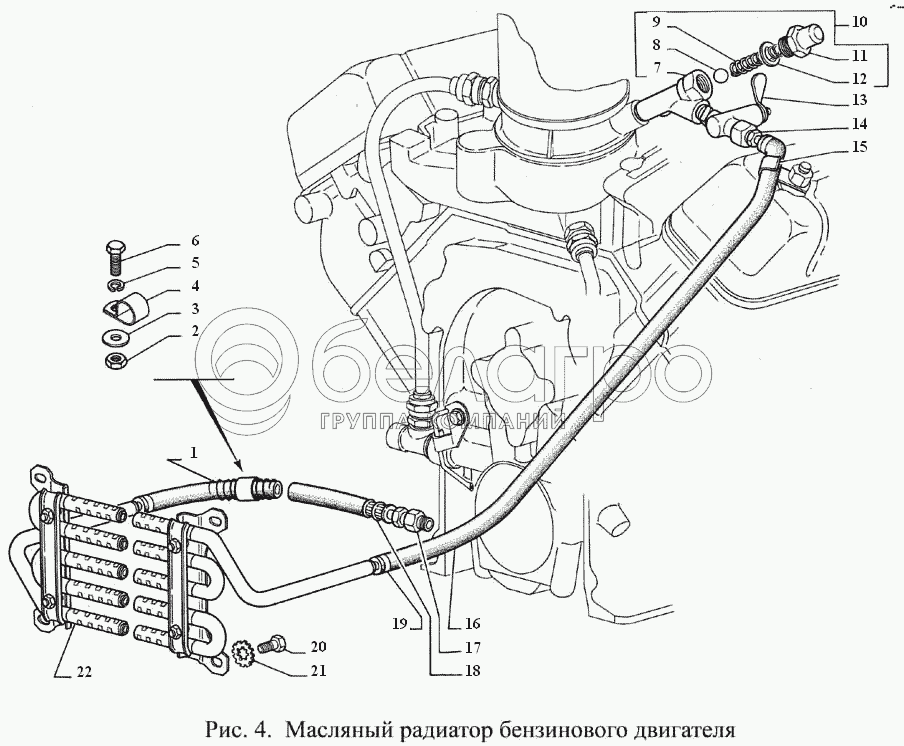
1
2
3
4
5
6
7
8
9
10
11
12
13
14
15
16
17
18
19
20
21
22
1
63-1013102-А
Оболочка защитная шланга масляного радиатора
В узле: ---
2
250610-П29
Гайка М8-6Н ОСТ 37.001.124-93
В узле: ---
3
252038-П29
Шайба 8 ОСТ 37.001.144-96
В узле: ---
4
297508-П29
Скоба 20
В узле: ---
5
252155-П2
Шайба 8Л ОСТ 37.001.115-75
В узле: ---
6
201458-П29
Болт М8-6gх25 ОСТ 37.001.123-96
В узле: ---
7
53-1013097
Корпус клапана масляного радиатора
В узле: ---
8
Б 11.906-200
Шарик
В узле: ---
9
202-6092
Пружина перепускного клапана масляного радиатора
В узле: ---
10
53-1013095
Клапан масляного радиатора в сборе
В узле: ---
11
296499-П29
Пробка М18х1,5х12
В узле: ---
12
293469-П
Шайба 18
В узле: ---
13
ПП6-1-0
Краник запорный
В узле: ---
14
53А-1104138
Трубка бензинопровода от фильтра к шлангу и от шланга к карбюратору
В узле: ---
15
66-3724093
Скоба крепления жгута проводов на крышке коромысел
В узле: ---
16
21Б-1017125-10
Шланг подогрева дросселя
В узле: ---
17
298339-П29
Штуцер КГ 1/4"
В узле: ---
18
3308-1013100
Шланг
В узле: ---
19
00.10.00-07
Хомут 12-18 ТО17-9-20-98
В узле: ---
20
201452-П29
Болт М8-6gх12 ОСТ 37.001.123-96
В узле: ---
21
293270-П29
Шайба 8,2
В узле: ---
22
66-1013010-18
Радиатор масляный
В узле: ---
Содержащиеся в справочниках-каталогах запасные части и детали не предлагаются к продаже, а носят исключительно информационный характер

Ваша заявка была отправлена. В ближайшее время наши специалисты с Вами свяжутся по указанному Вами телефону.

Представьтесь
Поле обязательно для заполнения
Ваш телефон
Введите правильный номер телефона
E-mail
Введите правильный e-mail
Тема
Тема
применяемость финансирование доставка цена, наличие другое сервис и гарантия
Время для звонка
08:00
08:00 09:00 10:00 11:00 12:00 13:00 14:00 15:00 16:00 17:00 18:00 19:00
19:00
08:00 09:00 10:00 11:00 12:00 13:00 14:00 15:00 16:00 17:00 18:00 19:00

Мы постараемся перезвонить в указанное время

Если вы не хотите ждать, то звоните нашим вежливым консультантам:

8 800 100-2-700
Подтвердите, что вы не робот
Подтвердите, что вы не робот
Спасибо!

Ваше сообщение успешно отправлено!

ЗакрытьПовторить попытку