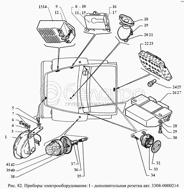
Каталог запасных частей к технике: ГАЗ-3308. Приборы электрооборудования

zoom-in zoom-out enlarge shrink circle-right circle-left file-text2 info cart arraw right arraw left zoom out zoom in arraw maximize arraw minimize
1
3
4
5
6
7
8
9
10
11
12
13
14
15
16
17
18
19
20
21
22
23
24
25
26
27
28
29
30
32
33
34
35
36
37
38
39
40
41
42
24
А12-21-3
Лампа
В узле: ---
Лампа А12-21-3 (12V21W BA15s (1 конт) Под заказ 18.84 р.
25
А24-21-3
Лампа накаливания (d=15, D=26,5, L=45) ГОСТ 2023.1 -88
В узле: ---
Лампа А24-21-3 (24V21W BA15s/19 (1 конт.) Под заказ 18.90 р.
40
А24-5-1
Лампа накаливания (d=15, D=19, L=30) ГОСТ 2023.1-88
В узле: ---
Лампа А24-5-1 (24V5W BA15s (1 конт) Под заказ 13.03 р.
1
201.3721-01
Сигнал звуковой безрупорный (201.3721000-01)
В узле: ---
2
С306Д/С307Д-3721000-01
Комплект звуковых сигнальных приборов
В узле: ---
3
3307-3721064
Кронштейн сигнала
В узле: ---
4
4301-3724343
Провод минусовый
В узле: ---
6
201417-П29
Болт М6-6gх14 ОСТ 37.001.123-96
В узле: ---
10
4599526-092
Шайба 6
В узле: ---
12
201418-П29
Болт М6-6gх16 ОСТ 37.001.123-96
В узле: ---
13
131.3734
Коммутатор (131.3734000)
В узле: ---
14
90.3734
Коммутатор
В узле: ---
15
201416-П29
Болт М6-6gх12 ОСТ 37.001.123-96
В узле: ---
16
2702.3702010
Регулятор напряжения 2702.3702 ТУ 37.463.120-91
В узле: ---
17
3308-3702016
Кронштейн
В узле: ---
18
ПД308Б
Фонарь освещения под капотом
В узле: ---
19
240037-П29
Винт М5х16 ОСТ 37.001.187-81
В узле: ---
20
А12-10
Лампа подкапотная
В узле: ---
21
А24-5-2
Лампа
В узле: ---
22
0026.023714
Плафон освещения грузового отсека
В узле: ---
23
0026.123714010
Плафон 0026.123714 ТУ 37.458.064-90 освещения кабины
В узле: ---
26
РС950П
Прерыватель указателей поворота (РС950П-3726010)
В узле: ---
27
РС951А-3726010-У-ХЛ
Прерыватель указателей поворота РС951А-У-ХЛ ТУ 37.453.056-82
В узле: ---
28
252004-П29
Шайба 6 ОСТ 37.001.144-96
В узле: ---
29
252154-П2
Шайба 6Л ОСТ 37.001.115-75
В узле: ---
30
290509-П29
Болт М6-6gх25
В узле: ---
31
201420-П29
Болт М6-6gх20 ОСТ 37.001.123-96
В узле: ---
32
51-3715021
Прокладка штепсельной розетки переносной лампы
В узле: ---
33
13.995.00-01
Розетка штепсельная 47К-О ТУ 2491-003-03964945-93
В узле: ---
34
221512-П29
Винт М3-6gх28 ОСТ 37.001.125-81
В узле: ---
35
53-3726180
Соединитель прокладки
В узле: ---
36
250464-П29
Гайка М5-6Н ОСТ 37.001.124-93
В узле: ---
37
252233-П29
Шайба 2-5 ОСТ 37.001.146-75
В узле: ---
38
53А-3726176
Прокладка бокового повторителя
В узле: ---
39
А12-5
Лампа (53-70-3714033)
В узле: ---
41
4573743-343
Повторитель боковой указателя поворота УП101-Г1-У ТУ37.003.7
В узле: ---
42
УП101-В
Повторитель боковой указателя поворота (УП101-3726010-В)
В узле: ---
Содержащиеся в справочниках-каталогах запасные части и детали не предлагаются к продаже, а носят исключительно информационный характер

Ваша заявка была отправлена. В ближайшее время наши специалисты с Вами свяжутся по указанному Вами телефону.

Представьтесь
Поле обязательно для заполнения
Ваш телефон
Введите правильный номер телефона
E-mail
Введите правильный e-mail
Тема
Тема
применяемость финансирование доставка цена, наличие другое сервис и гарантия
Время для звонка
08:00
08:00 09:00 10:00 11:00 12:00 13:00 14:00 15:00 16:00 17:00 18:00 19:00
19:00
08:00 09:00 10:00 11:00 12:00 13:00 14:00 15:00 16:00 17:00 18:00 19:00

Мы постараемся перезвонить в указанное время

Если вы не хотите ждать, то звоните нашим вежливым консультантам:

8 800 100-2-700
Подтвердите, что вы не робот
Подтвердите, что вы не робот
Спасибо!

Ваше сообщение успешно отправлено!

ЗакрытьПовторить попытку