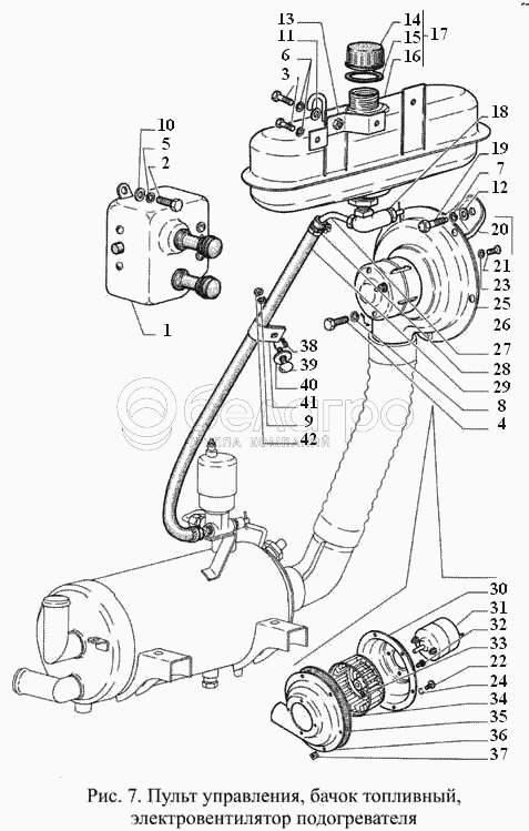
Каталог запасных частей к технике: ГАЗ-3308. Пульт управления, бачок топливный, электровентилятор подогревателя

zoom-in zoom-out enlarge shrink circle-right circle-left file-text2 info cart arraw right arraw left zoom out zoom in arraw maximize arraw minimize
1
2
3
4
5
6
7
8
9
10
11
12
13
14
15
16
17
18
19
20
21
22
23
24
25
26
27
28
29
30
31
32
33
34
35
36
37
38
39
40
41
42
1
3308-1015570
Пульт управления подогревателем
В узле: ---
2
201418-П29
Болт М6-6gх16 ОСТ 37.001.123-96
В узле: ---
3
201418-П29
Болт М6-6gх16 ОСТ 37.001.123-96
В узле: ---
4
201418-П29
Болт М6-6gх16 ОСТ 37.001.123-96
В узле: ---
5
252134-П2
Шайба 6Т ОСТ 37.001.115-75
В узле: ---
6
252134-П2
Шайба 6Т ОСТ 37.001.115-75
В узле: ---
7
252134-П2
Шайба 6Т ОСТ 37.001.115-75
В узле: ---
8
252134-П2
Шайба 6Т ОСТ 37.001.115-75
В узле: ---
9
252134-П2
Шайба 6Т ОСТ 37.001.115-75
В узле: ---
10
252004-П29
Шайба 6 ОСТ 37.001.144-96
В узле: ---
11
252004-П29
Шайба 6 ОСТ 37.001.144-96
В узле: ---
12
252004-П29
Шайба 6 ОСТ 37.001.144-96
В узле: ---
13
3307-1015496
Кронштейн переходный топливного бачка
В узле: ---
14
53-1015468
Пробка топливного бачка подогревателя
В узле: ---
15
53-1015479-А
Прокладка пробки топливного бачка подогревателя
В узле: ---
16
53А-1015455
Бачок топливный подогревателя в сборе
В узле: ---
17
53А-1015450
Бачок топливный пускового подогревателя с пробкой в сборе
В узле: ---
18
ВП5
Краник топливного бачка подогревателя
В узле: ---
19
290509-П29
Болт М6-6gх25
В узле: ---
20
3307-1015555
Кронштейн крепления электровентилятора
В узле: ---
21
220050-П29
Винт М4-6gх8 ОСТ 37.001.127-81
В узле: ---
22
220050-П29
Винт М4-6gх8 ОСТ 37.001.127-81
В узле: ---
23
252152-П2
Шайба 4Л ОСТ 37.001.115-75
В узле: ---
24
252152-П2
Шайба 4Л ОСТ 37.001.115-75
В узле: ---
25
3307-1015550
Электровентилятор подогревателя в сборе
В узле: ---
26
3307-1015545
Электровентилятор в сборе
В узле: ---
27
49Б-1015410
Трубка топливного бачка пускового подогревателя
В узле: ---
28
00.10.00
Хомут 12-22 ТО17-9-20-98
В узле: ---
29
63-1013101-30
Шланг от тройника к редукционному клапану
В узле: ---
30
30-8102016
Корпус вентилятора
В узле: ---
31
76.3730000
Электродвигатель 76.3730 ТУ 37.459.135-92
В узле: ---
32
30-5303045
Буфер
В узле: ---
33
242471-П29
Винт М5-6gх12 ОСТ 37.001.132-82
В узле: ---
34
81Ю-8102030
Ротор в сборе
В узле: ---
35
30-8102026
Прокладка
В узле: ---
36
41-8102020
Крышка корпуса в сборе
В узле: ---
37
251082-П29
Гайка М4-6Н ОСТ 37.001.112-91
В узле: ---
38
21-3713090
Скоба
В узле: ---
39
210358-П29
Болт М6-6gх20 ОСТ 37.001.106-75
В узле: ---
40
293277-П29
Шайба 8,5
В узле: ---
41
297506-П29
Скоба 16
В узле: ---
42
250508-П29
Гайка М6-6Н ОСТ 37.001.124-93
В узле: ---
Содержащиеся в справочниках-каталогах запасные части и детали не предлагаются к продаже, а носят исключительно информационный характер

Ваша заявка была отправлена. В ближайшее время наши специалисты с Вами свяжутся по указанному Вами телефону.

Представьтесь
Поле обязательно для заполнения
Ваш телефон
Введите правильный номер телефона
E-mail
Введите правильный e-mail
Тема
Тема
применяемость финансирование доставка цена, наличие другое сервис и гарантия
Время для звонка
08:00
08:00 09:00 10:00 11:00 12:00 13:00 14:00 15:00 16:00 17:00 18:00 19:00
19:00
08:00 09:00 10:00 11:00 12:00 13:00 14:00 15:00 16:00 17:00 18:00 19:00

Мы постараемся перезвонить в указанное время

Если вы не хотите ждать, то звоните нашим вежливым консультантам:

8 800 100-2-700
Подтвердите, что вы не робот
Подтвердите, что вы не робот
Спасибо!

Ваше сообщение успешно отправлено!

ЗакрытьПовторить попытку