Каталог запасных частей к технике: ГАЗ-3308. Расширительный бачок

zoom-in zoom-out enlarge shrink circle-right circle-left file-text2 info cart arraw right arraw left zoom out zoom in arraw maximize arraw minimize
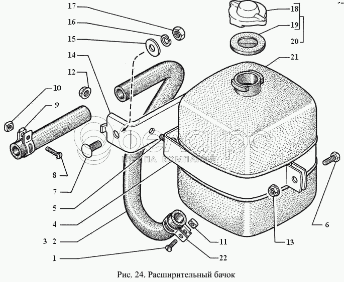
1
2
3
4
5
6
7
8
9
10
11
12
13
14
15
16
17
18
19
20
21
22
1
222476-П29
Винт М4-6gх20 ОСТ 37.001.128-96
В узле: ---
2
33081-1311095-10
Трубка соединительная
В узле: ---
3
33082-1311095
Трубка соединительная
В узле: ---
4
24-1311072
Хомут крепления бачка
В узле: ---
5
201418-П29
Болт М6-6gх16 ОСТ 37.001.123-96
В узле: ---
6
201418-П29
Болт М6-6gх16 ОСТ 37.001.123-96
В узле: ---
7
210379-П29
Болт М8-6gх20 ОСТ 37.001.106-75
В узле: ---
8
222476-П29
Винт М4-6gх20 ОСТ 37.001.128-96
В узле: ---
9
297406-П29
Хомут 20
В узле: ---
10
251082-П29
Гайка М4-6Н ОСТ 37.001.112-91
В узле: ---
11
251082-П29
Гайка М4-6Н ОСТ 37.001.112-91
В узле: ---
12
4599531-818
Гайка М6
В узле: ---
13
4599531-818
Гайка М6
В узле: ---
14
3308-1311082
Кронштейн
В узле: ---
15
252038-П29
Шайба 8 ОСТ 37.001.144-96
В узле: ---
16
252155-П2
Шайба 8Л ОСТ 37.001.115-75
В узле: ---
17
250510-П29
Гайка М8-6Н ОСТ 37.001.124-93
В узле: ---
18
24-1311066
Корпус пробки расширительного бачка
В узле: ---
19
24-1311067
Клапан пробки расширительного бачка
В узле: ---
20
24-1311065
Пробка расширительного бачка в сборе
В узле: ---
21
24-1311014
Бачок расширительный
В узле: ---
22
297409-П29
Хомут 24
В узле: ---
Содержащиеся в справочниках-каталогах запасные части и детали не предлагаются к продаже, а носят исключительно информационный характер

Ваша заявка была отправлена. В ближайшее время наши специалисты с Вами свяжутся по указанному Вами телефону.

Представьтесь
Поле обязательно для заполнения
Ваш телефон
Введите правильный номер телефона
E-mail
Введите правильный e-mail
Тема
Тема
применяемость финансирование доставка цена, наличие другое сервис и гарантия
Время для звонка
08:00
08:00 09:00 10:00 11:00 12:00 13:00 14:00 15:00 16:00 17:00 18:00 19:00
19:00
08:00 09:00 10:00 11:00 12:00 13:00 14:00 15:00 16:00 17:00 18:00 19:00

Мы постараемся перезвонить в указанное время

Если вы не хотите ждать, то звоните нашим вежливым консультантам:

8 800 100-2-700
Подтвердите, что вы не робот
Подтвердите, что вы не робот
Спасибо!

Ваше сообщение успешно отправлено!

ЗакрытьПовторить попытку