Каталог запасных частей к технике: ГАЗ-3308. Регулятор давления тормозов

zoom-in zoom-out enlarge shrink circle-right circle-left file-text2 info cart arraw right arraw left zoom out zoom in arraw maximize arraw minimize
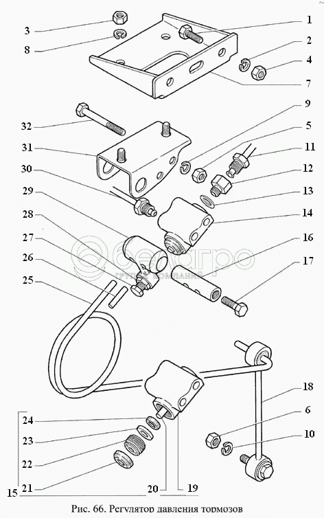
1
2
3
4
5
6
7
8
9
10
11
12
13
14
15
16
17
18
19
20
21
22
23
24
25
26
27
28
29
30
31
32
1
201456-П29
Болт М8-6gх20 ОСТ 37.001.123-96
В узле: ---
2
252135-П2
Шайба 8Т ОСТ 37.001.115-75
В узле: ---
3
250510-П29
Гайка М8-6Н ОСТ 37.001.124-93
В узле: ---
4
250510-П29
Гайка М8-6Н ОСТ 37.001.124-93
В узле: ---
5
250510-П29
Гайка М8-6Н ОСТ 37.001.124-93
В узле: ---
6
250510-П29
Гайка М8-6Н ОСТ 37.001.124-93
В узле: ---
7
33097-3535114
Кронштейн регулятора давления
В узле: ---
8
252155-П2
Шайба 8Л ОСТ 37.001.115-75
В узле: ---
9
252155-П2
Шайба 8Л ОСТ 37.001.115-75
В узле: ---
10
252155-П2
Шайба 8Л ОСТ 37.001.115-75
В узле: ---
11
33097-3506075
Трубка от регулятора к шлангу
В узле: ---
12
33078-3506005
Штуцер
В узле: ---
13
24-76-3506013
Прокладка крепления муфты шлангов задних тормозов
В узле: ---
14
31029-3535010
Регулятор давления тормозов
В узле: ---
15
31029-3535010
Регулятор давления тормозов
В узле: ---
16
24-3535070
Ось нажимного рычага
В узле: ---
17
290617-П29
Болт М8-6gх22
В узле: ---
18
33027-3535090
Стойка регулятора
В узле: ---
19
31029-3535014
Корпус регулятора
В узле: ---
20
31029-3535055
Поршень регулятора давления с клапаном
В узле: ---
21
31029-3535029
Чехол
В узле: ---
22
3105-3535024
Пробка регулятора давления тормозов
В узле: ---
23
3105-3535017
Втулка направляющая поршня регулятора давления тормозов
В узле: ---
24
31029-3535019
Манжета малой ступени поршня
В узле: ---
25
3302-3535074
Пружина нагрузочная
В узле: ---
26
258643-П29
Штифт 6х25 ОСТ 37.001.118-2000
В узле: ---
27
24-3535080
Болт регулировочный
В узле: ---
28
292809-П29
Гайка М10х1-5Н6Н
В узле: ---
29
24-3535066
Рычаг нажимной регулятора давления
В узле: ---
30
33097-3506030
Трубка от усилителя задних тормозов к регулятору давления
В узле: ---
31
33097-3535100
Кронштейн переходный
В узле: ---
32
200271-П29
Болт М8-6gх60 ОСТ 37.001.122-96
В узле: ---
Содержащиеся в справочниках-каталогах запасные части и детали не предлагаются к продаже, а носят исключительно информационный характер

Ваша заявка была отправлена. В ближайшее время наши специалисты с Вами свяжутся по указанному Вами телефону.

Представьтесь
Поле обязательно для заполнения
Ваш телефон
Введите правильный номер телефона
E-mail
Введите правильный e-mail
Тема
Тема
применяемость финансирование доставка цена, наличие другое сервис и гарантия
Время для звонка
08:00
08:00 09:00 10:00 11:00 12:00 13:00 14:00 15:00 16:00 17:00 18:00 19:00
19:00
08:00 09:00 10:00 11:00 12:00 13:00 14:00 15:00 16:00 17:00 18:00 19:00

Мы постараемся перезвонить в указанное время

Если вы не хотите ждать, то звоните нашим вежливым консультантам:

8 800 100-2-700
Подтвердите, что вы не робот
Подтвердите, что вы не робот
Спасибо!

Ваше сообщение успешно отправлено!

ЗакрытьПовторить попытку