Каталог запасных частей к технике: ГАЗ-3308. Замки и ручки дверей

zoom-in zoom-out enlarge shrink circle-right circle-left file-text2 info cart arraw right arraw left zoom out zoom in arraw maximize arraw minimize
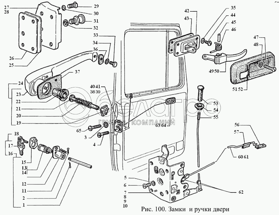
1
2
3
4
5
6
7
8
9
10
11
12
13
14
15
16
17
18
19
20
21
22
23
24
25
26
27
28
29
30
31
32
33
34
35
36
37
38
39
40
41
42
43
44
45
46
47
48
49
50
51
52
53
54
55
56
57
60
61
62
63
64
65
1
24-02-6305134
Стержень выключателя
В узле: ---
2
258013-П29
Шплинт 2х16 ОСТ 37.001.171-93
В узле: ---
3
252274-П29
Шайба 6 ОСТ 37.001.146-75
В узле: ---
4
222503-П29
Винт М5-6gх22 ОСТ 37.001.128-96
В узле: ---
5
252263-П29
Шайба 2-6 ОСТ 37.001.147-75
В узле: ---
6
221603-П29
Винт М6-6gх12 ОСТ 37.001.125-81
В узле: ---
7
4301-6105486
Механизм рычажный замка правый
В узле: ---
8
330707-6105486
Механизм замка рычажный правый
В узле: ---
9
4301-6105487
Механизм рычажный замка левый
В узле: ---
10
330707-6105487
Механизм замка рычажный левый
В узле: ---
11
258000-П29
Шплинт 1,6х10 ОСТ 37.001.171-93
В узле: ---
12
24-6105434
Пружина заслонки
В узле: ---
13
4301-6105122
Корпус выключателя
В узле: ---
14
4301-6105420
Цилиндр выключателя замка двери в сборе
В узле: ---
15
4301-6105432
Заслонка выключателя замка двери
В узле: ---
16
4301-6105090
Выключатель замка двери
В узле: ---
17
3102-6105548
Ключи замка двери с кольцом
В узле: ---
18
4301-6105080
Выключатель замка двери с ключами
В узле: ---
19
4301-6105294
Направляющая кнопки наружной ручки двери
В узле: ---
20
21-6105290-Б
Пружина кнопки
В узле: ---
21
4301-6105304-10
Толкатель кнопки наружной ручки двери
В узле: ---
22
4301-6105286
Кнопка наружной ручки двери
В узле: ---
23
4301-6105152-01
Ручка двери наружная
В узле: ---
24
4301-6105150-11
Ручка двери наружная в сборе
В узле: ---
25
4301-6106222
Прокладка регулировочная
В узле: ---
26
4301-6106220
Прокладка регулировочная
В узле: ---
27
4301-6106111
Фиксатор замка двери левый
В узле: ---
28
4301-6106110
Фиксатор замка двери правый
В узле: ---
29
221691-П29
Винт М8х1-6gх18 ОСТ 37.001.125-81
В узле: ---
30
252264-П29
Шайба 2-8 ОСТ 37.001.147-75
В узле: ---
31
4301-6106114
Шип фиксатора
В узле: ---
32
252156-П2
Шайба 10Л ОСТ 37.001.115-75
В узле: ---
33
290377-П29
Болт М5-6gх9
В узле: ---
34
252273-П29
Шайба 5 ОСТ 37.001.146-75
В узле: ---
35
252273-П29
Шайба 5 ОСТ 37.001.146-75
В узле: ---
36
4301-6105274-02
Прокладка наружной ручки двери малая
В узле: ---
37
4301-6105270-02
Прокладка наружной ручки двери большая
В узле: ---
38
4301-6105484
Механизм запорный замка правый
В узле: ---
39
330707-6105484
Механизм запорный замка в сборе
В узле: ---
40
4301-6105485
Механизм запорный замка левый
В узле: ---
41
330707-6105485
Механизм запорный замка в сборе
В узле: ---
42
31011-6105086
Основание привода замка двери
В узле: ---
43
31011-6105184
Прокладка привода замка
В узле: ---
44
224597-П29
Винт М5-6gх10 ОСТ 37.001.130-81
В узле: ---
45
4598411-360
Штифт 4х20 ОСТ 37.001.118-2000
В узле: ---
46
31011-6105098-01
Пружина привода
В узле: ---
47
223044-П29
Винт М5-6gх25 ОСТ 37.001.126-81
В узле: ---
48
252262-П29
Шайба 2-5 ОСТ 37.001.147-75
В узле: ---
49
4301-6105182
Ручка внутреннего привода правая
В узле: ---
50
4301-6105183
Ручка внутреннего привода левая
В узле: ---
51
4301-6105188
Розетка внутреннего привода правая
В узле: ---
52
4301-6105189
Розетка внутреннего привода левая
В узле: ---
53
4301-6105074
Наконечник тяги выключения замка двери
В узле: ---
54
4301-6105444
Втулка наконечника тяги выключения замка
В узле: ---
55
4301-6105070
Тяга выключения замка двери
В узле: ---
56
23А-5303270
Зажим тяги
В узле: ---
57
24-6105101
Чехол тяги
В узле: ---
58
3307-6105078
Привод с тягой правый
В узле: ---
59
3307-6105079
Привод с тягой левый
В узле: ---
60
4301-6105102-10
Тяга правая привода замка двери
В узле: ---
61
4301-6105103-10
Тяга привода замка двери левая
В узле: ---
62
24-6105442
Зажим тяги
В узле: ---
63
4301-6105083
Привод замка двери внутренний левый
В узле: ---
64
4301-6105082
Привод замка двери внутренний правый
В узле: ---
65
224631-П29
Винт М6-6gх30 ОСТ 37.001.130-81
В узле: ---
Содержащиеся в справочниках-каталогах запасные части и детали не предлагаются к продаже, а носят исключительно информационный характер

Ваша заявка была отправлена. В ближайшее время наши специалисты с Вами свяжутся по указанному Вами телефону.

Представьтесь
Поле обязательно для заполнения
Ваш телефон
Введите правильный номер телефона
E-mail
Введите правильный e-mail
Тема
Тема
применяемость финансирование доставка цена, наличие другое сервис и гарантия
Время для звонка
08:00
08:00 09:00 10:00 11:00 12:00 13:00 14:00 15:00 16:00 17:00 18:00 19:00
19:00
08:00 09:00 10:00 11:00 12:00 13:00 14:00 15:00 16:00 17:00 18:00 19:00

Мы постараемся перезвонить в указанное время

Если вы не хотите ждать, то звоните нашим вежливым консультантам:

8 800 100-2-700
Подтвердите, что вы не робот
Подтвердите, что вы не робот
Спасибо!

Ваше сообщение успешно отправлено!

ЗакрытьПовторить попытку