Каталог запасных частей к технике: ГАЗ-3309. Батареи аккумуляторные

zoom-in zoom-out enlarge shrink circle-right circle-left file-text2 info cart arraw right arraw left zoom out zoom in arraw maximize arraw minimize
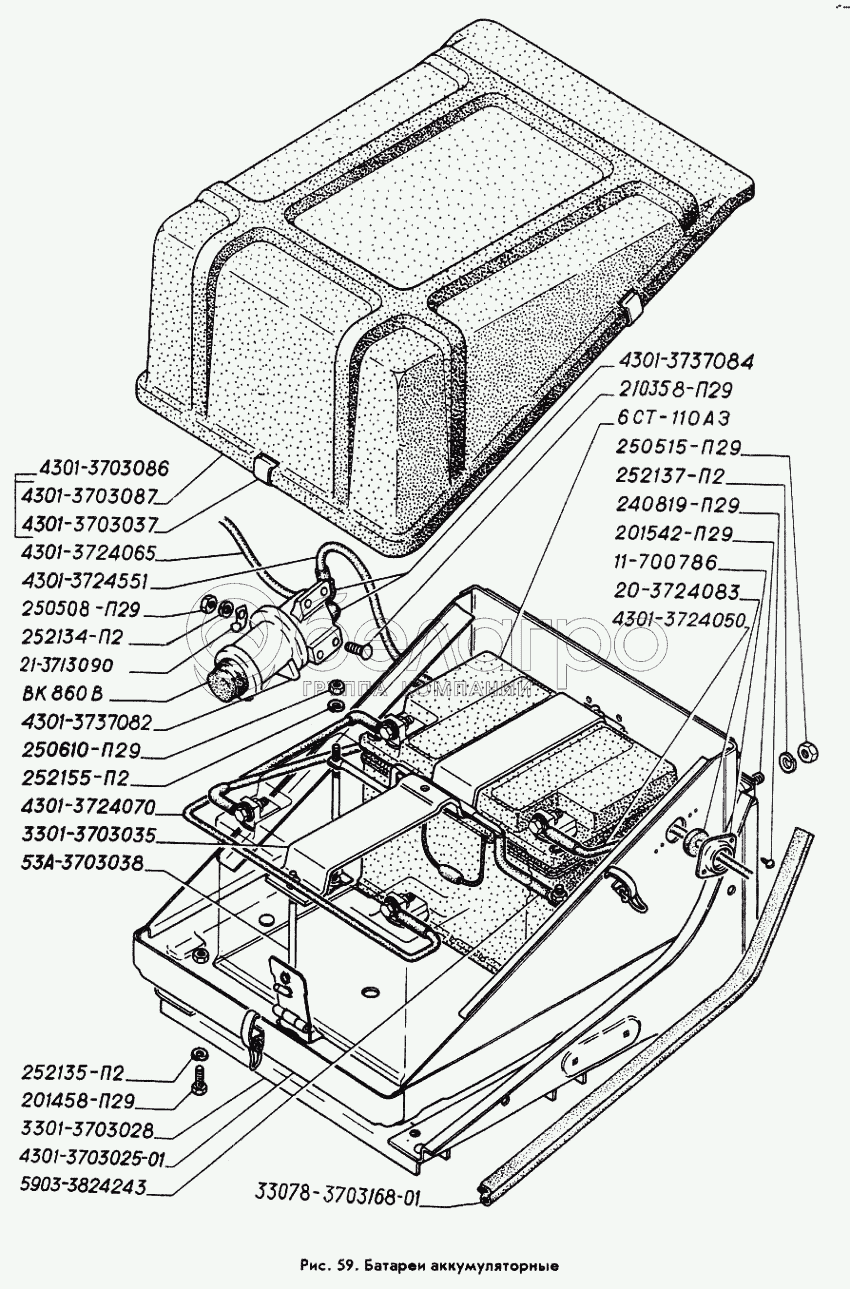
5903-3824243
4301-3724551
3301-3703035
21-3713090
53А-3703038
4301-3724070
20-3724083
4301-3703037
4301-3737082
4301-3737084
252137-П2
252134-П2
252155-П2
252135-П2
3301-3703028
201542-П29
210358-П29
201458-П29
240819-П29
ВК860В.3737000
250515-П29
250508-П29
250610-П29
33078-3703168-01
6СТ-110А3
4301-3703087
4301-3703086
11-700786
4301-3703025-01
4301-3703025-10
4301-3724050
4301-3724065
5903-3824243
Трубка
В узле: 1
4301-3724551
Провод
В узле: 1
4301-3724050-10
Провод
В узле: 1
4301-3724071-10
Провод
В узле: 1
4301-3724072-10
Провод
В узле: 1
4301-3724551-10
Провод (Применяется при установке аккумуляторных батарей 6СТ-55А3)
В узле: 1
4301-3703720
Прокладка (Применяется при установке аккумуляторных батарей 6СТ-55А3)
В узле: 1
3301-3703035
Рамка крепления аккумуляторных батарей
В узле: 1
4301-3703035
Рамка крепления аккумуляторных батарей (Применяется при установке аккумуляторных батарей 6СТ-55А3)
В узле: 1
21-3713090
Скоба
В узле: 7
53А-3703038
Стяжка крепления аккумуляторной батареи
В узле: 4
4301-3724070
Провод
В узле: 1
20-3724083
Уплотнитель
В узле: 2
51А-3724083
Уплотнитель
В узле: 2
4301-3703037
Упор крышки
В узле: 3
4301-3737082
Чехол защитный
В узле: 1
4301-3737084
Чехол защитный вывода стартера
В узле: 3
252137-П2
Шайба 12.ОТ ОСТ 37.001.115-75
В узле: 109
252134-П2
Шайба 6Т ОСТ 37.001.115-75
В узле: 109
252155-П2
Шайба 8Л ОСТ 37.001.115-75
В узле: 111
252135-П2
Шайба 8Т ОСТ 37.001.115-75
В узле: 139
3301-3703028
Кронштейн крепления основания
В узле: 1
6СТ-55А3
Батарея аккумуляторная ИЛАЕ 563.412007
В узле: 4
201542-П29
Болт М12-6gх35 ОСТ 37.001.123-96
В узле: 25
210358-П29
Болт М6-6gх20 ОСТ 37.001.106-75
В узле: 2
201458-П29
Болт М8-6gх25 ОСТ 37.001.123-96
В узле: 35
240819-П29
Винт М4х16 ОСТ 37.001.188-81
В узле: 13
ВК860В.3737000
Выключатель ВК860В
В узле: 1
250515-П29
Гайка М12х1,25-6Н ОСТ 37.001.124-93
В узле: 56
250508-П29
Гайка М6-6Н ОСТ 37.001.124-93
В узле: 92
250610-П29
Гайка М8-6Н ОСТ 37.001.124-93
В узле: 22
33078-3703168-01
Кант кронштейна основания
В узле: 1
6СТ-110А3
Батарея аккумуляторная
В узле: 2
4301-3703087
Крышка аккумуляторных батарей
В узле: 1
4301-3703086
Крышка аккумуляторных батарей в сборе
В узле: 1
330701-3724310
Наконечник
В узле: 3
330701-3724310
Наконечник
В узле: 3
11-700786
Обойма уплотнителя пучка проводов
В узле: 2
4301-3703025-01
Основание аккумуляторных батарей
В узле: 1
4301-3703025-10
Основание аккумуляторной батареи
В узле: 1
4301-3724050
Провод
В узле: 1
4301-3724065
Провод
В узле: 1
Содержащиеся в справочниках-каталогах запасные части и детали не предлагаются к продаже, а носят исключительно информационный характер

Ваша заявка была отправлена. В ближайшее время наши специалисты с Вами свяжутся по указанному Вами телефону.

Представьтесь
Поле обязательно для заполнения
Ваш телефон
Введите правильный номер телефона
E-mail
Введите правильный e-mail
Тема
Тема
применяемость финансирование доставка цена, наличие другое сервис и гарантия
Время для звонка
08:00
08:00 09:00 10:00 11:00 12:00 13:00 14:00 15:00 16:00 17:00 18:00 19:00
19:00
08:00 09:00 10:00 11:00 12:00 13:00 14:00 15:00 16:00 17:00 18:00 19:00

Мы постараемся перезвонить в указанное время

Если вы не хотите ждать, то звоните нашим вежливым консультантам:

8 800 100-2-700
Подтвердите, что вы не робот
Подтвердите, что вы не робот
Спасибо!

Ваше сообщение успешно отправлено!

ЗакрытьПовторить попытку