Каталог запасных частей к технике: ГАЗ-3309. Электрооборудование

zoom-in zoom-out enlarge shrink circle-right circle-left file-text2 info cart arraw right arraw left zoom out zoom in arraw maximize arraw minimize
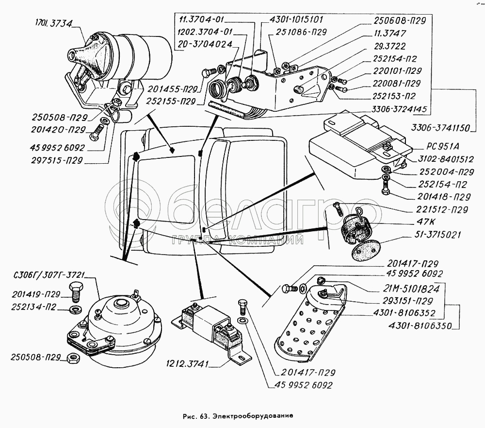
47К
1701.3734
С306Г/307Г-3721
4301-1015101
29.3722
РС951А-3726010
51-3715021
3306-3741150
1212.3741000
11.3747010
4301-8106352
297515-П29
293151-П29
252153-П2
252004-П29
252154-П2
252154-П2
252134-П2
252155-П29
45 9952 6092
45 9952 6092
45 9952 6092
11.3704-01
201417-П29
201417-П29
201418-П29
201419-П29
201420-П29
201455-П29
221512-П29
220081-П29
220101-П29
4301-8106350
1202.3704-01
20-3704024
251086-П29
250508-П29
250508-П29
250608-П29
3102-8401512
3306-3724145
21М-5101824
47К
Розетка штепсельная
В узле: 1
1701.3734
Коммутатор транзисторный с катушкой зажигания
В узле: 1
С306Г/307Г-3721
Комплект рупорных звуковых сигналов
В узле: 1
4301-1015101
Кронштейн
В узле: 1
29.3722
Предохранитель
В узле: 1
РС951А-3726010
Прерыватель указателей поворота РС951А
В узле: 1
51-3715021
Прокладка штепсельной розетки переносной лампы
В узле: 1
3306-3741150
Пульт управления подогревателем
В узле: 1
1212.3741000
Резистор добавочный с электротермическим реле 1212.3741
В узле: 1
11.3747010
Реле 11.3747
В узле: 6
4301-8106352
Кожух сопротивления в сборе
В узле: 1
297515-П29
Скоба
В узле: 4
293151-П29
Шайба 4
В узле: 8
252153-П2
Шайба 5Л ОСТ 37.001.115-75
В узле: 20
252004-П29
Шайба 6 ОСТ 37.001.144-96
В узле: 82
252154-П2
Шайба 6Л ОСТ 37.001.115-75
В узле: 96
252134-П2
Шайба 6Т ОСТ 37.001.115-75
В узле: 109
252155-П29
Шайба пружинная 8
В узле: 2
45 9952 6092
Шайба 6
В узле: ---
11.3704-01
Выключатель кнопочный
В узле: 1
201417-П29
Болт М6-6gх14 ОСТ 37.001.123-96
В узле: 48
201418-П29
Болт М6-6gх16 ОСТ 37.001.123-96
В узле: 12
201419-П29
Болт М6-6gх18 ОСТ 37.001.123-96
В узле: 13
201420-П29
Болт М6-6gх20 ОСТ 37.001.123-96
В узле: 55
201455-П29
Болт М8-6gх18 ОСТ 37.001.123-96
В узле: 63
221512-П29
Винт М3-6gх28 ОСТ 37.001.125-81
В узле: 2
220081-П29
Винт М5-6gх18 ОСТ 37.001.127-81
В узле: 2
220101-П29
Винт М6-6gх8 ОСТ 37.001.127-81
В узле: 6
4301-8106350
Балластное сопротивление в сборе
В узле: 1
1202.3704-01
Выключатель
В узле: 1
20-3704024
Гайка
В узле: 1
251086-П29
Гайка М5-6Н ОСТ 37.001.112-91
В узле: 28
250508-П29
Гайка М6-6Н ОСТ 37.001.124-93
В узле: 92
250608-П29
Гайка М6-6Н ОСТ 37.001.124-93
В узле: 25
3102-8401512
Держатель гайки в сборе
В узле: 14
3306-3724145
Жгут проводов подогревателя
В узле: 1
21М-5101824
Заглушка
В узле: 4
Содержащиеся в справочниках-каталогах запасные части и детали не предлагаются к продаже, а носят исключительно информационный характер

Ваша заявка была отправлена. В ближайшее время наши специалисты с Вами свяжутся по указанному Вами телефону.

Представьтесь
Поле обязательно для заполнения
Ваш телефон
Введите правильный номер телефона
E-mail
Введите правильный e-mail
Тема
Тема
применяемость финансирование доставка цена, наличие другое сервис и гарантия
Время для звонка
08:00
08:00 09:00 10:00 11:00 12:00 13:00 14:00 15:00 16:00 17:00 18:00 19:00
19:00
08:00 09:00 10:00 11:00 12:00 13:00 14:00 15:00 16:00 17:00 18:00 19:00

Мы постараемся перезвонить в указанное время

Если вы не хотите ждать, то звоните нашим вежливым консультантам:

8 800 100-2-700
Подтвердите, что вы не робот
Подтвердите, что вы не робот
Спасибо!

Ваше сообщение успешно отправлено!

ЗакрытьПовторить попытку