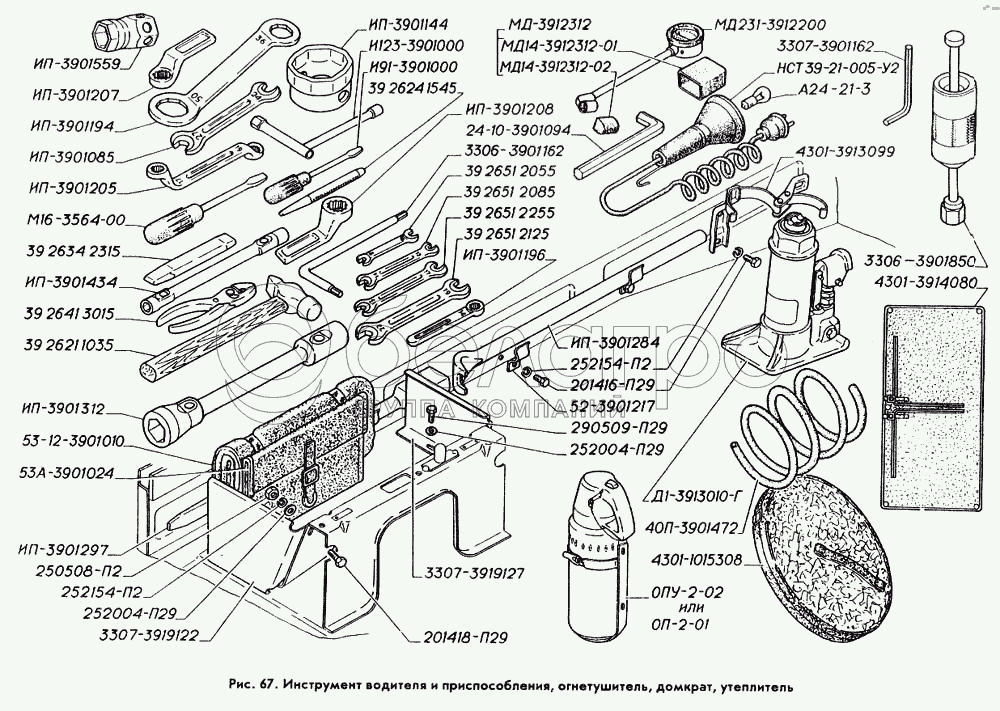
Каталог запасных частей к технике: ГАЗ-3309. Инструмент водителя и приспособления, огнетушитель, домкрат утеплитель

zoom-in zoom-out enlarge shrink circle-right circle-left file-text2 info cart arraw right arraw left zoom out zoom in arraw maximize arraw minimize
МД-3912312
А24-21-3
ИП-3901297
ИП-3901284
МД231-3912200
ОП-2-01
ОПУ-2-02
И91-3901000
М16-3564-00
53-12-3901010
53А-3901024
3306-3901850
4301-3914080
МД14-3912312-01
4301-1015308
252004-П29
252004-П29
252154-П2
252154-П2
40П-3901472
39 2621 1035
39 2634 2315
39 2651 2085
39 2651 2255
39 2651 2125
39 2651 2055
39 2641 3015
НСТ 39-21-005-У2
35 2624 1545
ИП-3901144
3307-3919122
201416-П29
201418-П29
290509-П29
250508-П2
4301-3913099
Д1-3913010-Г
52-3901217
ИП-3901434
ИП-3901312
ИП-3901085
ИП-3901559
ИП-3901194
3307-3919127
ИП-3901196
ИП-3901205
ИП-3901207
ИП-3901208
24-10-3901094
3306-3901162
И123-3901000
3307-3901162
МД14-3912312-02
А24-21-3
Лампа накаливания (d=15, D=26,5, L=45) ГОСТ 2023.1 -88
В узле: 10
Лампа А24-21-3 (24V21W BA15s/19 (1 конт.) Под заказ 18.90 р.
МД-3912312
Футляр в сборе
В узле: 1
ИП-3901297
Лопатка монтажная
В узле: 1
ИП-3901284
Лопатка монтажная и вороток гидродомкрата
В узле: 1
МД231-3912200
Манометр шинный в сборе
В узле: 1
ОП-2-01
Огнетушитель
В узле: 1
ОПУ-2-02
Огнетушитель с кронштейном
В узле: 1
И91-3901000
Отвертка комбинированная
В узле: 1
М16-3564-00
Отвертка 250х1,4 в сборе
В узле: 1
53-12-3901010
Сумка инструментальная
В узле: 1
53А-3901024
Сумка инструментальная малая в сборе
В узле: 1
3306-3901850
Съемник форсунки
В узле: 1
4301-3914080
Утеплитель с пистонами в сборе
В узле: 1
МД14-3912312-01
Футляр
В узле: 1
4301-1015308
Крышка с ремнем
В узле: 1
252004-П29
Шайба 6 ОСТ 37.001.144-96
В узле: 82
252154-П2
Шайба 6Л ОСТ 37.001.115-75
В узле: 96
40П-3901472
Шланг для прокачивания гидротормозов
В узле: 1
39 2621 1035
Молоток (И 108-3901000)
В узле: ---
39 2634 2315
Зубило (ИП-3901246)
В узле: ---
39 2651 2085
Ключ 12х14 (ИП-3901023)
В узле: ---
39 2651 2255
Ключ 13х17 (ИП-3901021)
В узле: ---
39 2651 2125
Ключ 19х22 (ИП-3901033)
В узле: ---
39 2651 2055
Ключ 8х10 (ИП-3901022)
В узле: ---
39 2641 3015
Плоскогубцы (И78-3901000)
В узле: ---
НСТ 39-21-005-У2
Светильник (ИЖЦМ 676.211.009)
В узле: ---
МД14-3912312
Чехол
В узле: ---
35 2624 1545
Бородок
В узле: ---
ИП-3901144
Ключ 82 для регулировки подшипников ступиц задних колес
В узле: 1
3307-3919122
Боковина правая
В узле: 1
201416-П29
Болт М6-6gх12 ОСТ 37.001.123-96
В узле: 41
201418-П29
Болт М6-6gх16 ОСТ 37.001.123-96
В узле: 12
290509-П29
Болт М6-6gх25
В узле: 12
250508-П2
Гайка М6-6Н
В узле: 2
4301-3913099
Держатель домкрата в сборе
В узле: 1
Д1-3913010-Г
Домкрат гидравлический в сборе
В узле: 1
52-3901217
Зажим монтажной лопатки
В узле: 4
ИП-3901434
Ключ 13х14 специальный торцевой
В узле: 1
ИП-3901312
Ключ 22х38 для гаек колес
В узле: 1
ИП-3901085
Ключ 24х27
В узле: 1
ИП-3901559
Ключ 27 пускового подогревателя
В узле: 1
ИП-3901194
Ключ для внутреннего колпака ступицы (51-3901154)
В узле: 1
3307-3919127
Боковина левая
В узле: 1
ИП-3901196
Ключ 14 накидной
В узле: 1
ИП-3901205
Ключ 17х19 накидной
В узле: 1
ИП-3901207
Ключ накидной 24
В узле: 1
ИП-3901208
Ключ накидной 30
В узле: 1
24-10-3901094
Ключ специальный
В узле: 1
3306-3901162
Ключ специальный 6
В узле: 1
И123-3901000
Ключ 6х10 для прокачки тормозов и воздушного крана
В узле: 1
3307-3901162
Ключ 5 торцовый
В узле: 1
МД14-3912312-02
Колпачок
В узле: 1
3306-3900010
Комплект инструмента и принадлежностей
В узле: 1
66-40-3900017
Комплект инструмента и принадлежностей
В узле: 1
66-40-3900016
Комплект инструмента и принадлежностей для дизельного двигателя
В узле: 1
Содержащиеся в справочниках-каталогах запасные части и детали не предлагаются к продаже, а носят исключительно информационный характер

Ваша заявка была отправлена. В ближайшее время наши специалисты с Вами свяжутся по указанному Вами телефону.

Представьтесь
Поле обязательно для заполнения
Ваш телефон
Введите правильный номер телефона
E-mail
Введите правильный e-mail
Тема
Тема
применяемость финансирование доставка цена, наличие другое сервис и гарантия
Время для звонка
08:00
08:00 09:00 10:00 11:00 12:00 13:00 14:00 15:00 16:00 17:00 18:00 19:00
19:00
08:00 09:00 10:00 11:00 12:00 13:00 14:00 15:00 16:00 17:00 18:00 19:00

Мы постараемся перезвонить в указанное время

Если вы не хотите ждать, то звоните нашим вежливым консультантам:

8 800 100-2-700
Подтвердите, что вы не робот
Подтвердите, что вы не робот
Спасибо!

Ваше сообщение успешно отправлено!

ЗакрытьПовторить попытку