Каталог запасных частей к технике: ГАЗ-3309. Кабина, подвеска кабины, крышка люка пола

zoom-in zoom-out enlarge shrink circle-right circle-left file-text2 info cart arraw right arraw left zoom out zoom in arraw maximize arraw minimize
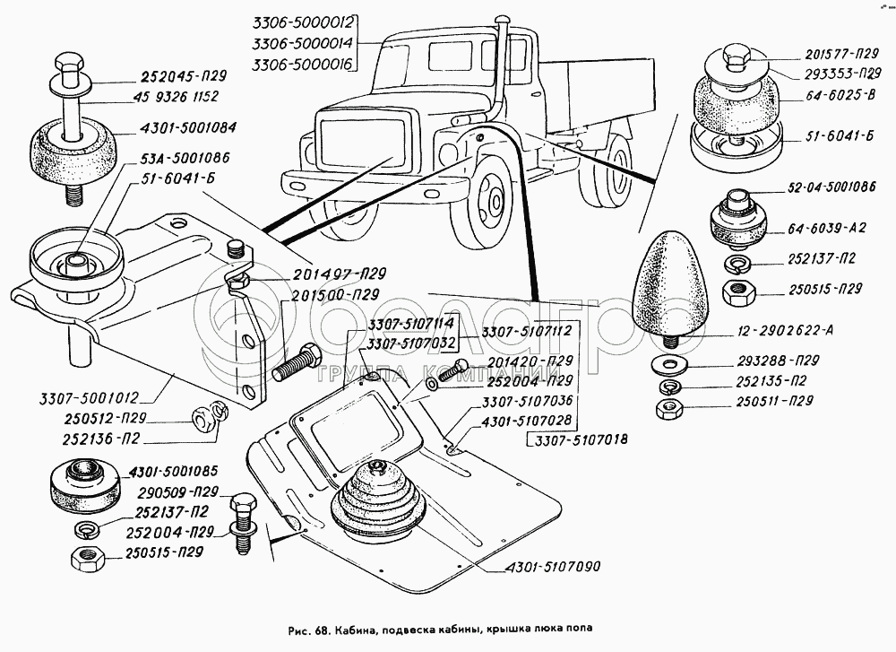
4301-5107090
3307-5107036
3307-5107018
4301-5001084
64-6025-В
4301-5001085
64-6039-А2
3307-5107032
4301-5107028
3307-5001012
252136-П2
252045-П29
293353-П29
252137-П2
252137-П2
252004-П29
252004-П29
293288-П29
252135-П2
45 9326 1152
250515-П29
250515-П29
201500-П29
201577-П29
201420-П29
290509-П29
12-2902622-А
52-04-5001086
53А-5001086
250512-П29
201497-П29
250511-П29
51-6041-Б
51-6041-Б
3307-5107114
3307-5107112
3306-5000016
3306-5000012
3306-5000014
4301-5107090
Уплотнитель под рычаг коробки перемены передач
В узле: 1
3307-5107036
Крышка люка пола в сборе
В узле: 1
3307-5107018
Крышка люка пола в сборе
В узле: 1
4301-5001084
Подушка крепления кабины верхняя в сборе
В узле: 2
64-6025-В
Подушка крепления кабины верхняя задняя в сборе
В узле: 2
4301-5001085
Подушка крепления кабины нижняя
В узле: 3
64-6039-А2
Подушка крепления кабины нижняя задняя
В узле: 1
3307-5107032
Прокладка заглушки
В узле: 1
4301-5107028
Прокладка крышки люка пола
В узле: 1
3307-5001012
Кронштейн крепления кабины
В узле: 2
252136-П2
Шайба 10 ОТ ОСТ 37.001.115-75
В узле: 112
252045-П29
Шайба 12 ОСТ 37.001.144-96
В узле: 19
293353-П29
Шайба 12,5
В узле: 1
252137-П2
Шайба 12.ОТ ОСТ 37.001.115-75
В узле: 109
252004-П29
Шайба 6 ОСТ 37.001.144-96
В узле: 82
293288-П29
Шайба 8,5
В узле: 6
252135-П2
Шайба 8Т ОСТ 37.001.115-75
В узле: 139
45 9326 1152
Болт М12х1,25-6gх140 ОСТ 37.001.122-96
В узле: ---
250515-П29
Гайка М12х1,25-6Н ОСТ 37.001.124-93
В узле: 56
201500-П29
Болт М10-6gх32 ОСТ 37.001.123-96
В узле: 2
201577-П29
Болт М12х1,25-6gх80 ОСТ 37.001.123-96
В узле: 2
201420-П29
Болт М6-6gх20 ОСТ 37.001.123-96
В узле: 55
290509-П29
Болт М6-6gх25
В узле: 12
12-2902622-А
Буфер в сборе
В узле: 2
52-04-5001086
Втулка распорная заднего крепления кабины
В узле: 2
53А-5001086
Втулка распорная переднего крепления кабины
В узле: 2
250512-П29
Гайка М10-6Н ОСТ 37.001.124-93
В узле: 80
201497-П29
Болт М10-6gх25 ОСТ 37.001.123-96
В узле: 28
250511-П29
Гайка М8х1-6Н ОСТ 37.001.124-93
В узле: 39
51-6041-Б
Гнездо верхней подушки опоры двигателя
В узле: 4
3307-5107114
Заглушка
В узле: 1
3307-5107112
Заглушка в сборе
В узле: 1
3306-5000016
Кабина (бондеризованная, грунтованная с обмазкой)
В узле: 1
3306-5000012
Кабина (окрашенная и обитая)
В узле: 1
3306-5000014
Кабина (окрашенная, без обивки)
В узле: 1
Содержащиеся в справочниках-каталогах запасные части и детали не предлагаются к продаже, а носят исключительно информационный характер

Ваша заявка была отправлена. В ближайшее время наши специалисты с Вами свяжутся по указанному Вами телефону.

Представьтесь
Поле обязательно для заполнения
Ваш телефон
Введите правильный номер телефона
E-mail
Введите правильный e-mail
Тема
Тема
применяемость финансирование доставка цена, наличие другое сервис и гарантия
Время для звонка
08:00
08:00 09:00 10:00 11:00 12:00 13:00 14:00 15:00 16:00 17:00 18:00 19:00
19:00
08:00 09:00 10:00 11:00 12:00 13:00 14:00 15:00 16:00 17:00 18:00 19:00

Мы постараемся перезвонить в указанное время

Если вы не хотите ждать, то звоните нашим вежливым консультантам:

8 800 100-2-700
Подтвердите, что вы не робот
Подтвердите, что вы не робот
Спасибо!

Ваше сообщение успешно отправлено!

ЗакрытьПовторить попытку