Каталог запасных частей к технике: ГАЗ-3309. Отсек независимого отопителя, отопитель

zoom-in zoom-out enlarge shrink circle-right circle-left file-text2 info cart arraw right arraw left zoom out zoom in arraw maximize arraw minimize
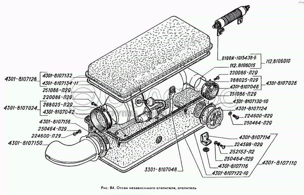
4301-8107110
288025-П29
288025-П29
П100И-1015438-Б
252153-П2
4301-8107026
4301-8107024
4301-8107134-11
4301-8107122-10
4301-8107156
4301-8107130-10
4301-8107116
4301-8107124
4301-8107150
224598-П29
112-8106010
112-8106015
4301-8107046
4301-8107042
3301-8107048
4301-8107128
4301-8107132
4301-8107114
251086-П29
251086-П29
250464-П29
250464-П29
250464-П29
220086-П29
220086-П29
224600-П29
224600-П29
4301-8107110
Отсек независимого отопителя
В узле: 1
288025-П29
Хомут 80
В узле: ---
П100И-1015438-Б
Электросопротивление
В узле: 1
252153-П2
Шайба 5Л ОСТ 37.001.115-75
В узле: 20
4301-8107026
Хомут
В узле: 1
4301-8107024
Хомут
В узле: 1
4301-8107134-11
Уплотнитель крышки
В узле: 1
4301-8107122-10
Прокладка
В узле: 1
4301-8107156
Прокладка патрубка
В узле: 1
4301-8107130-10
Прокладка впускного патрубка
В узле: 1
4301-8107116
Прокладка
В узле: 4
4301-8107124
Патрубок выпускной
В узле: 1
4301-8107150
Патрубок впускной
В узле: 1
224598-П29
Винт М5-6gх12 ОСТ 37.001.130-81
В узле: 15
112-8106010
Отопительно-вентиляционная установка
В узле: 1
112-8106015
Отопитель
В узле: 1
4301-8107046
Лента уплотнительная
В узле: 1
4301-8107042
Лента уплотнительная
В узле: 1
3301-8107048
Лента стяжная
В узле: 2
4301-8107128
Крышка отсека с уплотнителем
В узле: 1
4301-8107132
Крышка отсека
В узле: 1
4301-8107114
Кронштейн
В узле: 4
251086-П29
Гайка М5-6Н ОСТ 37.001.112-91
В узле: 28
250464-П29
Гайка М5-6Н ОСТ 37.001.124-93
В узле: 44
220086-П29
Винт М5-6gх30 ОСТ 37.001.127-81
В узле: 4
224600-П29
Винт М5-6gх16
В узле: 15
Содержащиеся в справочниках-каталогах запасные части и детали не предлагаются к продаже, а носят исключительно информационный характер

Ваша заявка была отправлена. В ближайшее время наши специалисты с Вами свяжутся по указанному Вами телефону.

Представьтесь
Поле обязательно для заполнения
Ваш телефон
Введите правильный номер телефона
E-mail
Введите правильный e-mail
Тема
Тема
применяемость финансирование доставка цена, наличие другое сервис и гарантия
Время для звонка
08:00
08:00 09:00 10:00 11:00 12:00 13:00 14:00 15:00 16:00 17:00 18:00 19:00
19:00
08:00 09:00 10:00 11:00 12:00 13:00 14:00 15:00 16:00 17:00 18:00 19:00

Мы постараемся перезвонить в указанное время

Если вы не хотите ждать, то звоните нашим вежливым консультантам:

8 800 100-2-700
Подтвердите, что вы не робот
Подтвердите, что вы не робот
Спасибо!

Ваше сообщение успешно отправлено!

ЗакрытьПовторить попытку