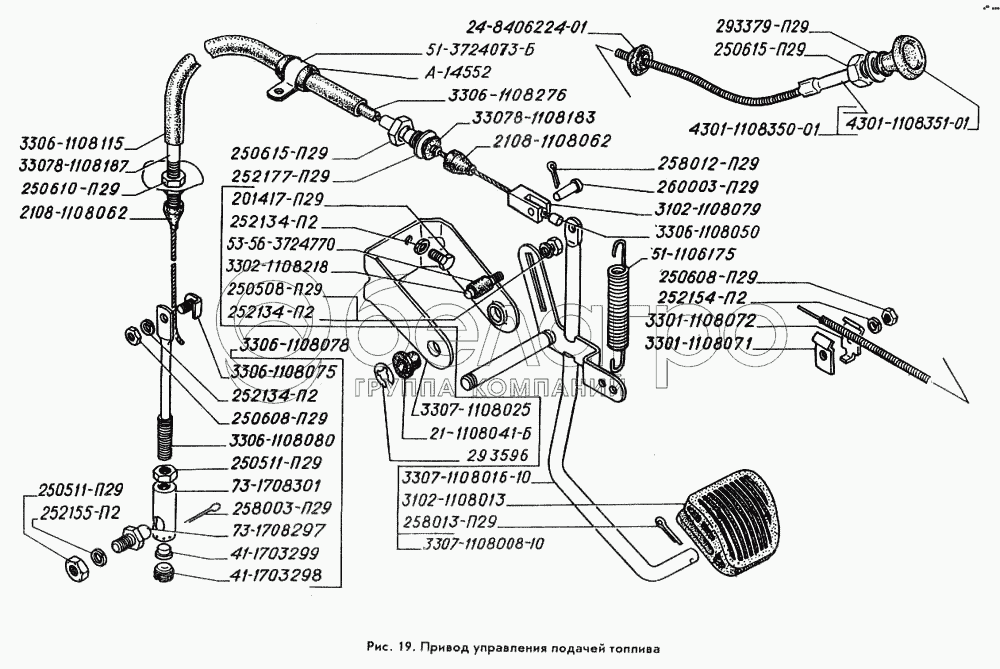
Каталог запасных частей к технике: ГАЗ-3309. Привод управления подачей топлива

zoom-in zoom-out enlarge shrink circle-right circle-left file-text2 info cart arraw right arraw left zoom out zoom in arraw maximize arraw minimize
3302-1108218
2108-1108062
2108-1108062
51-3724073-Б
41-1703299
3306-1108050
3306-1108115
3306-1108276
53-56-3724770
3306-1108080
4301-1108350-01
3306-1108078
4301-1108351-01
3307-1108016-10
252177-П29
293379-П29
252154-П2
252134-П2
252134-П2
252134-П2
252155-П2
293596
258013-П29
258003-П29
258012-П29
260003-П29
3306-1108075
21-1108041-Б
24-8406224-01
А-14552
250615-П29
250615-П29
250508-П29
250608-П29
250608-П29
250610-П29
250511-П29
250511-П29
3301-1108071
3301-1108072
201417-П29
3307-1108025
3102-1108079
33078-1108187
33078-1108183
73-1708301
73-1708297
3102-1108013
3307-1108008-10
41-1703298
51-1106175
3302-1108218
Упор педали акселератора
В узле: 1
2108-1108062
Сальник троса
В узле: 3
51-3724073-Б
Скоба крепления проводов
В узле: 6
41-1703299
Сухарь
В узле: 1
3306-1108050
Трос акселератора
В узле: 1
3306-1108115
Трубка
В узле: 1
3306-1108276
Трубка
В узле: 1
53-56-3724770
Трубка упора
В узле: 1
3306-1108080
Тяга
В узле: 1
4301-1108350-01
Тяга останова двигателя
В узле: 1
3306-1108078
Тяга рычага топливного насоса в сборе
В узле: 1
4301-1108351-01
Тяга с ручкой
В узле: 1
3307-1108016-10
Рычаг педали акселератора с валиком
В узле: 1
252177-П29
Шайба 2-12 ОСТ 37.001.145-75
В узле: 1
293379-П29
Шайба 12,5
В узле: 9
252154-П2
Шайба 6Л ОСТ 37.001.115-75
В узле: 96
252134-П2
Шайба 6Т ОСТ 37.001.115-75
В узле: 109
252155-П2
Шайба 8Л ОСТ 37.001.115-75
В узле: 111
293596
Шайба 9 ГОСТ 11648-75
В узле: 2
258013-П29
Шплинт 2х16 ОСТ 37.001.171-93
В узле: ---
258003-П29
Шплинт 1,6х20 ОСТ 37.001.171-93
В узле: ---
258012-П29
Шплинт 2х12 ОСТ 37.001.171-93
В узле: ---
260003-П29
Палец 5х18 ОСТ 37.001.163-97
В узле: ---
3306-1108075
Зажим троса акселератора
В узле: 1
21-1108041-Б
Втулка валика акселератора
В узле: 2
24-8406224-01
Втулка оболочки тяги привода замка капота
В узле: 5
А-14552
Втулка
В узле: 6
250615-П29
Гайка М12х1,25-6Н ОСТ 37.001.124-93
В узле: 2
250508-П29
Гайка М6-6Н ОСТ 37.001.124-93
В узле: 92
250608-П29
Гайка М6-6Н ОСТ 37.001.124-93
В узле: 25
250610-П29
Гайка М8-6Н ОСТ 37.001.124-93
В узле: 22
250511-П29
Гайка М8х1-6Н ОСТ 37.001.124-93
В узле: 39
3301-1108071
Зажим
В узле: 1
3301-1108072
Зажим
В узле: 1
201417-П29
Болт М6-6gх14 ОСТ 37.001.123-96
В узле: 48
3307-1108025
Кронштейн валика педали
В узле: 1
3102-1108079
Муфта
В узле: 1
33078-1108187
Наконечник регулировочный
В узле: 1
33078-1108183
Наконечник с трубкой
В узле: 1
73-1708301
Наконечник тяги блокировки
В узле: 1
73-1708297
Палец шаровой
В узле: 1
3102-1108013
Педаль акселератора
В узле: 1
3307-1108008-10
Педаль акселератора с рычагом
В узле: 1
41-1703298
Пробка
В узле: 1
51-1106175
Пружина акселератора
В узле: 8
Содержащиеся в справочниках-каталогах запасные части и детали не предлагаются к продаже, а носят исключительно информационный характер

Ваша заявка была отправлена. В ближайшее время наши специалисты с Вами свяжутся по указанному Вами телефону.

Представьтесь
Поле обязательно для заполнения
Ваш телефон
Введите правильный номер телефона
E-mail
Введите правильный e-mail
Тема
Тема
применяемость финансирование доставка цена, наличие другое сервис и гарантия
Время для звонка
08:00
08:00 09:00 10:00 11:00 12:00 13:00 14:00 15:00 16:00 17:00 18:00 19:00
19:00
08:00 09:00 10:00 11:00 12:00 13:00 14:00 15:00 16:00 17:00 18:00 19:00

Мы постараемся перезвонить в указанное время

Если вы не хотите ждать, то звоните нашим вежливым консультантам:

8 800 100-2-700
Подтвердите, что вы не робот
Подтвердите, что вы не робот
Спасибо!

Ваше сообщение успешно отправлено!

ЗакрытьПовторить попытку