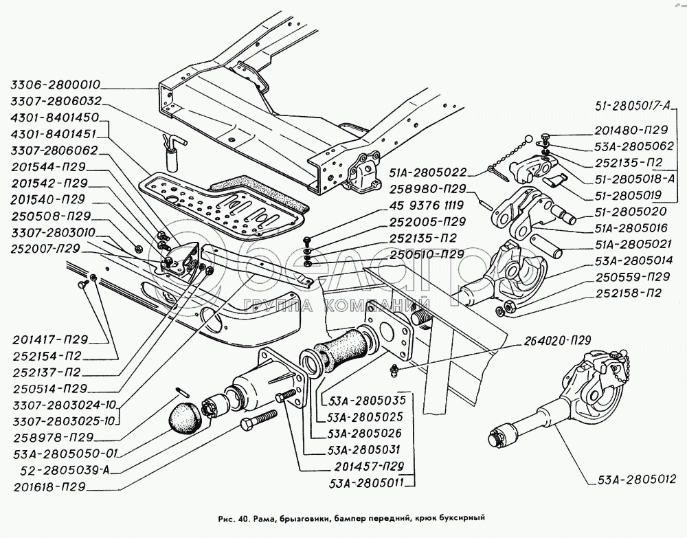
Каталог запасных частей к технике: ГАЗ-3309. Рама, брызговики, бампер передний, крюк буксирный

zoom-in zoom-out enlarge shrink circle-right circle-left file-text2 info cart arraw right arraw left zoom out zoom in arraw maximize arraw minimize
252137-П2
3307-2803024-10
53А-2805014
53А-2805012
51-2805020
51А-2805021
51-2805019
3306-2800010
51-2805018-А
51-2805017-А
51А-2805022
252007-П29
3307-2803025-10
252158-П2
252154-П2
252005-П29
252135-П2
252135-П2
53А-2805026
3307-2806032
258978-П29
258980-П29
264020-П29
45 9376 1119
3307-2806062
3307-2803010
201618-П29
201540-П29
201542-П29
201544-П29
201417-П29
201457-П29
201480-П29
4301-8401451
4301-8401450
53А-2805011
53А-2805025
250514-П29
250559-П29
250508-П29
250510-П29
52-2805039-А
51А-2805016
53А-2805062
53А-2805050-01
53А-2805031
53А-2805035
252137-П2
Шайба 12.ОТ ОСТ 37.001.115-75
В узле: 109
3307-2803024-10
Кронштейн правый
В узле: 1
53А-2805014
Крюк буксирный
В узле: 1
53А-2805012
Крюк буксирный в сборе
В узле: 1
51-2805020
Ось собачки буксирного крюка
В узле: 1
51А-2805021
Палец защелки
В узле: 1
51-2805019
Пружина собачки буксирного крюка
В узле: 1
3306-2800010
Рама
В узле: 1
51-2805018-А
Собачка защелки буксирного крюка
В узле: 1
51-2805017-А
Собачка защелки в сборе
В узле: 1
51А-2805022
Цепь тягового крюка в сборе
В узле: 1
252007-П29
Шайба 12 ОСТ 37.001.144-96
В узле: 5
3307-2803025-10
Кронштейн левый
В узле: 1
252158-П2
Шайба 14Л ОСТ 37.001.115-75
В узле: 12
252154-П2
Шайба 6Л ОСТ 37.001.115-75
В узле: 96
252005-П29
Шайба 8 ОСТ 37.001.144-96
В узле: 71
252135-П2
Шайба 8Т ОСТ 37.001.115-75
В узле: 139
53А-2805026
Шайба амортизатора
В узле: 2
3307-2806032
Шкворень буксирный в сборе
В узле: 2
258978-П29
Штифт 8х40 ОСТ 37.001.116-97
В узле: ---
258980-П29
Штифт 8х50 ОСТ 37.001.116-75
В узле: ---
264020-П29
Масленка 1.3 Ц6.хр ГОСТ 19853-74
В узле: ---
45 9376 1119
Болт М8х20
В узле: ---
3307-2806062
Вилка буксирная
В узле: 2
3307-2803010
Бампер передний
В узле: 1
201618-П29
Болт М14х1,5-6gх50 ОСТ 37.001.123-96
В узле: 4
201540-П29
Болт М12-6gх30 ОСТ 37.001.123-96
В узле: 4
201542-П29
Болт М12-6gх35 ОСТ 37.001.123-96
В узле: 25
201544-П29
Болт М12-6gх40 ОСТ 37.001.123-96
В узле: 4
201417-П29
Болт М6-6gх14 ОСТ 37.001.123-96
В узле: 48
201457-П29
Болт М8-6gх22 ОСТ 37.001.123-96
В узле: 6
201480-П29
Болт М8х1-6gх30 ОСТ 37.001.123-96
В узле: 1
4301-8401451
Брызговик облицовки боковой левый в сборе
В узле: 1
4301-8401450
Брызговик облицовки боковой правый в сборе
В узле: 1
53А-2805011
Устройство буферное в сборе
В узле: 1
53А-2805025
Буфер резиновый буксирного прибора
В узле: 1
250514-П29
Гайка М12-6Н ОСТ 37.001.124-93
В узле: 21
250559-П29
Гайка М14х1,5-6Н ОСТ 37.001.124-93
В узле: 18
250508-П29
Гайка М6-6Н ОСТ 37.001.124-93
В узле: 92
250510-П29
Гайка М8-6Н ОСТ 37.001.124-93
В узле: 213
52-2805039-А
Гайка упорная
В узле: 1
51А-2805016
Защелка буксирного крюка
В узле: 1
53А-2805062
Звено цепи
В узле: 1
53А-2805050-01
Колпак
В узле: 1
53А-2805031
Корпус буксирного прибора
В узле: 1
53А-2805035
Кронштейн корпуса буксирного прибора
В узле: 1
Содержащиеся в справочниках-каталогах запасные части и детали не предлагаются к продаже, а носят исключительно информационный характер

Ваша заявка была отправлена. В ближайшее время наши специалисты с Вами свяжутся по указанному Вами телефону.

Представьтесь
Поле обязательно для заполнения
Ваш телефон
Введите правильный номер телефона
E-mail
Введите правильный e-mail
Тема
Тема
применяемость финансирование доставка цена, наличие другое сервис и гарантия
Время для звонка
08:00
08:00 09:00 10:00 11:00 12:00 13:00 14:00 15:00 16:00 17:00 18:00 19:00
19:00
08:00 09:00 10:00 11:00 12:00 13:00 14:00 15:00 16:00 17:00 18:00 19:00

Мы постараемся перезвонить в указанное время

Если вы не хотите ждать, то звоните нашим вежливым консультантам:

8 800 100-2-700
Подтвердите, что вы не робот
Подтвердите, что вы не робот
Спасибо!

Ваше сообщение успешно отправлено!

ЗакрытьПовторить попытку