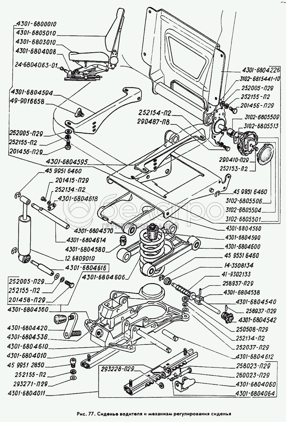
Каталог запасных частей к технике: ГАЗ-3309. Сиденье водителя и механизм регулирования сиденья

zoom-in zoom-out enlarge shrink circle-right circle-left file-text2 info cart arraw right arraw left zoom out zoom in arraw maximize arraw minimize
293228-П29
4301-6804542
3102-6805501
4301-6804536
4301-6804600
4301-6804570
4301-6804011
4301-6804010
4301-6800010
4301-6805010
4301-6804420
49-9016658
3102-6805504
252153-П2
252037-П29
24-6804063-01
252154-П2
252134-П2
252134-П2
252005-П29
252005-П29
252005-П29
293271-П29
252155-П2
252155-П2
252155-П2
252155-П2
3102-6805513
4301-6804618
3102-6815441-10
260023-П29
45 9951 6460
45 9951 6460
45 9951 6460
45 9951 6460
45 9951 2850
258023-П29
258937-П29
258937-П29
4301-6804595
290410-П29
201415-П29
290487-П8
201456-П29
201456-П29
201458-П29
4301-6804580
4301-6804590
14-3508134
250508-П29
4301-6804226
3102-6805506
4301-6804060
3102-6805509
4301-6804560
12-6809010
4301-6804594
4301-6804538
4301-6804008
4301-6804360
4301-6804614
4301-6804616
4301-6804540
4301-6804610
4301-6804612
4301-6803010
41-9302133
4301-6804606
4301-6804064
293228-П29
Шайба б
В узле: 2
4301-6804542
Ручка регулирования жесткости подвески сиденья
В узле: 1
3102-6805501
Ручка шарнира
В узле: 1
4301-6804536
Рычаг механизма регулирования по высоте
В узле: 1
4301-6804600
Рычаг подвески задний в сборе
В узле: 1
4301-6804570
Рычаг подвески передний в сборе
В узле: 1
4301-6804011
Салазки сиденья водителя левые в сборе
В узле: 1
4301-6804010
Салазки сиденья водителя правые в сборе
В узле: 1
4301-6800010
Сиденье водителя в сборе
В узле: 1
4301-6805010
Спинка сиденья водителя и переднего сиденья в сборе
В узле: 2
4301-6804420
Стержень с ручкой
В узле: 1
49-9016658
Стопор
В узле: 2
3102-6805504
Усилитель ручки шарнира
В узле: 1
252153-П2
Шайба 5Л ОСТ 37.001.115-75
В узле: 20
252037-П29
Шайба 6 ОСТ 37.001.144-96
В узле: 24
24-6804063-01
Рукоятка фиксатора
В узле: 1
252154-П2
Шайба 6Л ОСТ 37.001.115-75
В узле: 96
252134-П2
Шайба 6Т ОСТ 37.001.115-75
В узле: 109
252005-П29
Шайба 8 ОСТ 37.001.144-96
В узле: 71
293271-П29
Шайба 8
В узле: 4
252155-П2
Шайба 8Л ОСТ 37.001.115-75
В узле: 111
3102-6805513
Шайба стопорная
В узле: 1
4301-6804618
Шайба фиксационная
В узле: 5
3102-6815441-10
Шарнир спинки сиденья водителя в сборе
В узле: 1
260023-П29
Палец 6х48
В узле: ---
45 9951 6460
Шайба 7
В узле: ---
45 9951 2850
Винт М8-6gх16
В узле: ---
258023-П29
Шплинт 2,5х12 ОСТ 37.001.171-93
В узле: ---
258937-П29
Штифт 4х22
В узле: ---
4301-6804595
Кронштейн угловой регулировки подушки левый
В узле: 1
290410-П29
Болт М5-6gх20
В узле: 1
201415-П29
Болт М6-6gх10 ОСТ 37.001.123-96
В узле: 40
290487-П8
Болт М6-6gх12
В узле: 27
201456-П29
Болт М8-6gх20 ОСТ 37.001.123-96
В узле: 155
201458-П29
Болт М8-6gх25 ОСТ 37.001.123-96
В узле: 35
4301-6804580
Буфер подвески сиденья водителя
В узле: 2
4301-6804590
Буфер пружины подвески сиденья водителя
В узле: 1
14-3508134
Втулка
В узле: 2
250508-П29
Гайка М6-6Н ОСТ 37.001.124-93
В узле: 92
4301-6804226
Держатель спинки в сборе
В узле: 1
3102-6805506
Заглушка ручки
В узле: 1
4301-6804060
Защелка салазок сиденья водителя
В узле: 1
3102-6805509
Кольцо тормозное
В узле: 1
4301-6804560
Кронштейн рычагов подвески в сборе
В узле: 1
12-6809010
Амортизатор сиденья в сборе
В узле: 1
4301-6804594
Кронштейн правый
В узле: 1
4301-6804538
Кулачок регулирования жесткости
В узле: 1
4301-6804008
Механизм регулирования сиденья водителя в сборе
В узле: 1
4301-6804360
Основание механизма регулирования в сборе
В узле: 1
4301-6804614
Ось амортизатора верхняя
В узле: 1
4301-6804616
Ось амортизатора нижняя
В узле: 1
4301-6804540
Ось кулачка регулирования жесткости
В узле: 1
4301-6804610
Ось шарнира подвески длинная
В узле: 2
4301-6804612
Ось шарнира подвески короткая
В узле: 2
4301-6803010
Подушка сиденья водителя и переднего сиденья в сборе
В узле: 2
41-9302133
Пружина
В узле: 1
4301-6804606
Пружина подвески сиденья водителя
В узле: 1
4301-6804064
Пружина защелки
В узле: 1
Содержащиеся в справочниках-каталогах запасные части и детали не предлагаются к продаже, а носят исключительно информационный характер

Ваша заявка была отправлена. В ближайшее время наши специалисты с Вами свяжутся по указанному Вами телефону.

Представьтесь
Поле обязательно для заполнения
Ваш телефон
Введите правильный номер телефона
E-mail
Введите правильный e-mail
Тема
Тема
применяемость финансирование доставка цена, наличие другое сервис и гарантия
Время для звонка
08:00
08:00 09:00 10:00 11:00 12:00 13:00 14:00 15:00 16:00 17:00 18:00 19:00
19:00
08:00 09:00 10:00 11:00 12:00 13:00 14:00 15:00 16:00 17:00 18:00 19:00

Мы постараемся перезвонить в указанное время

Если вы не хотите ждать, то звоните нашим вежливым консультантам:

8 800 100-2-700
Подтвердите, что вы не робот
Подтвердите, что вы не робот
Спасибо!

Ваше сообщение успешно отправлено!

ЗакрытьПовторить попытку