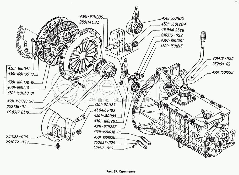
Каталог запасных частей к технике: ГАЗ-3309. Сцепление

zoom-in zoom-out enlarge shrink circle-right circle-left file-text2 info cart arraw right arraw left zoom out zoom in arraw maximize arraw minimize
4301-1601215
45 9317 6319
46 9416 2328
46 9416 1483
264072-П29
280114С23
252154-П2
252037-П29
293188-П29
4301-1601301
252136-П2
4301-1601135-10
4301-1601038-01
4301-1601187
4301-1601205
201416-П29
201416-П29
4301-1601138-10
4301-1601180
4301-1601185
4301-1601022
4301-1601020
4301-1601256
4301-1601204
4301-1601141
4301-1601140
4301-1601130-01
4301-1601090-20
250513-П29
4301-1601203
4301-1601215
Опора вилки
В узле: 1
45 9317 6319
Болт М10 (технологический)
В узле: ---
46 9416 2328
Ролик 2х11,8А5
В узле: ---
46 9416 1483
Ролик игольчатый 1,6х8,8А5
В узле: ---
264072-П29
Масленка 1.1 Ц6.хр ГОСТ 19853-74
В узле: ---
280114С23
Подшипник ГОСТ 520-89
В узле: ---
252154-П2
Шайба 6Л ОСТ 37.001.115-75
В узле: 96
252037-П29
Шайба 6 ОСТ 37.001.144-96
В узле: 24
293188-П29
Шайба 5,2 ГОСТ 11648-75
В узле: 2
4301-1601301
Шайба 10х20 коническая
В узле: 81
252136-П2
Шайба 10 ОТ ОСТ 37.001.115-75
В узле: 112
4301-1601135-10
Пружина накладки
В узле: 8
4301-1601038-01
Прокладка
В узле: 1
4301-1601187
Палец муфты
В узле: 2
4301-1601205
Ось опоры вилки
В узле: 1
201416-П29
Болт М6-6gх12 ОСТ 37.001.123-96
В узле: 41
4301-1601138-10
Накладка фрикционная сцепления
В узле: 2
4301-1601180
Муфта с вилкой в сборе
В узле: 1
4301-1601185
Муфта выключения сцепления
В узле: 1
4301-1601022
Крышка люка картера
В узле: 1
4301-1601020
Крышка картера
В узле: 1
4301-1601256
Кольцо защитное
В узле: 3
4301-1601204
Кольцо вилки
В узле: 1
4301-1601141
Заклепка 4х7
В узле: 32
4301-1601140
Заклепка
В узле: 32
4301-1601130-01
Диск сцепления ведомый
В узле: 1
4301-1601090-20
Диск нажимной с кожухом
В узле: 1
4301-1601093-20
Диск нажимной
В узле: 1
250513-П29
Гайка М10х1-6Н
В узле: 40
4301-1601203
Вилка сцепления
В узле: 1
Содержащиеся в справочниках-каталогах запасные части и детали не предлагаются к продаже, а носят исключительно информационный характер

Ваша заявка была отправлена. В ближайшее время наши специалисты с Вами свяжутся по указанному Вами телефону.

Представьтесь
Поле обязательно для заполнения
Ваш телефон
Введите правильный номер телефона
E-mail
Введите правильный e-mail
Тема
Тема
применяемость финансирование доставка цена, наличие другое сервис и гарантия
Время для звонка
08:00
08:00 09:00 10:00 11:00 12:00 13:00 14:00 15:00 16:00 17:00 18:00 19:00
19:00
08:00 09:00 10:00 11:00 12:00 13:00 14:00 15:00 16:00 17:00 18:00 19:00

Мы постараемся перезвонить в указанное время

Если вы не хотите ждать, то звоните нашим вежливым консультантам:

8 800 100-2-700
Подтвердите, что вы не робот
Подтвердите, что вы не робот
Спасибо!

Ваше сообщение успешно отправлено!

ЗакрытьПовторить попытку