Каталог запасных частей к технике: ГАЗ-33104 Валдай. Установка датчиков и звуковых сигналов

zoom-in zoom-out enlarge shrink circle-right circle-left file-text2 info cart arraw right arraw left zoom out zoom in arraw maximize arraw minimize
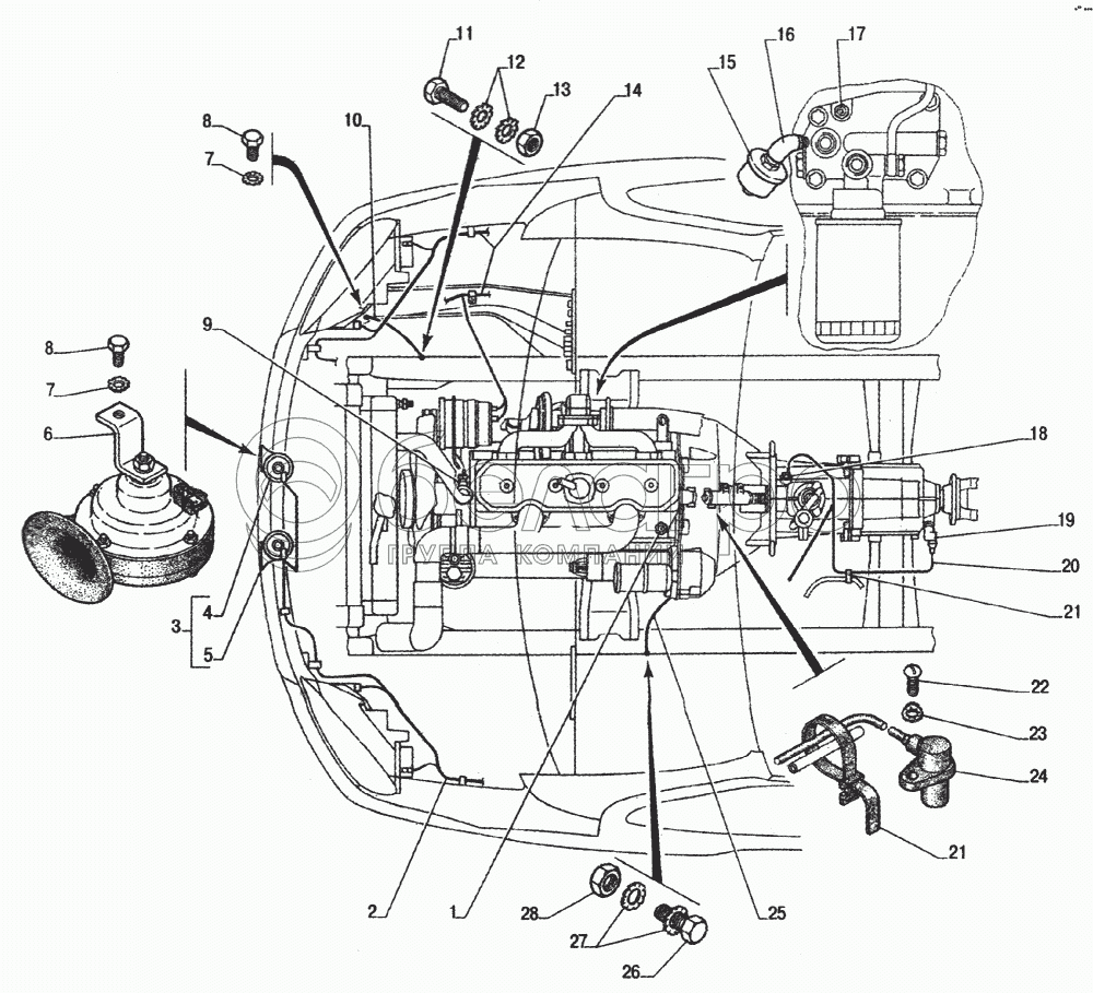
33104-3724176
1
2
3
4
5
6
7
7
8
8
9
10
11
12
13
14
15
16
17
18
18
19
19
19
19
20
21
21
22
23
24
24
25
26
27
28
33104-3724176
Жгут 176 по двигателю
В узле: 1
1
ТМ106-3808000-11
Датчик температуры охлаждающей жидкости ТМ106-11
В узле: 1
2
33104-3724025
Жгут 25
В узле: 1
3
22.3721/221.3721
Комплект звуковых сигнальных приборов
В узле: 1
4
22.3721
Звуковой сигнальный прибор низкого тона
В узле: 1
5
221.3721
Звуковой сигнальный прибор высокого тона
В узле: 1
6
33104-3721055
Кронштейн сигнала
В узле: 2
7
45 9952 6092
Шайба 6
В узле: 1
8
201416-П29
Болт М6-6gх12 ОСТ 37.001.123-96
В узле: 1
9
ТМ111-3808000-02
Датчик сигнализатора перегрева охлаждающей жидкости ТМ111
В узле: 1
10
3310-3724044
Провод 44 «массы»
В узле: 1
11
201457-П29
Болт М8-6gх22 ОСТ 37.001.123-96
В узле: 1
12
45 99526205
Шайба 8
В узле: 1
13
250510-П29
Гайка М8-6Н ОСТ 37.001.124-93
В узле: 1
14
33104-3724015
Жгут 15
В узле: 1
15
3902.3829010
Датчик давления масла 3902.3829
В узле: 1
16
298328-П29
Штуцер угловой
В узле: 1
17
2602.3829010
Датчик аварийного давления масла 2602.3829
В узле: 1
18
ЫШ3.609.016
Выключатель света заднего хода (В14.3710)
В узле: 1
18
642.247
Выключатель света заднего хода
В узле: 1
19
АР62.3843000
Датчик скорости АР62.3843
В узле: 1
19
342.3843
Датчик скорости
В узле: 1
19
ДС-6
Датчик скорости
В узле: 1
19
ЯМ2.553.005
Датчик скорости
В узле: 1
20
33104-3724168
Жгут 168
В узле: 1
21
3105-3724527
Поясок
В узле: 13
22
220105-П29
Винт М6-6gх16
В узле: 1
23
252269-П29
Шайба 6 ОСТ 37.001.145-75
В узле: 1
24
23.3847000
Датчик синхронизации 23.3847
В узле: 1
24
406.3847060-01
Датчик синхронизации и скорости вращения (0261 210 113 ВОSН)
В узле: ---
25
33104-3724164
Провод 164 «массы»
В узле: 1
26
201497-П29
Болт М10-6gх25 ОСТ 37.001.123-96
В узле: 1
27
45 9952 6311
Шайба 10
В узле: 2
28
250512-П29
Гайка М10-6Н ОСТ 37.001.124-93
В узле: 1
Содержащиеся в справочниках-каталогах запасные части и детали не предлагаются к продаже, а носят исключительно информационный характер

Ваша заявка была отправлена. В ближайшее время наши специалисты с Вами свяжутся по указанному Вами телефону.

Представьтесь
Поле обязательно для заполнения
Ваш телефон
Введите правильный номер телефона
E-mail
Введите правильный e-mail
Тема
Тема
применяемость финансирование доставка цена, наличие другое сервис и гарантия
Время для звонка
08:00
08:00 09:00 10:00 11:00 12:00 13:00 14:00 15:00 16:00 17:00 18:00 19:00
19:00
08:00 09:00 10:00 11:00 12:00 13:00 14:00 15:00 16:00 17:00 18:00 19:00

Мы постараемся перезвонить в указанное время

Если вы не хотите ждать, то звоните нашим вежливым консультантам:

8 800 100-2-700
Подтвердите, что вы не робот
Подтвердите, что вы не робот
Спасибо!

Ваше сообщение успешно отправлено!

ЗакрытьПовторить попытку