Каталог запасных частей к технике: ГАЗ-33104 Валдай. Установка отопителя

zoom-in zoom-out enlarge shrink circle-right circle-left file-text2 info cart arraw right arraw left zoom out zoom in arraw maximize arraw minimize
1
1
2
2
3
4
5
5
5
6
6
6
7
7
7
8
9
10
11
12
12
13
14
15
16
16
17
18
18
19
20
20
20
21
22
23
24
25
26
27
28
29
30
30
31
32
33
34
35
36
37
38
39
40
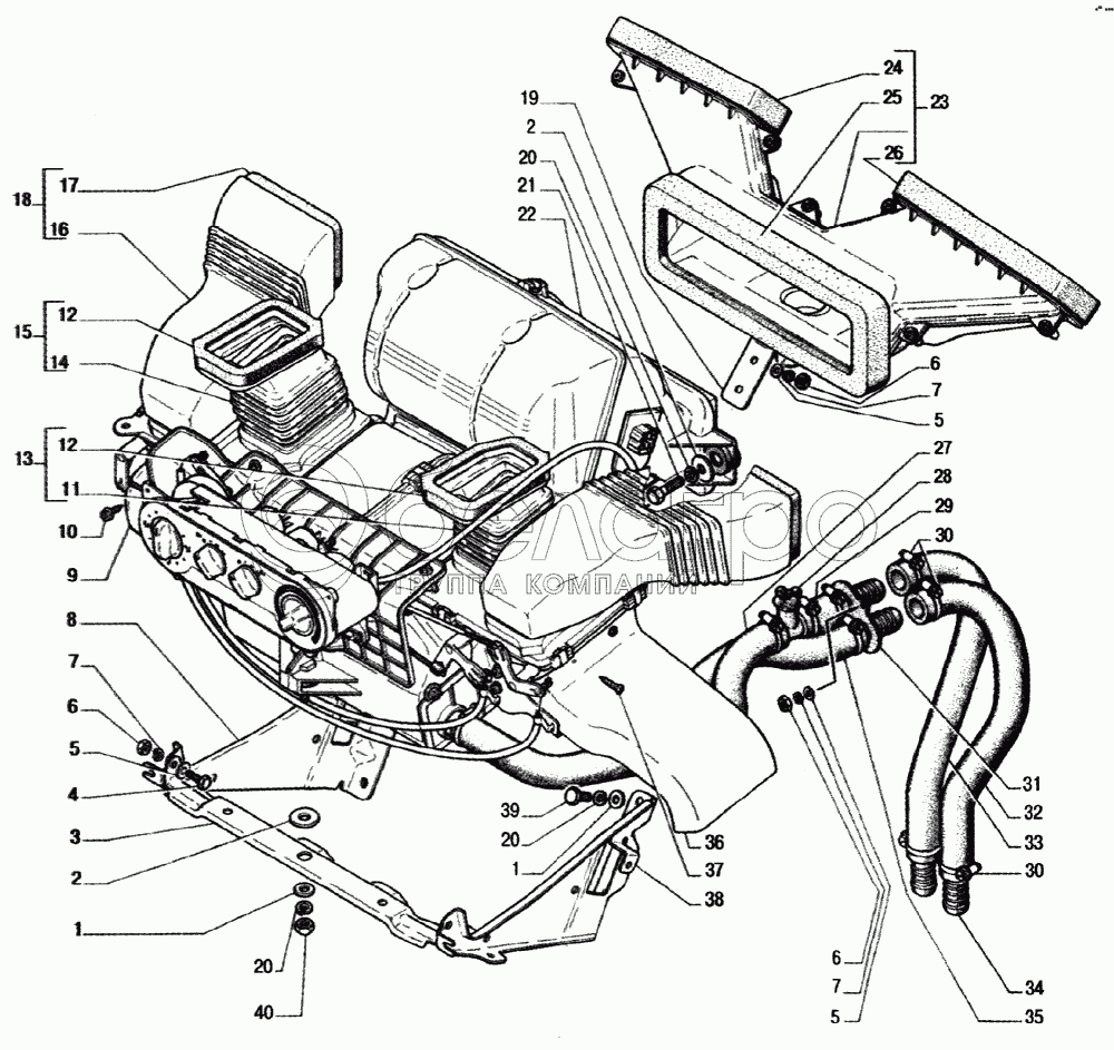
ТВОС-049.001-03
Хомут 20-32 ТУ 4599-003-03966022-00
В узле: 1
1
252005-П29
Шайба 8 ОСТ 37.001.144-96
В узле: 1
2
252038-П29
Шайба 8 ОСТ 37.001.144-96
В узле: 1
3
3310-8101572
Поперечина
В узле: 1
4
201418-П29
Болт М6-6gх16 ОСТ 37.001.123-96
В узле: 1
5
252004-П29
Шайба 6 ОСТ 37.001.144-96
В узле: 1
6
250608-П29
Гайка М6-6Н ОСТ 37.001.124-93
В узле: 1
7
252154-П2
Шайба 6Л ОСТ 37.001.115-75
В узле: 1
8
3310-8101545
Кронштейн отопителя левый
В узле: 1
9
3310-8103105
Воздуховод левый
В узле: 1
10
3302-5325400
Винт самонарезающий для металла и пластмассы
В узле: 4
11
3310-8104328
Воздуховод правый
В узле: 1
12
3310-8104212-01
Уплотнитель воздуховода верхний
В узле: 2
13
2310-8104182
Воздуховод правый
В узле: 1
14
3310-8104329
Воздуховод левый
В узле: 1
15
3310-8104183
Воздуховод левый
В узле: 1
16
3310-8102055
Патрубок верхний левый
В узле: 1
16
3310-8102054
Патрубок верхний правый
В узле: 1
17
3310-8102070-01
Уплотнитель патрубка
В узле: 2
18
3310-8102041
Патрубок обогрева ветрового стекла левый
В узле: 1
18
3310-8102040
Патрубок обогрева ветрового стекла правый
В узле: 1
19
3316-8119130
Кронштейн воздухозаборника
В узле: 1
20
252155-П2
Шайба 8Л ОСТ 37.001.115-75
В узле: 1
21
201460-П29
Болт М8-6gх30 ОСТ 37.001.123-96
В узле: 1
22
3310-8101010-10
Отопитель
В узле: 1
23
3310-8119020
Короб воздухозаборника
В узле: 1
24
3302-8119134
Прокладка воздухозаборника правая
В узле: 1
25
3302-8119132
Прокладка фланца воздухозаборника
В узле: 1
26
3302-8119135
Прокладка воздухозаборника левая
В узле: 1
27
33104-8120030
Шланг отводящий
В узле: 1
28
3310-8120380
Тройник выпускной
В узле: 1
29
3310-8120034
Шланг
В узле: 1
30
00.10.00-02
Хомут 20-32 ТО17-9-20-98
В узле: 10
31
3310-8120170
Соединитель
В узле: 1
32
3111-8120034
Шланг отопителя
В узле: 1
33
33023-8120038
Шланг
В узле: 1
34
3302-8120040
Штуцер
В узле: 2
35
3110-8120034-10
Шланг отопителя подводящий
В узле: 1
36
3310-8103104
Воздуховод правый
В узле: 1
37
4596221516
Винт 4x12
В узле: 1
38
3310-8101544
Кронштейн отопителя правый
В узле: 1
39
201454-П29
Болт М8-6gх16 ОСТ 37.001.123-96
В узле: 1
40
250610-П29
Гайка М8-6Н ОСТ 37.001.124-93
В узле: 1
Содержащиеся в справочниках-каталогах запасные части и детали не предлагаются к продаже, а носят исключительно информационный характер

Ваша заявка была отправлена. В ближайшее время наши специалисты с Вами свяжутся по указанному Вами телефону.

Представьтесь
Поле обязательно для заполнения
Ваш телефон
Введите правильный номер телефона
E-mail
Введите правильный e-mail
Тема
Тема
применяемость финансирование доставка цена, наличие другое сервис и гарантия
Время для звонка
08:00
08:00 09:00 10:00 11:00 12:00 13:00 14:00 15:00 16:00 17:00 18:00 19:00
19:00
08:00 09:00 10:00 11:00 12:00 13:00 14:00 15:00 16:00 17:00 18:00 19:00

Мы постараемся перезвонить в указанное время

Если вы не хотите ждать, то звоните нашим вежливым консультантам:

8 800 100-2-700
Подтвердите, что вы не робот
Подтвердите, что вы не робот
Спасибо!

Ваше сообщение успешно отправлено!

ЗакрытьПовторить попытку