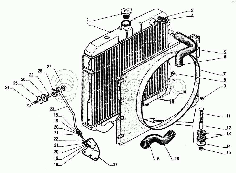
Каталог запасных частей к технике: ГАЗ-33104 Валдай. Установка системы охлаждения, радиатор

zoom-in zoom-out enlarge shrink circle-right circle-left file-text2 info cart arraw right arraw left zoom out zoom in arraw maximize arraw minimize
1
2
3
4
5
6
6
6
7
8
9
10
11
12
13
14
15
16
17
17
18
18
19
19
20
20
21
21
22
22
23
24
25
26
26
27
1
33104-1301010-30
Радиатор
В узле: 1
2
24-1304010
Пробка радиатора в сборе
В узле: 1
3
297282-П29
Прокладка в сборе
В узле: 1
4
661.3710
Термореле включения электровентилятора
В узле: 1
5
33104-1303010
Шланг
В узле: 1
6
00.10.00-04
Хомут 40-56 ТО17-9-20-98
В узле: 4
6
00.78.00-02
Хомут 44-56 ТУ 4599-001-21511064-94
В узле: 4
7
33104-1309011
Кожух вентилятора
В узле: 1
8
4599531818
Гайка М6
В узле: 1
9
4593761101
Болт М6х14
В узле: 1
10
4301-6804580
Буфер подвески сиденья водителя
В узле: 2
11
290789-П29
Болт М10х1х42 крепления радиатора
В узле: 1
12
20Ю-1302048
Втулка
В узле: 1
13
21-1302045
Подушка подвески радиатора
В узле: 2
14
293350-П29
Шайба 12
В узле: 1
15
250613-П29
Гайка 10х1-6Н
В узле: 1
16
33104-1303025
Шланг
В узле: 1
17
33104-1302039
Кронштейн тяги левый
В узле: 1
17
33104-1302038
Кронштейн тяги правый
В узле: 1
18
250512-П29
Гайка М10-6Н ОСТ 37.001.124-93
В узле: 1
19
252156-П2
Шайба 10Л ОСТ 37.001.115-75
В узле: 1
20
252039-П29
Шайба 10 ОСТ 37.001.144-96
В узле: 1
21
21-1302094
Прокладка крепления кронштейна
В узле: 4
22
20Ю-1001095
Втулка прокладки
В узле: 4
23
33104-1302035
Тяга
В узле: 2
24
200263-П29
Болт М8-6gх35 ОСТ 37.001.122-96
В узле: 1
25
252038-П29
Шайба 8 ОСТ 37.001.144-96
В узле: 1
26
51А-1001094
Прокладка тяги соединения двигателя с рамой
В узле: 4
27
4599531819
Гайка М8
В узле: 1
Содержащиеся в справочниках-каталогах запасные части и детали не предлагаются к продаже, а носят исключительно информационный характер

Ваша заявка была отправлена. В ближайшее время наши специалисты с Вами свяжутся по указанному Вами телефону.

Представьтесь
Поле обязательно для заполнения
Ваш телефон
Введите правильный номер телефона
E-mail
Введите правильный e-mail
Тема
Тема
применяемость финансирование доставка цена, наличие другое сервис и гарантия
Время для звонка
08:00
08:00 09:00 10:00 11:00 12:00 13:00 14:00 15:00 16:00 17:00 18:00 19:00
19:00
08:00 09:00 10:00 11:00 12:00 13:00 14:00 15:00 16:00 17:00 18:00 19:00

Мы постараемся перезвонить в указанное время

Если вы не хотите ждать, то звоните нашим вежливым консультантам:

8 800 100-2-700
Подтвердите, что вы не робот
Подтвердите, что вы не робот
Спасибо!

Ваше сообщение успешно отправлено!

ЗакрытьПовторить попытку