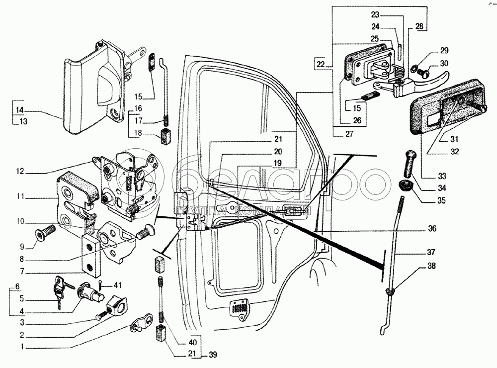
Каталог запасных частей к технике: ГАЗ-33104 Валдай. Замок и ручки дверей

zoom-in zoom-out enlarge shrink circle-right circle-left file-text2 info cart arraw right arraw left zoom out zoom in arraw maximize arraw minimize
1
1
2
3
4
5
6
7
8
9
10
11
11
12
12
13
13
14
15
15
16
17
18
19
20
21
21
22
22
23
24
25
26
27
27
28
28
29
30
31
32
33
33
34
35
36
36
37
38
39
40
41
1
3302-6105522
Поводок кулачка с шаровым пальцем правый
В узле: 1
1
3302-6105523
Поводок кулачка с шаровым пальцем левый
В узле: 1
2
31011-6105140
Держатель выключателя замка в сборе
В узле: 2
3
290410-П29
Болт М5-6gх20
В узле: 1
4
3110-6105090-10
Выключатель замка двери
В узле: 2
5
3105-5606104
Ключи замка багажника с кольцом
В узле: 1
6
3110-6105080-10
Выключатель замка с ключами
В узле: 1
7
3302-6106104-11
Пластана крепления фиксатора двери
В узле: 2
8
45 3114 9065
Винт М8х20
В узле: 1
9
4531149066
Винт М8х25
В узле: 1
10
1-53067-Х-0
Фиксатор замка
В узле: 2
11
1-34702-Х-0
Механизм замка двери запорный левый
В узле: 1
11
1-34701-Х-0
Механизм замка двери запорный правый
В узле: 1
12
1-10683-Х-0
Механизм замка дверей рычажный левый
В узле: 1
12
1-10682-Х-0
Механизм замка дверей рычажный правый
В узле: 1
13
3302-6105151-10
Ручка левая
В узле: 1
13
3302-6105150-10
Ручка правая
В узле: 1
14
3302-6105152-10
Ручка наружная
В узле: 2
15
23А-5303270
Зажим тяги
В узле: 4
16
3302-6105232-20
Тяга наружной ручки с наконечником
В узле: 2
17
3302-6105248-20
Тяга наружной ручки
В узле: 2
18
33024105278
Наконечник тяги
В узле: 2
19
24-6105101
Чехол тяги
В узле: 2
20
3302-6105102-01
Тяга привода замка
В узле: 2
21
2101-6105148
Наконечник тяги выключения замка двери
В узле: 6
22
4301-6105083
Привод замка двери внутренний левый
В узле: 1
22
4301-6105082
Привод замка двери внутренний правый
В узле: 1
23
31011-6105098-01
Пружина привода
В узле: 2
24
4598411360
Штифт 4x20
В узле: 1
25
31011-6105086
Основание привода замка двери
В узле: 2
26
31011-6105184
Прокладка привода замка
В узле: 2
27
3302-6105083-01
Привод замка внутренний с тягой левый
В узле: 1
27
3302-6105082-01
Привод замка внутренний с тягой правый
В узле: 1
28
4301-6105183
Ручка внутреннего привода левая
В узле: 1
28
4301-6105182
Ручка внутреннего привода правая
В узле: 1
29
252174-П29
Шайба 2-6 ОСТ 37.001.145-75
В узле: 1
30
224624-П29
Винт М6-6gх14 ОСТ 37.001.130-81
В узле: 1
31
221609-П29
Винт М6-6gх25
В узле: 1
32
252263-П29
Шайба 2-6 ОСТ 37.001.147-75
В узле: 1
33
4301-6105189
Розетка внутреннего привода левая
В узле: 1
33
4301-6105188
Розетка внутреннего привода правая
В узле: 1
34
4301-6105074
Наконечник тяги выключения замка двери
В узле: 2
35
4301-6105444
Втулка наконечника тяги выключения замка
В узле: 2
36
33104-6100015
Дверь левая (сварка)
В узле: 1
36
33104-6100014
Дверь правая (сварка)
В узле: 1
37
3302-6105071-10
Тяга выключения замка левая
В узле: 2
38
3105-6205366
Втулка рычагов внутреннего замка
В узле: 2
39
3302-6105330-10
Тяга в сборе
В узле: 2
40
3302-6105332-10
Тяга
В узле: 2
41
258002-П29
Шплинт 1,5х16
В узле: 1
Содержащиеся в справочниках-каталогах запасные части и детали не предлагаются к продаже, а носят исключительно информационный характер

Ваша заявка была отправлена. В ближайшее время наши специалисты с Вами свяжутся по указанному Вами телефону.

Представьтесь
Поле обязательно для заполнения
Ваш телефон
Введите правильный номер телефона
E-mail
Введите правильный e-mail
Тема
Тема
применяемость финансирование доставка цена, наличие другое сервис и гарантия
Время для звонка
08:00
08:00 09:00 10:00 11:00 12:00 13:00 14:00 15:00 16:00 17:00 18:00 19:00
19:00
08:00 09:00 10:00 11:00 12:00 13:00 14:00 15:00 16:00 17:00 18:00 19:00

Мы постараемся перезвонить в указанное время

Если вы не хотите ждать, то звоните нашим вежливым консультантам:

8 800 100-2-700
Подтвердите, что вы не робот
Подтвердите, что вы не робот
Спасибо!

Ваше сообщение успешно отправлено!

ЗакрытьПовторить попытку