Каталог запасных частей к технике: ГАЗ-33104 Валдай Евро 3. Установка отопителя

zoom-in zoom-out enlarge shrink circle-right circle-left file-text2 info cart arraw right arraw left zoom out zoom in arraw maximize arraw minimize
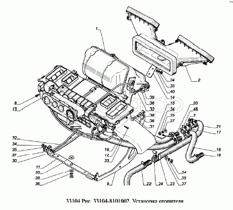
1
2
3
8
9
10
11
12
13
14
15
16
17
18
19
20
21
22
23
24
30
31
32
33
34
34
34
34
35
35
35
35
36
36
36
37
37
37
38
38
39
39
40
46
1
3310-8101010-10
Отопитель
В узле: 1
2
3310-8119020
Короб воздухозаборника
В узле: 1
3
3310-8120380
Тройник выпускной
В узле: 1
8
3302-5325400
Винт самонарезающий для металла и пластмассы
В узле: 4
9
3310-8101544
Кронштейн отопителя правый
В узле: 1
10
3310-8101545
Кронштейн отопителя левый
В узле: 1
11
3310-8101572
Поперечина
В узле: 1
12
3310-8103104
Воздуховод правый
В узле: 1
13
3310-8103105
Воздуховод левый
В узле: 1
14
3310-8119130
Кронштейн воздухозаборника
В узле: 1
15
33104-8120030
Шланг отводящий
В узле: 1
16
3110-8120034-10
Шланг отопителя подводящий
В узле: 1
17
3310-8120034
Шланг
В узле: 1
18
3111-8120034
Шланг отопителя
В узле: 1
19
3302-8120040
Штуцер
В узле: 2
20
3310-8120170
Соединитель
В узле: 1
21
33023-8120038
Шланг
В узле: 1
22
3302-8120038-10
Шланг
В узле: 1
23
3110-8120166
Скоба крепления шланга
В узле: 1
24
33104-8120178
Втулка
В узле: 1
30
201418-П29
Болт М6-6gх16 ОСТ 37.001.123-96
В узле: 2
31
201454-П29
Болт М8-6gх16 ОСТ 37.001.123-96
В узле: 4
32
201460-П29
Болт М8-6gх30 ОСТ 37.001.123-96
В узле: 2
33
45 9622 1516
Винт 4х12
В узле: 4
34
250608-П29
Гайка М6-6Н ОСТ 37.001.124-93
В узле: 6
35
252154-П2
Шайба 6Л ОСТ 37.001.115-75
В узле: 6
36
252155-П2
Шайба 8Л ОСТ 37.001.115-75
В узле: 7
37
252004-П29
Шайба 6 ОСТ 37.001.144-96
В узле: 5
38
252005-П29
Шайба 8 ОСТ 37.001.144-96
В узле: 5
39
252038-П29
Шайба 8 ОСТ 37.001.144-96
В узле: 3
40
252037-П29
Шайба 6 ОСТ 37.001.144-96
В узле: 1
46
45 3114 9907
Хомут 20-32
В узле: 11
Содержащиеся в справочниках-каталогах запасные части и детали не предлагаются к продаже, а носят исключительно информационный характер

Ваша заявка была отправлена. В ближайшее время наши специалисты с Вами свяжутся по указанному Вами телефону.

Представьтесь
Поле обязательно для заполнения
Ваш телефон
Введите правильный номер телефона
E-mail
Введите правильный e-mail
Тема
Тема
применяемость финансирование доставка цена, наличие другое сервис и гарантия
Время для звонка
08:00
08:00 09:00 10:00 11:00 12:00 13:00 14:00 15:00 16:00 17:00 18:00 19:00
19:00
08:00 09:00 10:00 11:00 12:00 13:00 14:00 15:00 16:00 17:00 18:00 19:00

Мы постараемся перезвонить в указанное время

Если вы не хотите ждать, то звоните нашим вежливым консультантам:

8 800 100-2-700
Подтвердите, что вы не робот
Подтвердите, что вы не робот
Спасибо!

Ваше сообщение успешно отправлено!

ЗакрытьПовторить попытку