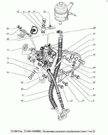
Каталог запасных частей к технике: ГАЗ-33104 Валдай Евро 3. Установка рулевого управления

zoom-in zoom-out enlarge shrink circle-right circle-left file-text2 info cart arraw right arraw left zoom out zoom in arraw maximize arraw minimize
2
4
5
6
7
7
8
9
10
11
11
13
13
15
16
20
21
22
22
24
24
25
26
26
26
27
27
27
30
31
32
1
2217-3402015
Колесо рулевого управления
В узле: 1
2
33104-3408150-01
Шланг нагнетательный с наконечниками
В узле: 1
4
291557-П29
Болт М12-4hх45
В узле: 2
5
3310-3401066
Гайка сошки
В узле: 1
6
33104-3403015
Кронштейн крепления рулевого механизма
В узле: 1
7
33104-3403042
Втулка разжимная
В узле: 3
8
3310-3408087
Муфта соединительная
В узле: 1
9
330243-3408100
Болт соединительной муфты
В узле: 1
10
3105-3408100
Болт-штуцер
В узле: 1
11
3105-3408102
Кольцо уплотнительное
В узле: 2
13
4301-3509055
Прокладка
В узле: 2
14
2217-3402018
Орнамент накладки выключателя звукового сигнала
В узле: 1
15
3105-3724527
Поясок
В узле: 1
16
66-8101578
Оболочка защитная шланга радиатора
В узле: 1
20
250512-П29
Гайка М10-6Н ОСТ 37.001.124-93
В узле: 1
21
252136-П2
Шайба 10 ОТ ОСТ 37.001.115-75
В узле: 1
22
252137-П2
Шайба 12.ОТ ОСТ 37.001.115-75
В узле: 5
23
252195-П29
Шайба 16 ОСТ 37.001.146-75
В узле: 1
24
292110-51
Гайка М12-8-016 СТП 37.102.1195-97
В узле: 5
25
45 9317 1319
Болт М10х45
В узле: 1
26
45 9318 1221
Болт М18х1,5x35
В узле: 3
27
45 9377 1262
Болт М12х35
В узле: 3
30
45 3114 9907
Хомут 20-32
В узле: 1
31
ШНКФ453461.200
Рулевой механизм
В узле: 1
32
45 3114 9904
Хомут 12-22
В узле: 1
Содержащиеся в справочниках-каталогах запасные части и детали не предлагаются к продаже, а носят исключительно информационный характер

Ваша заявка была отправлена. В ближайшее время наши специалисты с Вами свяжутся по указанному Вами телефону.

Представьтесь
Поле обязательно для заполнения
Ваш телефон
Введите правильный номер телефона
E-mail
Введите правильный e-mail
Тема
Тема
применяемость финансирование доставка цена, наличие другое сервис и гарантия
Время для звонка
08:00
08:00 09:00 10:00 11:00 12:00 13:00 14:00 15:00 16:00 17:00 18:00 19:00
19:00
08:00 09:00 10:00 11:00 12:00 13:00 14:00 15:00 16:00 17:00 18:00 19:00

Мы постараемся перезвонить в указанное время

Если вы не хотите ждать, то звоните нашим вежливым консультантам:

8 800 100-2-700
Подтвердите, что вы не робот
Подтвердите, что вы не робот
Спасибо!

Ваше сообщение успешно отправлено!

ЗакрытьПовторить попытку