Каталог запасных частей к технике: ГАЗ-33104 Валдай Евро 3. Установка системы охлаждения

zoom-in zoom-out enlarge shrink circle-right circle-left file-text2 info cart arraw right arraw left zoom out zoom in arraw maximize arraw minimize
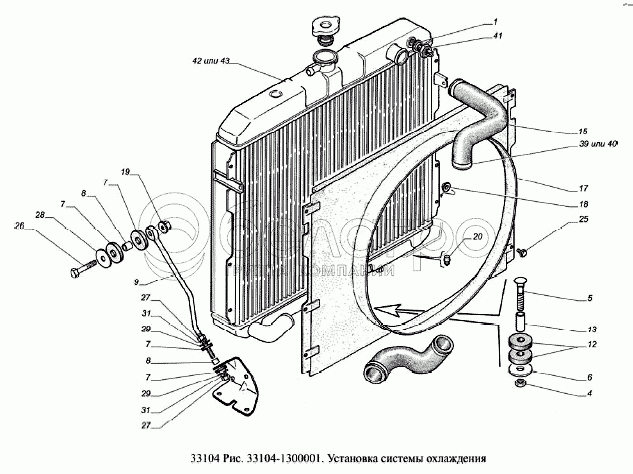
1
4
5
6
7
7
7
7
8
8
9
12
13
15
17
18
19
20
25
26
27
27
28
29
29
31
31
39
39
40
40
41
42
42
43
43
1
297282-П
Прокладка диаметром 22 пробки в сборе
В узле: 1
4
250613-П29
Гайка 10х1-6Н
В узле: 1
5
290789-П29
Болт М10х1х42 крепления радиатора
В узле: 1
6
293350-П29
Шайба 12
В узле: 1
7
51А-1001094
Прокладка тяги соединения двигателя с рамой
В узле: 8
8
20Ю-1001095
Втулка прокладки
В узле: 4
9
33104-1302035
Тяга
В узле: 2
12
21-1302045
Подушка подвески радиатора
В узле: 2
13
20Ю-1302048
Втулка
В узле: 1
15
33104-1303010
Шланг
В узле: 1
17
33104-1309011
Кожух вентилятора
В узле: 1
18
45 9953 1818
Гайка М6
В узле: 6
19
45 9953 1819
Гайка М8
В узле: 2
20
4301-6804580
Буфер подвески сиденья водителя
В узле: 2
25
45 9376 1101
Болт М6-6gх14
В узле: 6
26
200263-П29
Болт М8-6gх35 ОСТ 37.001.122-96
В узле: 2
27
250512-П29
Гайка М10-6Н ОСТ 37.001.124-93
В узле: 4
28
252038-П29
Шайба 8 ОСТ 37.001.144-96
В узле: 2
29
252039-П29
Шайба 10 ОСТ 37.001.144-96
В узле: 4
31
252156-П2
Шайба 10Л ОСТ 37.001.115-75
В узле: 4
39
45 3114 9911
Хомут 40-56
В узле: 2
39
45 3114 9912
Хомут 40-60
В узле: 2
40
45 3114 9911
Хомут 40-56
В узле: 2
40
45 3114 9912
Хомут 40-60
В узле: 2
41
661.3710
Термореле включения электровентилятора
В узле: 1
42
33104-1301010-30
Радиатор
В узле: 1
42
ЛР33104.1301010-33
Радиатор
В узле: 1
43
33104-1301010-30
Радиатор
В узле: 1
43
ЛР33104.1301010-33
Радиатор
В узле: 1
Содержащиеся в справочниках-каталогах запасные части и детали не предлагаются к продаже, а носят исключительно информационный характер

Ваша заявка была отправлена. В ближайшее время наши специалисты с Вами свяжутся по указанному Вами телефону.

Представьтесь
Поле обязательно для заполнения
Ваш телефон
Введите правильный номер телефона
E-mail
Введите правильный e-mail
Тема
Тема
применяемость финансирование доставка цена, наличие другое сервис и гарантия
Время для звонка
08:00
08:00 09:00 10:00 11:00 12:00 13:00 14:00 15:00 16:00 17:00 18:00 19:00
19:00
08:00 09:00 10:00 11:00 12:00 13:00 14:00 15:00 16:00 17:00 18:00 19:00

Мы постараемся перезвонить в указанное время

Если вы не хотите ждать, то звоните нашим вежливым консультантам:

8 800 100-2-700
Подтвердите, что вы не робот
Подтвердите, что вы не робот
Спасибо!

Ваше сообщение успешно отправлено!

ЗакрытьПовторить попытку