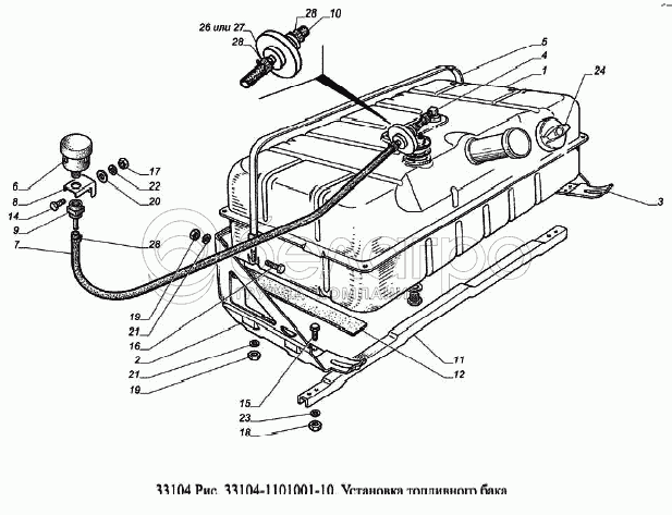
Каталог запасных частей к технике: ГАЗ-33104 Валдай Евро 3. Установка топливного бака

zoom-in zoom-out enlarge shrink circle-right circle-left file-text2 info cart arraw right arraw left zoom out zoom in arraw maximize arraw minimize
1
2
3
4
5
6
7
8
9
10
11
12
14
15
16
17
18
19
19
20
21
21
22
23
24
26
26
27
27
28
28
28
1
33104-1101010
Бак топливный
В узле: 1
2
4301-1101102
Кронштейн крепления бака задний
В узле: 1
3
4301-1101117
Кронштейн крепления бака передний
В узле: 1
4
33021-1101281
Клапан топливного бака
В узле: 1
5
51П-1102110-Б
Хомут в сборе
В узле: 2
6
4301-3553010
Фильтр воздушный гидровакуумного усилителя тормозов в сборе
В узле: 1
7
33104-1101079
Трубка
В узле: 1
8
66-41-1101290
Кронштейн фильтра топливного бака
В узле: 1
9
4301-1101392
Гайка крепления фильтра
В узле: 1
10
3307-1102083
Трубка пароотводная
В узле: 1
11
51П-1102107-Б
Планка защитная
В узле: 2
12
51П-1102120-Б
Прокладка
В узле: 2
14
201416-П29
Болт М6-6gх12 ОСТ 37.001.123-96
В узле: 1
15
201454-П29
Болт М8-6gх16 ОСТ 37.001.123-96
В узле: 8
16
201497-П29
Болт М10-6gх25 ОСТ 37.001.123-96
В узле: 6
17
250508-П29
Гайка М6-6Н ОСТ 37.001.124-93
В узле: 1
18
250510-П29
Гайка М8-6Н ОСТ 37.001.124-93
В узле: 8
19
250512-П29
Гайка М10-6Н ОСТ 37.001.124-93
В узле: 10
20
252037-П29
Шайба 6 ОСТ 37.001.144-96
В узле: 1
21
252136-П2
Шайба 10 ОТ ОСТ 37.001.115-75
В узле: 10
22
252154-П2
Шайба 6Л ОСТ 37.001.115-75
В узле: 1
23
252155-П2
Шайба 8Л ОСТ 37.001.115-75
В узле: 8
24
31107.1103010
Пробка топливного бака Евро-2
В узле: 1
26
31105.1164060
Клапан давления и разрежения
В узле: 1
26
31105.1164060-01
Клапан давления и разрежения
В узле: 1
27
31105.1164060
Клапан давления и разрежения
В узле: 1
27
31105.1164060-01
Клапан давления и разрежения
В узле: 1
28
45 3114 9902
Хомут 12-18
В узле: 4
Содержащиеся в справочниках-каталогах запасные части и детали не предлагаются к продаже, а носят исключительно информационный характер

Ваша заявка была отправлена. В ближайшее время наши специалисты с Вами свяжутся по указанному Вами телефону.

Представьтесь
Поле обязательно для заполнения
Ваш телефон
Введите правильный номер телефона
E-mail
Введите правильный e-mail
Тема
Тема
применяемость финансирование доставка цена, наличие другое сервис и гарантия
Время для звонка
08:00
08:00 09:00 10:00 11:00 12:00 13:00 14:00 15:00 16:00 17:00 18:00 19:00
19:00
08:00 09:00 10:00 11:00 12:00 13:00 14:00 15:00 16:00 17:00 18:00 19:00

Мы постараемся перезвонить в указанное время

Если вы не хотите ждать, то звоните нашим вежливым консультантам:

8 800 100-2-700
Подтвердите, что вы не робот
Подтвердите, что вы не робот
Спасибо!

Ваше сообщение успешно отправлено!

ЗакрытьПовторить попытку