Каталог запасных частей к технике: ГАЗ-4301. Датчики на двигателе

zoom-in zoom-out enlarge shrink circle-right circle-left file-text2 info cart arraw right arraw left zoom out zoom in arraw maximize arraw minimize
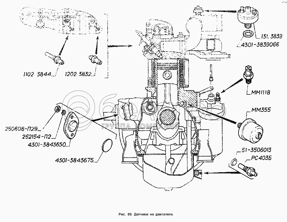
250608-П29
ММ111В
1102.3844000
131.3839
ММ355-3829010
1202.3832000
4301-3843650
4301-3839066
4301-3843675
51-3506013
РС403Б-3729010
252154-П2
250608-П29
Гайка М6-6Н ОСТ 37.001.124-93
В узле: 37
ММ111В
Датчик аварийного давления масла
В узле: 1
1102.3844000
Датчик аварийной температуры головки цилиндров 1102.3844
В узле: 1
131.3839
Датчик засоренности воздушного фильтра (131.3839600)
В узле: 1
ММ355-3829010
Датчик указателя давления масла ММ355
В узле: 1
1202.3832000
Датчик указателя температуры головки цилиндра 1202.3832
В узле: 1
4301-3843650
Заглушка
В узле: 1
4301-3839066
Прокладка уплотнительная датчика
В узле: 1
4301-3843675
Прокладка
В узле: 1
51-3506013
Прокладка
В узле: 18
РС403Б-3729010
Сигнализатор перегрева масла в двигателе РС403Б
В узле: 1
252154-П2
Шайба 6Л ОСТ 37.001.115-75
В узле: 94
Содержащиеся в справочниках-каталогах запасные части и детали не предлагаются к продаже, а носят исключительно информационный характер

Ваша заявка была отправлена. В ближайшее время наши специалисты с Вами свяжутся по указанному Вами телефону.

Представьтесь
Поле обязательно для заполнения
Ваш телефон
Введите правильный номер телефона
E-mail
Введите правильный e-mail
Тема
Тема
применяемость финансирование доставка цена, наличие другое сервис и гарантия
Время для звонка
08:00
08:00 09:00 10:00 11:00 12:00 13:00 14:00 15:00 16:00 17:00 18:00 19:00
19:00
08:00 09:00 10:00 11:00 12:00 13:00 14:00 15:00 16:00 17:00 18:00 19:00

Мы постараемся перезвонить в указанное время

Если вы не хотите ждать, то звоните нашим вежливым консультантам:

8 800 100-2-700
Подтвердите, что вы не робот
Подтвердите, что вы не робот
Спасибо!

Ваше сообщение успешно отправлено!

ЗакрытьПовторить попытку