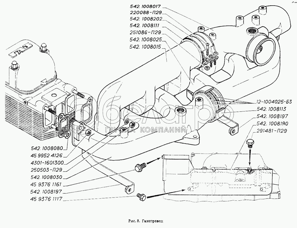
Каталог запасных частей к технике: ГАЗ-4301. Газопровод

zoom-in zoom-out enlarge shrink circle-right circle-left file-text2 info cart arraw right arraw left zoom out zoom in arraw maximize arraw minimize
542.1008202
45 9376 1117
45 9376 1161
45 9952 4126
542.1008111
4301-1601300
542.1008015
542.1008017
542.1008080
542.1008197
542.1008197
291481-П29
12-1004025-Б3
542.1008030
542.1008025
542.1008190
250503-П29
251086-П29
542.1008113
220088-П29
542.1008202
Лента
В узле: 3
45 9376 1117
Болт М8-6gх16
В узле: ---
45 9376 1161
Болт М10-6gх20
В узле: ---
45 9952 4126
Гайка М8х1-6Н
В узле: ---
542.1008111
Шланг соединительный
В узле: 1
4301-1601300
Шайба пружинная коническая
В узле: 111
542.1008015
Труба впускная передняя
В узле: 1
542.1008017
Труба впускная задняя
В узле: 1
542.1008080
Прокладка
В узле: 12
542.1008197
Планка
В узле: 2
291481-П29
Болт М10-6gх12
В узле: 2
12-1004025-Б3
Кольцо
В узле: 3
542.1008030
Коллектор выпускной передний
В узле: 1
542.1008025
Коллектор выпускной задний
В узле: 1
542.1008190
Кожух
В узле: 1
250503-П29
Гайка М8х1-4Н5Н
В узле: 23
251086-П29
Гайка М5-6Н ОСТ 37.001.112-91
В узле: 17
542.1008113
Втулка
В узле: 1
220088-П29
Винт М5-6gх35
В узле: 3
Содержащиеся в справочниках-каталогах запасные части и детали не предлагаются к продаже, а носят исключительно информационный характер

Ваша заявка была отправлена. В ближайшее время наши специалисты с Вами свяжутся по указанному Вами телефону.

Представьтесь
Поле обязательно для заполнения
Ваш телефон
Введите правильный номер телефона
E-mail
Введите правильный e-mail
Тема
Тема
применяемость финансирование доставка цена, наличие другое сервис и гарантия
Время для звонка
08:00
08:00 09:00 10:00 11:00 12:00 13:00 14:00 15:00 16:00 17:00 18:00 19:00
19:00
08:00 09:00 10:00 11:00 12:00 13:00 14:00 15:00 16:00 17:00 18:00 19:00

Мы постараемся перезвонить в указанное время

Если вы не хотите ждать, то звоните нашим вежливым консультантам:

8 800 100-2-700
Подтвердите, что вы не робот
Подтвердите, что вы не робот
Спасибо!

Ваше сообщение успешно отправлено!

ЗакрытьПовторить попытку