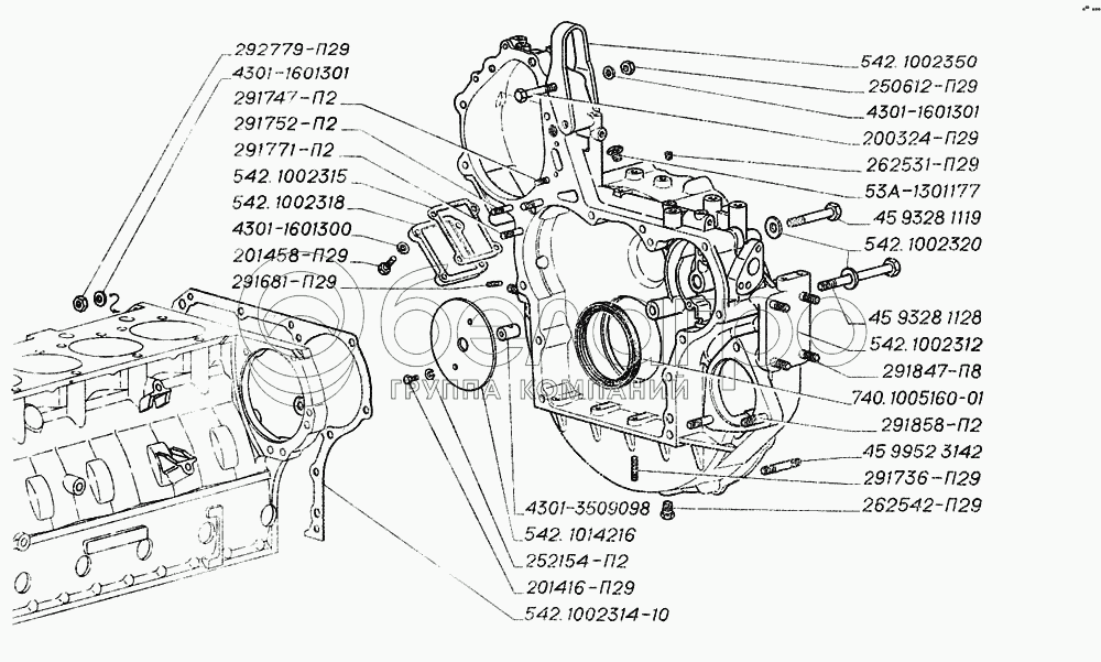
Каталог запасных частей к технике: ГАЗ-4301. Картер маховика

zoom-in zoom-out enlarge shrink circle-right circle-left file-text2 info cart arraw right arraw left zoom out zoom in arraw maximize arraw minimize
542.1002314-10
45 9328 1119
45 9328 1128
45 9952 3142
291752-П2
291747-П2
291736-П29
291681-П29
291858-П2
291847-П29
291771-П29
4301-1601300
252154-П2
542.1002320
4301-1601301
4301-1601301
542.1002315
200324-П29
262542-П29
262531-П29
53А-1301177
542.1002350
740-1005160-01
542.1002318
542.1002312
542.1014216
292779-П29
250612-П29
4301-3509098
201458-П29
201416-П29
542.1002314-10
Прокладка
В узле: 1
45 9328 1119
Болт М12-6gх90
В узле: ---
45 9328 1128
Болт М12-6gх150
В узле: ---
45 9952 3142
Шпилька М8х1-4hх60
В узле: ---
291752-П2
Шпилька М8х1-4hх38
В узле: 1
291747-П2
Шпилька М8х1-4hх22
В узле: 1
291736-П29
Шпилька М8х1-4hх16
В узле: 11
291681-П29
Шпилька М6-4hх18
В узле: 6
291858-П2
Шпилька М12х1,25-6hх45
В узле: 2
291847-П29
Шпилька М12х(1,75-Сп/1,25-4h)х32 ОСТ 37.001.180-96
В узле: 11
291771-П29
Шпилька М10х1-4hх38
В узле: 7
4301-1601300
Шайба пружинная коническая
В узле: 111
252154-П2
Шайба 6Л ОСТ 37.001.115-75
В узле: 94
542.1002320
Шайба 12х30 коническая
В узле: 14
4301-1601301
Шайба 10х20 коническая
В узле: 86
542.1002315
Прокладка
В узле: 1
200324-П29
Болт М10-6gх75
В узле: 3
262542-П29
Пробка КГ 1/4"
В узле: 1
262531-П29
Пробка КГ 1/8"
В узле: 6
53А-1301177
Пробка
В узле: 1
542.1002350
Пластина
В узле: 1
740-1005160-01
Манжета
В узле: 1
542.1002318
Крышка
В узле: 1
542.1002310
Картер маховика со втулкой
В узле: 1
542.1002312
Картер
В узле: 1
542.1014216
Заглушка
В узле: 1
292779-П29
Гайка М10х1-4Н5Н
В узле: 2
250612-П29
Гайка М10-6Н ОСТ 37.001.124-93
В узле: 40
4301-3509098
Втулка
В узле: 1
201458-П29
Болт М8-6gх25 ОСТ 37.001.123-96
В узле: 35
201416-П29
Болт М6-6gх12 ОСТ 37.001.123-96
В узле: 35
Содержащиеся в справочниках-каталогах запасные части и детали не предлагаются к продаже, а носят исключительно информационный характер

Ваша заявка была отправлена. В ближайшее время наши специалисты с Вами свяжутся по указанному Вами телефону.

Представьтесь
Поле обязательно для заполнения
Ваш телефон
Введите правильный номер телефона
E-mail
Введите правильный e-mail
Тема
Тема
применяемость финансирование доставка цена, наличие другое сервис и гарантия
Время для звонка
08:00
08:00 09:00 10:00 11:00 12:00 13:00 14:00 15:00 16:00 17:00 18:00 19:00
19:00
08:00 09:00 10:00 11:00 12:00 13:00 14:00 15:00 16:00 17:00 18:00 19:00

Мы постараемся перезвонить в указанное время

Если вы не хотите ждать, то звоните нашим вежливым консультантам:

8 800 100-2-700
Подтвердите, что вы не робот
Подтвердите, что вы не робот
Спасибо!

Ваше сообщение успешно отправлено!

ЗакрытьПовторить попытку